EasyManua.ls Logo

Yamaha F400A 2022 - Quint Outboard Motor Application (Dual Station)

Yamaha F400A 2022
592 pages
Print Icon
To Next Page IconTo Next Page
To Next Page IconTo Next Page
To Previous Page IconTo Previous Page
To Previous Page IconTo Previous Page
Loading...
3-58
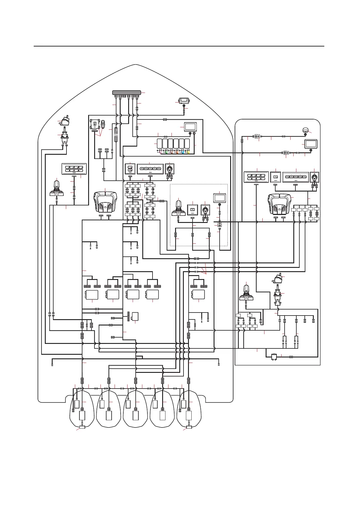
System diagram
Quint outboard motor application (dual station)
HEADING
HOLD
COURSE
HOLD
TRACK
POINT
PATTERN
STEER
F1 F2
1˚ / 5˚ 1˚ / 5˚
HEADING
HOLD
COURSE
HOLD
TRACK
POINT
PATTERN
STEER
F1 F2
1˚ / 5˚ 1˚ / 5˚
bcccba
P CP C CS S
32 32
11
888
8
(*1)
(*1)
8
8
88
28
276
29
30
28
27
6
41
16
6
21
22
36
34
22
21
(*1)(*1)
33
37
37
35
35
3535
23
25
24
(*1)
2
(*1)
33
666645554
333
7
151413
12
151440
39
42
276
41
24
19
20
38
17
17
18
19
27
31
20
24
26
9
10
1
2
1
2
1
2
1
2
1
7
27
28
6
24
44
43
24
43
41
15
40
20
A
B
C
CP
CP
C
C
CS
CS
CP
CP
C
P
P
S
S
P
P
S
S
C
CS
CS
CP
C
CS
P
P
S
S
P
P P S
S
S

Table of Contents

Related product manuals