EasyManua.ls Logo

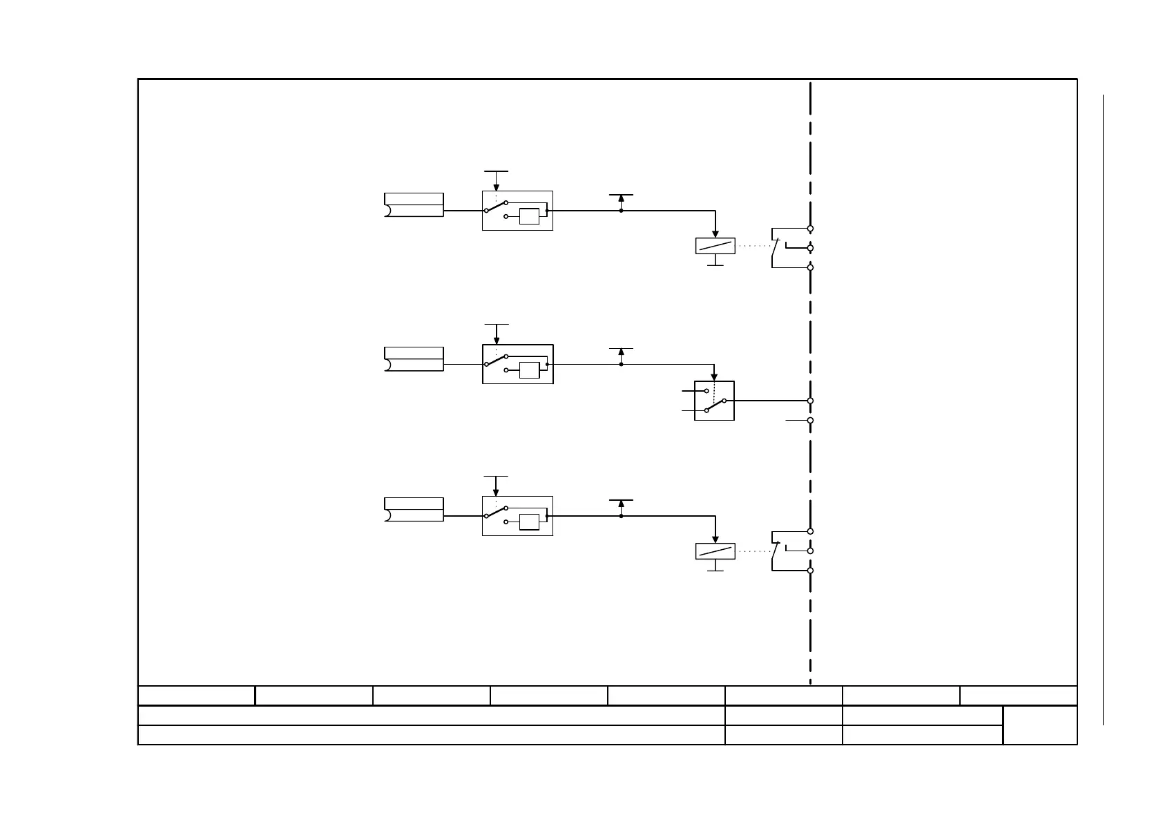
Siemens SINAMICS G120 - Fig. 2-17 2230 - CU240 E-2: Digital outputs (DO0... DO2)

Siemens SINAMICS G120
750 pages
To Next Page IconTo Next Page
To Next Page IconTo Next Page
To Previous Page IconTo Previous Page
To Previous Page IconTo Previous Page
Loading...
Function diagrams
Input/Output Terminals
2-512
© Siemens AG 2011 All Rights Reserved
SINAMICS G120 / Control Units CU240B/E-2 Parameter Manual (LH11), 01/2011
Fig. 2-17 2230 – CU240E-2: Digital outputs (DO0 ... DO2)
- 2230 -
Function diagram
87654321
FP_2230_97_56.vsd
External Interfaces
G120 CU240E-2
13.12.2010 V4.4
Digital outputs (DO0  DO2)
-1
0
1
-1
0
2
-1
0
4
(52.3)
CU S_src DO 0
p0730
(52.7)
CU S_src DO 1
p0731
(52.2)
CU S_src DO 2
p0732
CU DO inv
p0748
CU DO inv
p0748
CU DO inv
p0748
.2
NO
COM
NC
Kl.20
Kl.19
Kl.18
NO
Kl.22
Kl.21
NO
COM
NC
Kl.25
Kl.24
Kl.23
DO0
DO1
DO2
<2> Kl. = Terminal
<2>
Sampling time of the DO : 2 ms
CU DO status
r0747
CU DO status
r0747
CU DO status
r0747
.1
.0
1
0
24 V
0 V
0 V

Table of Contents

Other manuals for Siemens SINAMICS G120

Related product manuals