EasyManua.ls Logo

Siemens SINAMICS G120 - Fig. 2-130 8013 - Load monitoring)

Siemens SINAMICS G120
750 pages
To Next Page IconTo Next Page
To Next Page IconTo Next Page
To Previous Page IconTo Previous Page
To Previous Page IconTo Previous Page
Loading...
Function diagrams
Signals and monitoring functions
2-638
© Siemens AG 2011 All Rights Reserved
SINAMICS G120 / Control Units CU240B/E-2 Parameter Manual (LH11), 01/2011
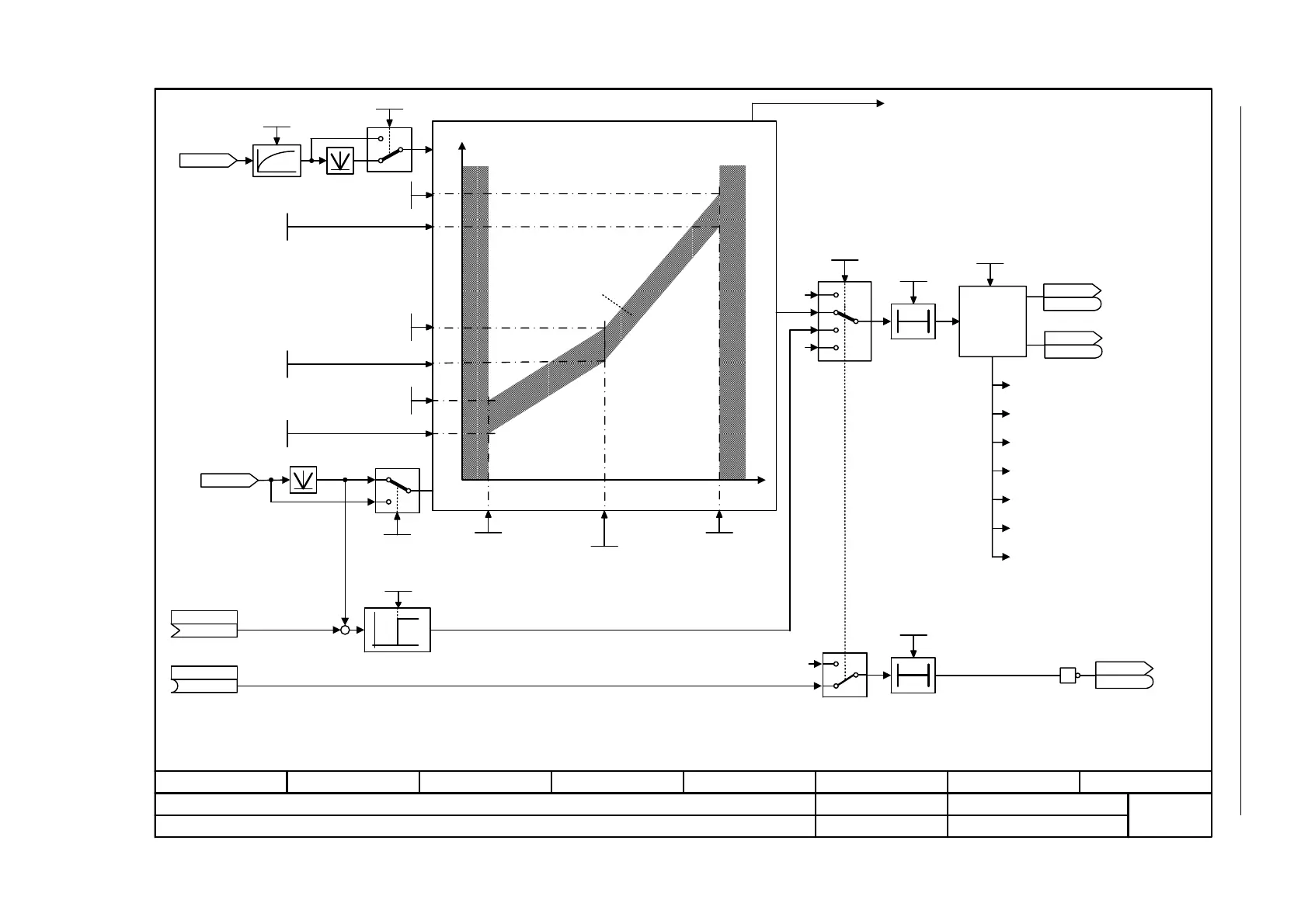
Fig. 2-130 8013 – Load monitoring)
- 8013 -
Function diagram
87654321
FP_8013_97_51.vsd
Signals and monitoring functions
G120 CU240B/E-2
13.12.2010 V4.4
Load monitoring
[8010.2]
[8011.2]
[6799.8]
[2536.3]
1/min
M [Nm]
[2536.3]
0T
<1>
<1>
(0)
(1)
(2)
(3)
(4)
(5)
(6)
<1>
0
1
p2149.1
0
1
p2149.1
+
0
1
2
3
0
1
0
The response to these faults can be defined.
Tolerance bandwidth
A07926 "Envelop characteristic, parameter
not valid"
Evaluation
Load monitoring disabled
Torque/speed too low
Torque/speed too high
Torque/speed outside tolerance
Torque/speed too low
Torque/speed too high
Torque/speed outside tolerance
M_thresh 1 upper
0.00 ... 20000000.00 [Nm]
p2185 [D] (10000000.00)
M_thresh 1 lower
0.00 ... 20000000.00 [Nm]
p2186 [D] (0.00)
r2169
n_act smth message [1/min]
Load monit n_act
(0)
p3230 [C]
(1)
Load_moni fail_det
p3232 [C]
Load monit n_dev
p3231
n_thresh 1
0.00 ... 210000.00 [1/min]
p2182 [D] (150.00)
Load monit t_del
0.00 ... 65.00 [s]
p2192 [D] (10.00)
Load monit resp
0 ... 6
p2181 [D] (0)
ZSW monitor 2
r2198
r2198
.11
ZSW monitor 2
r2198
r2198
.12
M_thresh 2 upper
0.00 ... 20000000.00 [Nm]
p2187 [D] (10000000.00)
M_thresh 3 upper
0.00 ... 20000000.00 [Nm]
p2189 [D] (10000000.00)
M_thresh 2 lower
0.00 ... 20000000.00 [Nm]
p2188 [D] (0.00)
M_thresh 3 lower
0.00 ... 20000000.00 [Nm]
p2190 [D] (0.00)
n_thresh 2
0.00 ... 210000.00 [1/min]
p2183 [D] (900.00)
n_thresh 3
0.00 ... 210000.00 [1/min]
p2184 [D] (1500.00)
Load monit config
0 ... 3
p2193 [D] (1)
F07936
Drive: Load loss
0
1,2,3
1
0T
Load monit t_del
0.00 ... 65.00 [s]
p2192 [D] (10.00)
[2536.3]
ZSW monitor 2
r2198
r2198
.12
0
<2>
<2>
Fault evaluation only with p2181 > 0 and p2193 > 0.
A07920
A07921
A07922
F07923
F07924
F07925
M_act_filt T
0 ... 1000000 [ms]
p3233 [D] (100)
1
r0080
M_act [Nm]
[0]

Table of Contents

Other manuals for Siemens SINAMICS G120

Related product manuals