EasyManua.ls Logo

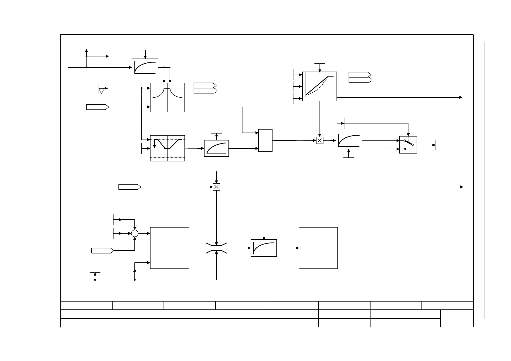
Siemens SINAMICS G120 - Fig. 2-96 6722 - Field weakening characteristic, Id setpoint (ASM, p0300 = 1)

Siemens SINAMICS G120
750 pages
To Next Page IconTo Next Page
To Next Page IconTo Next Page
To Previous Page IconTo Previous Page
To Previous Page IconTo Previous Page
Loading...
Function diagrams
Vector control
2-600
© Siemens AG 2011 All Rights Reserved
SINAMICS G120 / Control Units CU240B/E-2 Parameter Manual (LH11), 01/2011
Fig. 2-96 6722 – Field weakening characteristic, Id setpoint (ASM, p0300 = 1)
- 6722 -
Function diagram
87654321
FP_6722_97_02.vsd
Vector control
G120 CU240B/E-2
13.12.2010 V4.4
Field weakening characteristic, Id setpoint (ASM, p0300 = 1)
0,9
1
0
MIN
<0,3 s
f
y
[6060.5]
[6730.3]
[6723.1]
[6640.3]
[6723.1]
[6730.1]
[6640.1]
+
+
[2526.2]
[2526.2]
U_output max [Veff]
r0071
Field weak T_smth
0 ... 20000 [ms]
p1584 [D] (0)
Flux setpoint
50.0 ... 200.0 [%]
p1570 [D] (100.0)
ZSW cl-loop ctrl
r0056
r0056
.8
Mot T_rotor/T_Dd [ms]
r0384 [D]
M_set static
-200.0 ... 200.0 [%]
p1610 [D] (50.0)
M_suppl_accel
0.0 ... 200.0 [%]
p1611 [D] (30.0)
r1508
M_set bef. M_suppl [Nm]
Mot I_mag_rtd act [Aeff]
r0331 [D]
I_set T_smooth
4 ... 10000 [ms]
p1616 [D] (40)
ZSW cl-loop ctrl
r0056
r0056
.4
Flux setp T_smth
4 ... 5000 [ms]
p1582 [D] (15)
Flux setp smooth [%]
r1583
Field weakening characteristic
Efficiency optimization
Id_set calculation
Flux setpoint
calculation
Magnetization control
Id current limit
ASM: Induction motor
Mot t_excitation
0.000 ... 20.000 [s]
p0346 [D] (0.000)
MotMod status
r1751
r0067
I_outp max [Aeff]
r0063
n_act [1/min]
[0]
Quick magnetizing active
[6723.8]
Flux ctrl config
p1401
.1
Flux ctrl config
p1401.2
Flux ctrl config
p1401.6
1 = Flux setpoint soft starting active
1 = Flux build-up control active
1 = Quick magnetizing
Value range and/or factory setting depend on Power Module
Efficiency opt.
0 ... 100 [%]
p1580 [D] (0)
<1>
<1>

Table of Contents

Other manuals for Siemens SINAMICS G120

Related product manuals