EasyManua.ls Logo

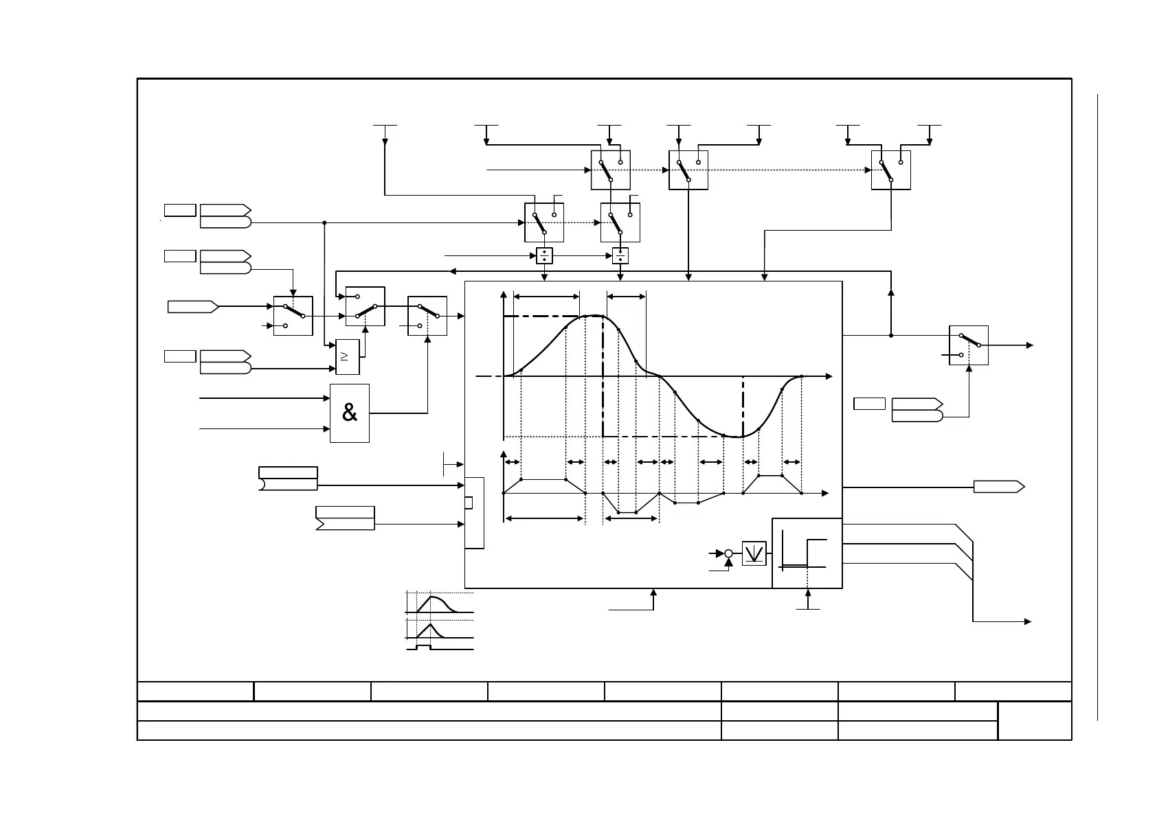
Siemens SINAMICS G120 - Fig. 2-78 3070 - Extended ramp-function generator

Siemens SINAMICS G120
750 pages
To Next Page IconTo Next Page
To Next Page IconTo Next Page
To Previous Page IconTo Previous Page
To Previous Page IconTo Previous Page
Loading...
Function diagrams
Setpoint channel
2-580
© Siemens AG 2011 All Rights Reserved
SINAMICS G120 / Control Units CU240B/E-2 Parameter Manual (LH11), 01/2011
Fig. 2-78 3070 – Extended ramp-function generator
- 3070 -
Function diagram
87654321
FP_3070_97_02.vsd
Setpoint channel
G120 CU240B/E-2
13.12.2010 V4.4
Extended ramp-function generator
0
Tup
FRIRFRIRFRIRFRIR
Tdn
p1082
Tup_eff <2> Tdn_eff <2>
-p1082
IR FR
[3050.8]
[3080.5]
0
p1082
x
y
<3>
[3050.5]
n_max
x
t
y
dy/dt
y
0 1 0 1 0 1
1
0
1
0
0
1
0
1
x
y
+
10 10
[3080.1]
[2501.7]
p1140
[2501.7]
p1141
[3080.8]
0
p1142
[2505.7]
p1122
[2501.7]
1
0
1
0
0
<1>
t
n
soll
t
t
<2>
<3> p1134 = 0:
p1134 = 1:
1 = Bypass ramp-function generator
STW setpoint chan
r1198
r1198
.15
STW seq_ctrl
r0898
r0898
.6
1 = Enable frequency setpoint
r1119
RFG setp at inp [1/min]
STW seq_ctrl
r0898
r0898
.5
0 = Freeze ramp-
function generator
1 = Internal RFG enable
0 = Internal fast stop
(0)
RFG accept set v
p1143 [C]
RFG round-off type
0 ... 1
p1134 [D] (0)
RFG setting value
(0)
p1144 [C]
Freeze ramp-function generator
Ramp flattening-off
RFG ramp-up time
0.000 ... 999999.000 [s]
p1120 [D] (10.000)
0 = Internal fast stop
RFG OFF3 t_end_del
0.000 ... 30.000 [s]
p1137 [D] (0.000)
f_set_5
STW seq_ctrl
r0898
r0898
.4
1 = Enable ramp-function
generator
r1149
RFG acceleration [1/s²]
Other status bits
Ramp-up active
Ramp-down active
Ramp-function generator, status bits
RFG tol HL/RL act
0.000 ... 1000.000 [1/min]
p1148 [D] (19.800)
Effective ramp-up time: Tup_eff = Tup + (IR/2 + FR/2)
Effective ramp-down time: Tdn_eff = Tdn + (IR/2 + FR/2)
Rounding-off is always active.
Overshoots can occur.
Final rounding-off is not effective
when the setpoint is suddenly
reduced during ramp-up.
Expanded ramp-function
generator
<4>
With activated Technology controller (p2200 > 0, p2251 = 0) the ramp-function generator is bypassed (r2349.5).
<4>
[2634.8]
[2634.8]
[2634.8]
<5>
Value range and/or factory setting depend on Power Module
RFG ramp-down time
0.000 ... 999999.000 [s]
p1121 [D] (10.000)
OFF3 t_RD
0.000 ... 5400.000 [s]
p1135 [D] (0.000)
RFGOFF3 t_strt_rnd
0.000 ... 30.000 [s]
p1136 [D] (0.000)
RFG t_end_delay
0.000 ... 30.000 [s]
p1131 [D] (0.000)
<1>
Inhibited during jogging.
<5>
<5> <5> <5>
<5>
RFG t_start_round
0.000 ... 30.000 [s]
p1130 [D] (0.000)

Table of Contents

Other manuals for Siemens SINAMICS G120

Related product manuals