EasyManua.ls Logo

Siemens SINAMICS G120 - Fig. 2-68 2846 - SI Motion, Parameter Manager

Siemens SINAMICS G120
750 pages
To Next Page IconTo Next Page
To Next Page IconTo Next Page
To Previous Page IconTo Previous Page
To Previous Page IconTo Previous Page
Loading...
Safety Integrated
Function diagrams
2-569
© Siemens AG 2011 All Rights Reserved
SINAMICS G120 / Control Units CU240B/E-2 Parameter Manual (LH11), 01/2011
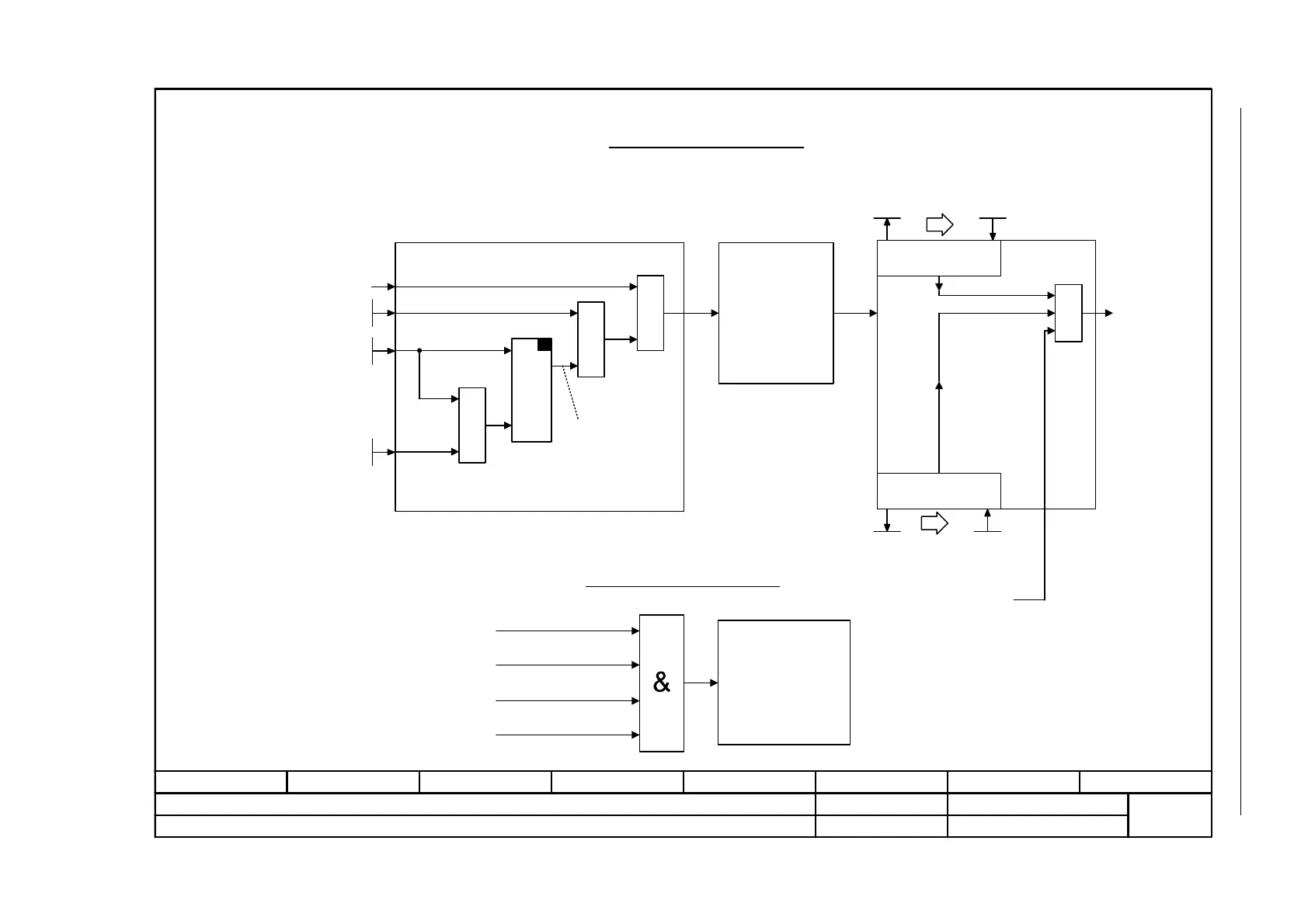
Fig. 2-68 2846 – SI Motion, Parameter Manager
- 2846 -
Function diagram
87654321
FP_2846_97_53.vsd
Safety Integrated
G120 CU240E-2 F/DP F
13.12.2010 V4.4
SI Motion, Parameter Manager
p9601 = 0
[2810.3]
x
p9801 = 0
[2810.3]
y
<1>
<1>
=
=
SET
y = x
=
<1>
<1>
<1>
<2>
<3>
<3>
=
&
& &
<2>
<3>
Changing safety parameters
Resetting safety parameters
Safety parameterizing enable
Checksum check
for safety
parameters
Safety parameter
p9300  p9399
p9500 ... p9599
p10002 ... p10152
can be reset to
factory settings via
p0970, p3900
Safety parameter
p9300 ... p9399
p9500 ... p9599
p10002 ... p10152
can be changed
Effective password
Enter password
Safety Integrated commissioning
p0010 = 95
Safety parameters
p9300  p9399
p9500 ... p9599
p10002 ... p10152
are valid after
save.
STARTER issues a
message if a
POWER ON is
required
p0010 unequal 95
Exit safety
commissioning mode
Inhibit safety functions
Comparator, refer to [1021]
Analog signal memory, refer to [1021]
The target checksum must be equal to the actual checksum.
p9301 = 0
p9501 = 0
SI Mtn act CRC P1
r9728
SI Mtn setp CRC P1
p9729
SI Mtn act CRC P2
r9398
SI Mtn setp CRC P2
p9399
SI password inp
p9761
SI password new
p9762
SI ackn password
p9763

Table of Contents

Other manuals for Siemens SINAMICS G120

Related product manuals