EasyManua.ls Logo

Siemens SINAMICS G120 - Fig. 2-38 2468 - Receive telegram, free interconnection via BICO (p0922 = 999)

Siemens SINAMICS G120
750 pages
To Next Page IconTo Next Page
To Next Page IconTo Next Page
To Previous Page IconTo Previous Page
To Previous Page IconTo Previous Page
Loading...
Function diagrams
Communication
2-536
© Siemens AG 2011 All Rights Reserved
SINAMICS G120 / Control Units CU240B/E-2 Parameter Manual (LH11), 01/2011
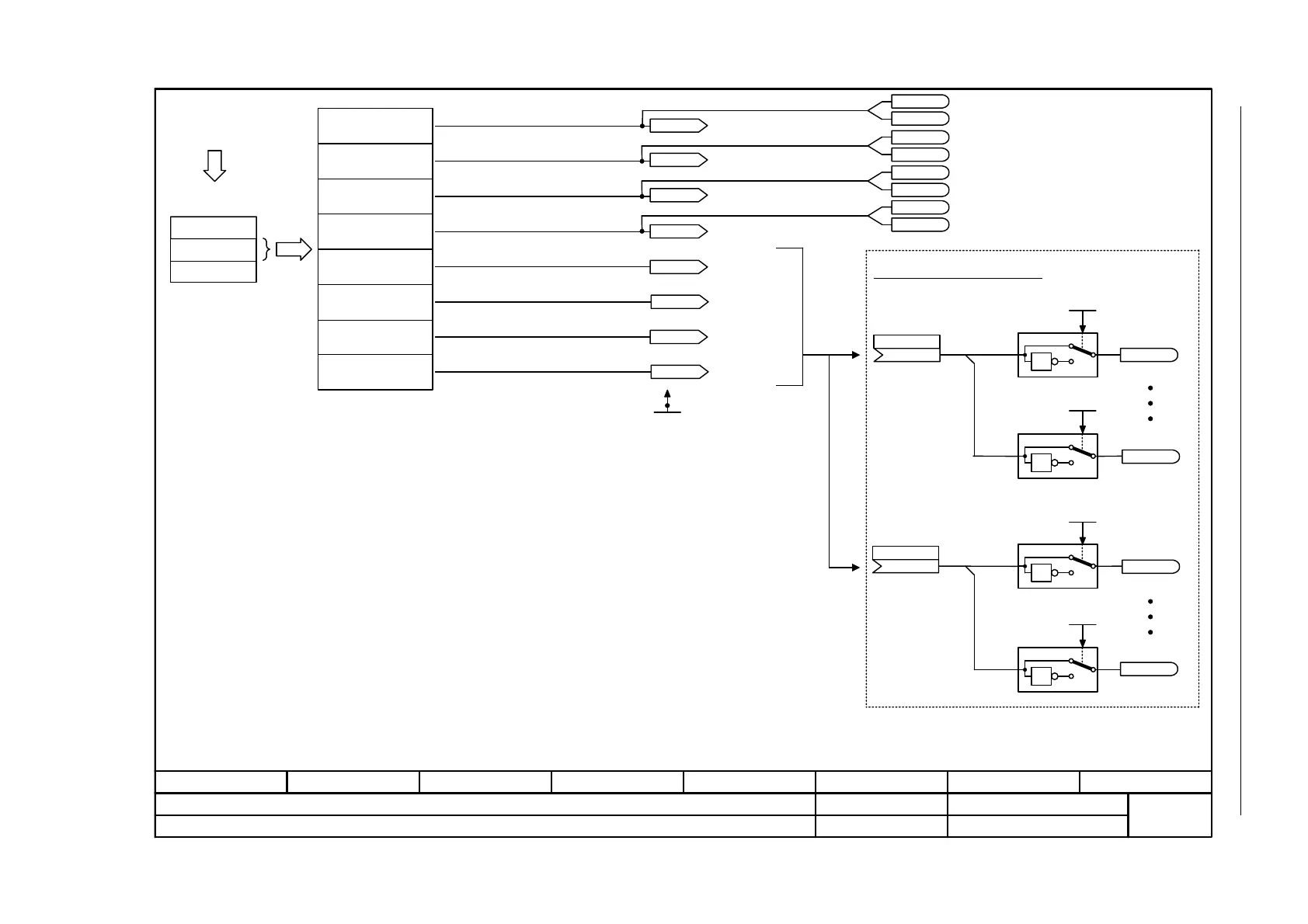
Fig. 2-38 2468 – Receive telegram, free interconnection via BICO (p0922 = 999)
- 2468 -
Function diagram
87654321
FP_2468_97_51.vsd
PROFIdrive / PROFIBUS
G120 CU240B/E-2 DP
13.12.2010 V4.4
Receive telegram, free interconnection via BICO (p0922 = 999)
...
...
<3>
<2>
<1>
<2>
<3>
<1>
1
0
1
1
0
1
1
0
1
1
0
1
<2>
PROFIBUS
PROFIdrive
receive telegram
Header
Data
Trailer
PZD receive word 1
PZD receive word 2
PZD receive word 3
PZD receive word 4
PZD receive word 5
PZD receive word 6
In order to maintain the PROFIdrive profile, receive word 1 must be used as control word (STW1)
(due to bit 10 "control requested").
Using the connector-binector converters, the bits can be extracted from two of the PZD receive words 3 to 8 and used as binectors.
The following representation applies for words: 4000 hex = 100 %.
The reference variables p200x apply for the ongoing interconnection (100 % -> p200x).
The following applies for temperature values: 100° C -> 100 % = 4000 hex, 0° C -> 0 %.
Reference quantities for further
interconnection
p200x
2 connector-binector converter
Con/bin outp
r2094
Con/bin outp inv
p2098
[0].0
Con/bin outp inv
p2098
[0].15
Con/bin outp inv
p2098
[1].0
Con/bin outp inv
p2098
[1].15
Con/bin S_src
(0)
p2099
[1]
Con/bin S_src
(0)
p2099
[0]
r2050
PZD recv word
[0]
r2050
PZD recv word
[1]
r2050
PZD recv word
[2]
r2050
PZD recv word
[3]
r2050
PZD recv word
[4]
r2050
PZD recv word
[5]
Con/bin outp
r2094
.15
Con/bin outp
r2095
.0
Con/bin outp
r2095
.15
.0
PZD1 recv bitw
r2090.0
PZD1 recv bitw
r2090
.15
PZD2 recv bitw
r2091.0
PZD2 recv bitw
r2091
.15
PZD receive word 7
PZD receive word 8
r2050
PZD recv word
[6]
r2050
PZD recv word
[7]
...
PZD3 recv bitw
r2092.0
PZD3 recv bitw
r2092
.15
...
PZD4 recv bitw
r2093
.0
PZD4 recv bitw
r2093
.15

Table of Contents

Other manuals for Siemens SINAMICS G120

Related product manuals