EasyManua.ls Logo

Siemens SINAMICS G120 - Fig. 2-57 2634 - Sequence control - Missing enable signals

Siemens SINAMICS G120
750 pages
To Next Page IconTo Next Page
To Next Page IconTo Next Page
To Previous Page IconTo Previous Page
To Previous Page IconTo Previous Page
Loading...
Function diagrams
Internal control/status words
2-556
© Siemens AG 2011 All Rights Reserved
SINAMICS G120 / Control Units CU240B/E-2 Parameter Manual (LH11), 01/2011
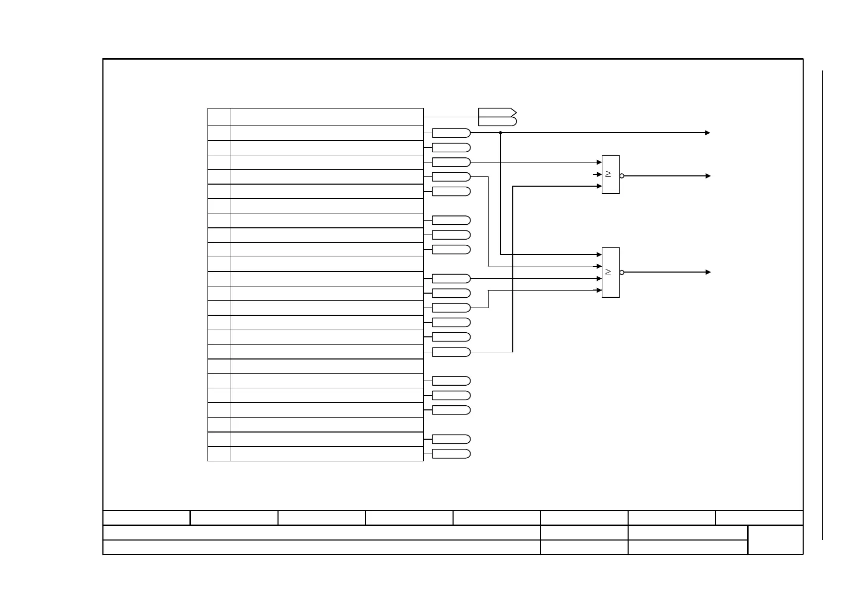
Fig. 2-57 2634 – Sequence control - Missing enable signals
- 2634 -
Function diagram
87654321
FP_2634_97_61.vsd
Internal control/status words
G120 CU240B/E-2
13.12.2010 V4.4
Sequence control - Missing enable signals
1
0
2
3
4
...
10
11
12
...
16
17
18
19
20
21
...
...
30
31
r0046.0
r0046.1
r0046.2
r0046.3
r0046.4
r0046.10
r0046.11
r0046.12
r0046.16
r0046.17
r0046.18
r0046.19
r0046.20
r0046.
r0046.
r0046.
r0046.30
r0046.31
1
1
Missing enable signals (r0046)
Bit No.
Missing enable sig
r0046
r0046
1 = OFF1 enable missing
1 = OFF2 enable missing
1 = OFF3 enable missing
1 = Operation enable missing
1 = DC current brake, enable missing
1 = Ramp-function generator enable missing
Reserved
1 = Ramp-function generator start missing
1 = Setpoint enable missing
Reserved
1 = OFF1 enable internal missing
1 = OFF2 enable internal missing
1 = OFF3 enable internal missing
1 = Pulse enable internal missing
1 = DC current brake, internal enable missing
1 = PU enable missing
1 = Drive inactive or not operational
1 = Demagnetizing not completed
1 = Brake open missing
1 = Speed controller inhibited
1 = Jog setpoint active
Reserved
Reserved
r0046.21
26
27
28
26
27
28
[3020.5]
0 = Internal fast stop
1 = Internal RFG enable
Fault with OFF3 response
[3060.2]
[3060.4]
[3070.2]
[3070.4]
[3060.2]
[3070.2]

Table of Contents

Other manuals for Siemens SINAMICS G120

Related product manuals