EasyManua.ls Logo

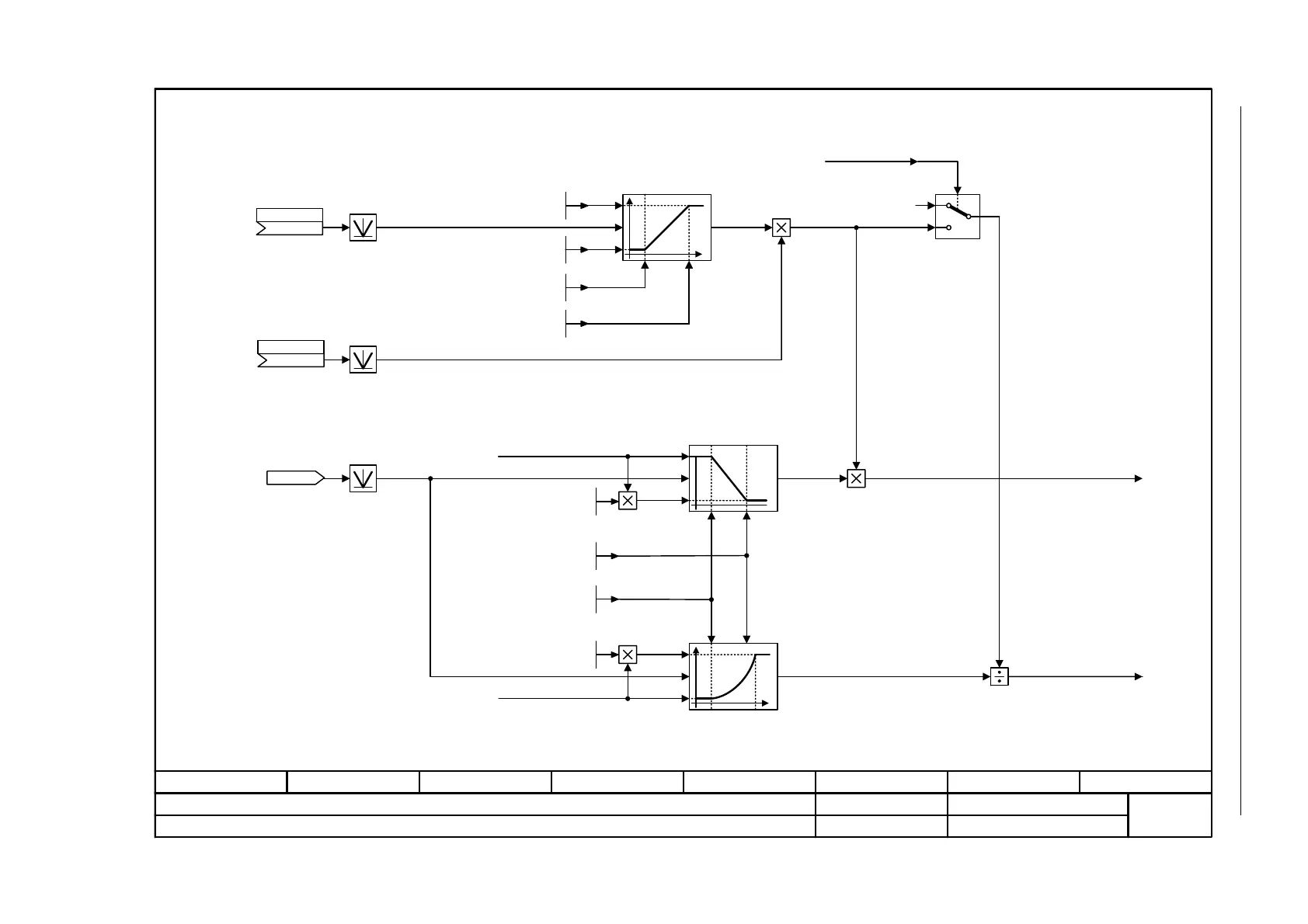
Siemens SINAMICS G120 - Fig. 2-86 6050 - Kp_n;Tn_n adaption

Siemens SINAMICS G120
750 pages
To Next Page IconTo Next Page
To Next Page IconTo Next Page
To Previous Page IconTo Previous Page
To Previous Page IconTo Previous Page
Loading...
Function diagrams
Vector control
2-590
© Siemens AG 2011 All Rights Reserved
SINAMICS G120 / Control Units CU240B/E-2 Parameter Manual (LH11), 01/2011
Fig. 2-86 6050 – Kp_n/Tn_n adaption
- 6050 -
Function diagram
87654321
FP_6050_97_51.vsd
Vector control
G120 CU240B/E-2
13.12.2010 V4.4
Kp_n/Tn_n adaption
[6040.8]
Tn_n_adapt
y
x
[6040.8]
Tn
Kp
n
Kp
Kp_n_adapt
x
n
n
Tn
n
Kp_n_basic
Tn_n_basic
1
1
0
<1>
<1>
<1>
<1>
<1>
[6490.7]
Free Kp_n adaptation
Speed-dependent Kp_n/Tn_n adaptation
If the lower transition point exceeds the upper transition point, the Kp-adaptation also changes over.
Free Tn adaptation active (p1400.6)
To the speed controller
[6040.4]
Adapt_factor upper
0.0 ... 200000.0 [%]
p1459 [D] (100.0)
n_ctrl AdaptKpLow
0.00 ... 400.00 [%]
p1456 [D] (0.00)
n_ctrl AdaptKp up
0.00 ... 400.00 [%]
p1457 [D] (0.00)
n_ctrl Adpt_sig Kp
(0)
p1455 [C]
n_ctrl Kp scal
(1)
p1466 [C]
r0063
n_act [1/min]
[0]
n_ctrl Kp n upper
0.0 ... 200000.0 [%]
p1461 [D] (100.0)
n_ctrl Tn n upper
0.0 ... 200000.0 [%]
p1463 [D] (100.0)
n_ctrl n upper
0.00 ... 210000.00 [1/min]
p1465 [D] (210000.00)
n_ctrl n lower
0.00 ... 210000.00 [1/min]
p1464 [D] (0.00)
To the speed controller
[6040.4]
Adapt_factor lower
0.0 ... 200000.0 [%]
p1458 [D] (100.0)

Table of Contents

Other manuals for Siemens SINAMICS G120

Related product manuals