EasyManua.ls Logo

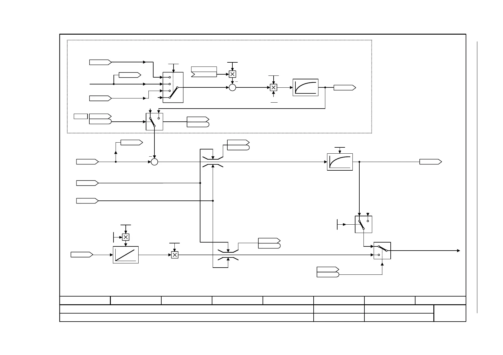
Siemens SINAMICS G120 - Fig. 2-83 6030 - Speed setpoint, droop

Siemens SINAMICS G120
750 pages
To Next Page IconTo Next Page
To Next Page IconTo Next Page
To Previous Page IconTo Previous Page
To Previous Page IconTo Previous Page
Loading...
Vector control
Function diagrams
2-587
© Siemens AG 2011 All Rights Reserved
SINAMICS G120 / Control Units CU240B/E-2 Parameter Manual (LH11), 01/2011
Fig. 2-83 6030 – Speed setpoint, droop
- 6030 -
Function diagram
87654321
FP_6030_97_54.vsd
Vector control
G120 CU240B/E-2
13.12.2010 V4.4
Speed setpoint, droop
3
2
1
0
0
10
0
+
0
1
0
[6060.8]
[3050.8]
[3050.8]
[3080.8]
[6040.8]
[6060.5]
[6060.8]
[6730.1]
[6060.3]
[2520.7]
p1492
[2522.3]
[2522.3]
<2>
<1>
[2522.3]
[6031.1]
1 0
[6799.1]
r1482
n_ctrl I-M_output [Nm]
r0079
M_set total [Nm]
STW n_ctrl
r1406
r1406
.11
r1508
M_set bef. M_suppl [Nm]
Droop input source
0 ... 3
p1488 [D] (0)
Droop scaling
0.000 ... 0.500
p1489 [D] (0.050)
ZSW n_ctrl
r1407
r1407
.10
r0060
n_set before filt. [1/min]
r1170
n_ctrl setp sum [1/min]
ZSW n_ctrl
r1407
r1407
.11
r1490
Droop n_reduction [1/min]
Droop input
n_set_filt 1 T
0.00 ... 5000.00 [ms]
p1416 [D] (0.00)
r0062
n_set after filter [1/min]
Mot MomInert Ratio
1.000 ... 10000.000
p0342 [D] (1.000)
Mot M_mom of inert
0.000000 ... 100000.000000 [kgm²]
p0341 [D] (0.000000)
a for M_ctrl scal
0.0 ... 400.0 [%]
p1499 [D] (100.0)
r0079
M_set total [Nm]
ZSW n_ctrl
r1407
r1407
.11
ZSW n_ctrl
r1407
r1407
.2
n_ctrl config
p1400.15
1 = Sensorless vector control,
speed pre-control active
Pre-control speed
Only active, if p1488 > 0
150 ms
Droop M_comp scal
-2000.0 ... 2000.0 [%]
p1487 [D] (100.0)
Droop M_comp
(0)
p1486 [C]
N
M
n
N
r1084
n_limit pos eff [1/min]
r1087
n_limit neg eff [1/min]
<2>
<1>
Scaling: p1489 = 0.100 - for a rated motor torque of r0333 - results in a speed setpoint reduction of 0.1 x p0311.

Table of Contents

Other manuals for Siemens SINAMICS G120

Related product manuals