EasyManua.ls Logo

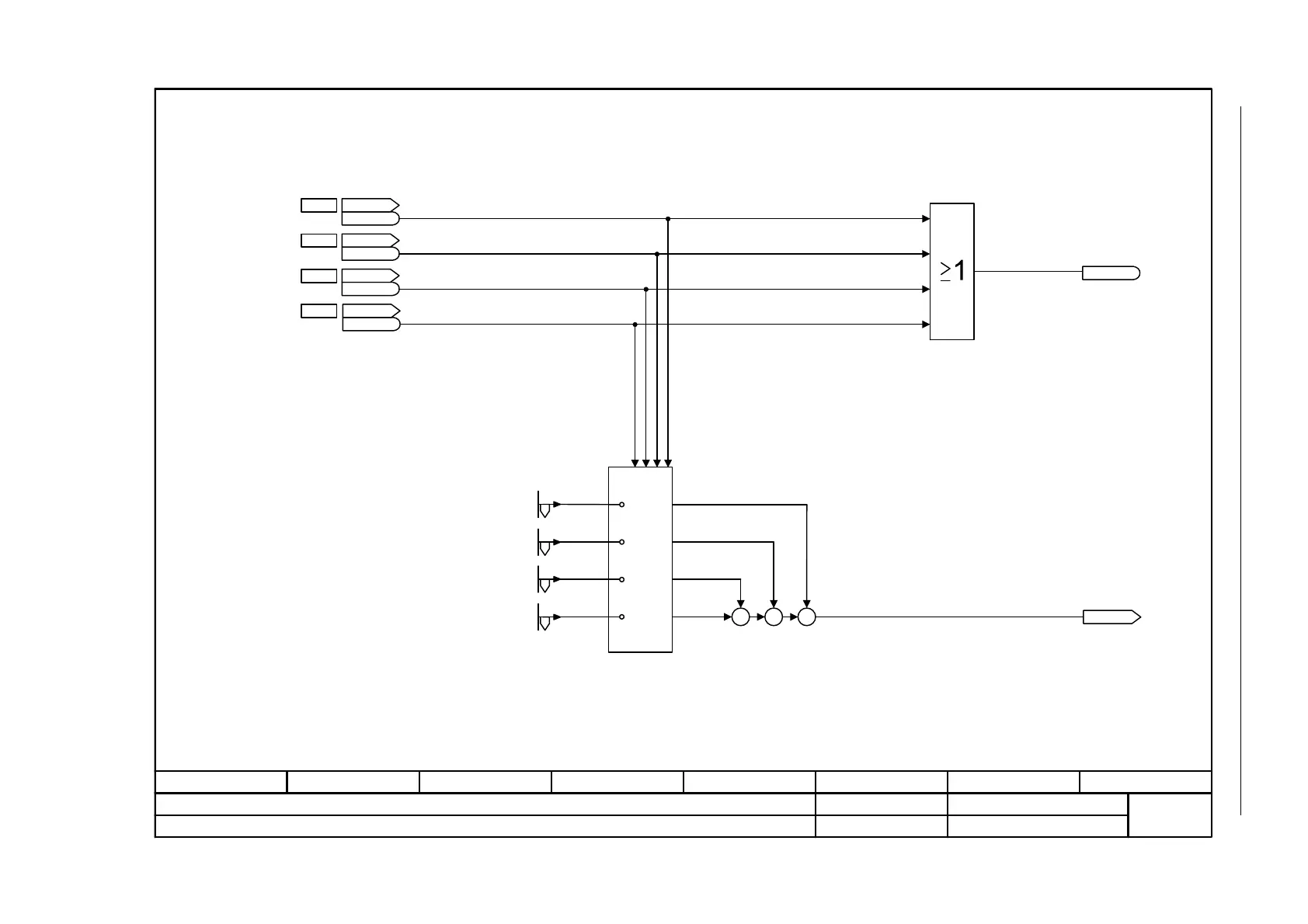
Siemens SINAMICS G120 - Fig. 2-72 3011 - Fixed speed setpoints, direct selection (p1016 = 1)

Siemens SINAMICS G120
750 pages
To Next Page IconTo Next Page
To Next Page IconTo Next Page
To Previous Page IconTo Previous Page
To Previous Page IconTo Previous Page
Loading...
Function diagrams
Setpoint channel
2-574
© Siemens AG 2011 All Rights Reserved
SINAMICS G120 / Control Units CU240B/E-2 Parameter Manual (LH11), 01/2011
Fig. 2-72 3011 – Fixed speed setpoints, direct selection (p1016 = 1)
- 3011 -
Function diagram
87654321
FP_3011_97_51.vsd
Setpoint channel
G120 CU240B/E-2
13.12.2010 V4.4
Fixed speed setpoints, direct selection (p1016 = 1)
+
++
0 0 0 1
0 0 1 0
1 0 0 0
0 1 0 0
+++
n_set_fixed 1
-210000.000 ... 210000.000 [1/min]
p1001 [D] (0.000)
r1024
n_set_fixed eff [1/min]
n_setp_fix status
r1025
[2505.2]
p1020
[2505.2]
p1021
[2505.2]
p1022
[2505.2]
p1023
STW setpoint chan
r1198
r1198
.0
STW setpoint chan
r1198
r1198
.1
STW setpoint chan
r1198
r1198
.2
STW setpoint chan
r1198
r1198
.3
n_set_fixed 2
-210000.000 ... 210000.000 [1/min]
p1002 [D] (0.000)
n_set_fixed 3
-210000.000 ... 210000.000 [1/min]
p1003 [D] (0.000)
n_set_fixed 4
-210000.000 ... 210000.000 [1/min]
p1004 [D] (0.000)

Table of Contents

Other manuals for Siemens SINAMICS G120

Related product manuals