EasyManua.ls Logo

Siemens SINAMICS G120 - Fig. 2-28 2410 - PROFIBUS, addresses and diagnostics

Siemens SINAMICS G120
750 pages
To Next Page IconTo Next Page
To Next Page IconTo Next Page
To Previous Page IconTo Previous Page
To Previous Page IconTo Previous Page
Loading...
Function diagrams
Communication
2-526
© Siemens AG 2011 All Rights Reserved
SINAMICS G120 / Control Units CU240B/E-2 Parameter Manual (LH11), 01/2011
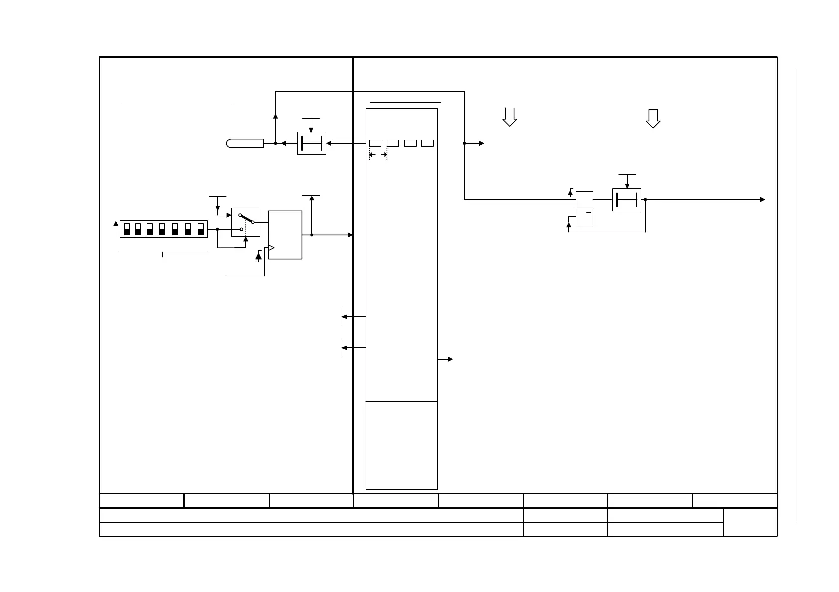
Fig. 2-28 2410 – PROFIBUS, addresses and diagnostics
- 2410 -
Function diagram
87654321
FP_2410_97_61.vsd
PROFIdrive / PROFIBUS
G120 CU240B/E-2 DP
13.12.2010 V4.4
PROFIBUS (PB), addresses and diagnostics
<1>
t
S Q
R Q
T0
ON
1 2 4 8 16 32 64
1..126
T0
CU-specific functions
Setting the PROFIBUS address
DIP switch on the control unit
Significance
All DIP switches to ON or OFF
==> set the address using p0918
POWER ON
Actual
PROFIBUS
address
Memory
SET
Drive-specific functions
Monitoring functions
Cyclic
telegrams from
the master
Alarms
A01920 "PROFIBUS: Cyclic connection interrupted"
t > t_response <1>
No cyclic telegrams from the
master
Faults
F01910 "PROFIBUS setpoint timeout"
No telegrams from the master
A01900 "PROFIBUS: Configuration telegram incorrect"
A01901 "PROFIBUS: Parameterizing telegram incorrect"
The response monitoring time t_An is automatically defined by
the configuration tool (e.g. HW Config made by Siemens) within
the framework of PROFIBUS configuration.
Diagnostic
parameters
PD PZD state
r2043.0
PB address
1 ... 126
p0918 (126)
PB status
r2054
PD fault delay
0 ... 100 [s]
p2044 (0)
PB suppl t_monit
0 ... 20000 [ms]
p2047 (0)
p0918
BUS ADDRESS
PB diag standard
r2055[0..2]

Table of Contents

Other manuals for Siemens SINAMICS G120

Related product manuals