EasyManua.ls Logo

Siemens SINAMICS G120 - Fig. 2-135 8021 - Monitoring functions 2

Siemens SINAMICS G120
750 pages
To Next Page IconTo Next Page
To Next Page IconTo Next Page
To Previous Page IconTo Previous Page
To Previous Page IconTo Previous Page
Loading...
Signals and monitoring functions
Function diagrams
2-643
© Siemens AG 2011 All Rights Reserved
SINAMICS G120 / Control Units CU240B/E-2 Parameter Manual (LH11), 01/2011
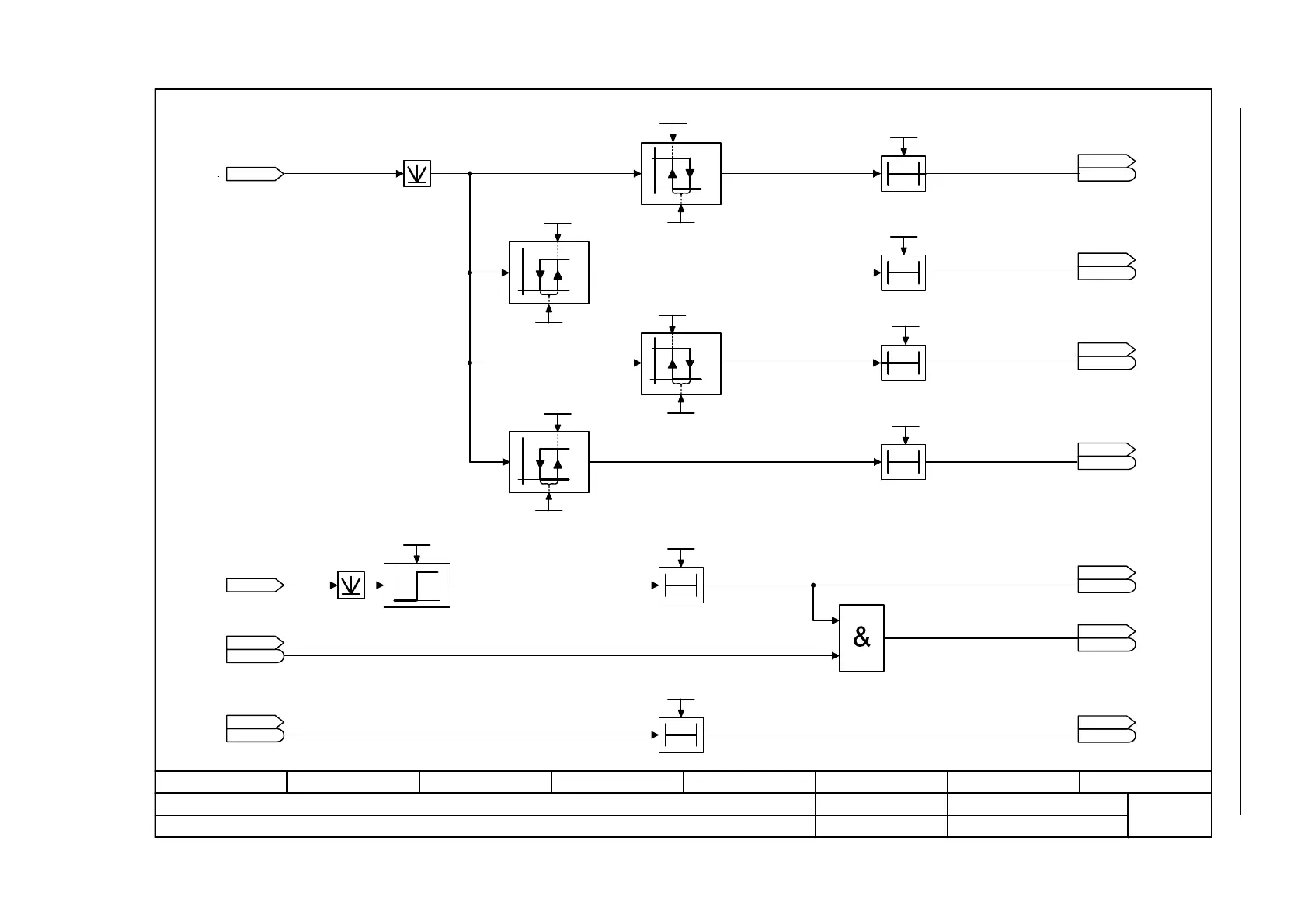
Fig. 2-135 8021 – Monitoring functions 2
- 8021 -
Function diagram
87654321
FP_8021_97_51.vsd
Signals and monitoring functions
G120 CU240B/E-2
13.12.2010 V4.4
Monitoring functions 2
0
1
[8010.2]
[6799.8]
[8010.8]
0T
0T
0T
0
1
T0
T0
T0
0
1
[8011.8]
0
1
0
1
r2169
n_act smth message [1/min]
r0080
M_act [Nm]
ZSW monitor 3
r2199
r2199
.5
ZSW monitor 1
r2197
r2197
.6
ZSW monitor 2
r2198
r2198
.0
|n_act| <= p2157
ZSW monitor 2
r2198
r2198
.1
|n_act| > p2157
ZSW monitor 2
r2198
r2198
.2
|n_act| <= p2159
ZSW monitor 2
r2198
r2198
.3
|n_act| > p2159
ZSW monitor 2
r2198
r2198
.13
|M_act| > p2174
ZSW monitor 2
r2198
r2198
.9
|M_act| > p2174 without
acceleration
ZSW monitor 1
r2197
r2197
.12
|n_act| > n_max delay
Ramp-up/ramp-down completed
|n_act| > n_max
n_thresh val 5
p2157
n_hysteresis 3
p2150
Del compar n_5
p2158
Del compar n_5
p2158
Del compar n_6
p2160
Del compar n_6
p2160
n_thresh val 5
p2157
n_hysteresis 3
p2150
n_thresh val 6
p2159
n_hysteresis 3
p2150
n_thresh val 6
p2159
n_hysteresis 3
p2150
M_thrsh comp T_del
p2176
M_thresh val 1
p2174
Del n > n_max
p2152

Table of Contents

Other manuals for Siemens SINAMICS G120

Related product manuals