EasyManua.ls Logo

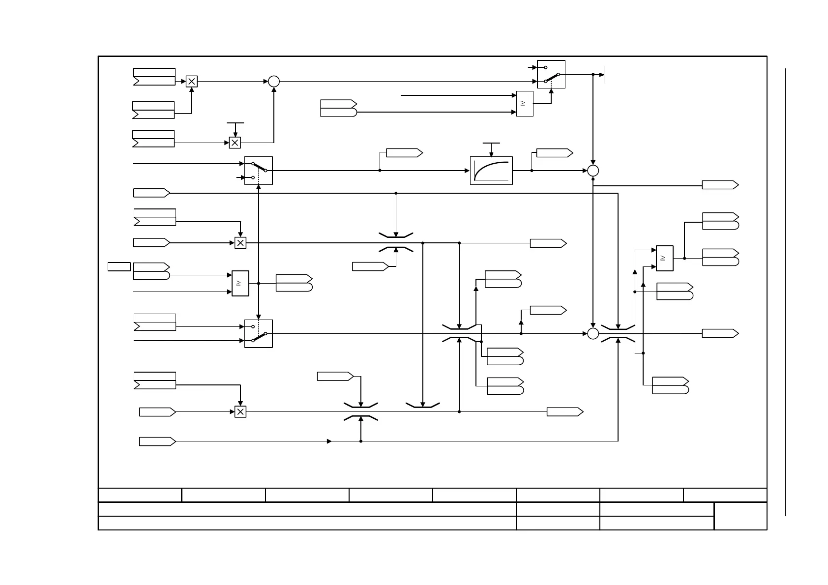
Siemens SINAMICS G120 - Fig. 2-87 6060 - Torque setpoint

Siemens SINAMICS G120
750 pages
To Next Page IconTo Next Page
To Next Page IconTo Next Page
To Previous Page IconTo Previous Page
To Previous Page IconTo Previous Page
Loading...
Vector control
Function diagrams
2-591
© Siemens AG 2011 All Rights Reserved
SINAMICS G120 / Control Units CU240B/E-2 Parameter Manual (LH11), 01/2011
Fig. 2-87 6060 – Torque setpoint
- 6060 -
Function diagram
87654321
FP_6060_97_51.vsd
Vector control
G120 CU240B/E-2
13.12.2010 V4.4
Torque setpoint
1
p1300 = M
Reg
0
1
0
0
1
[6640.8]
[6030.1]
[6710.1]
[8012.1]
[2522.3]
[2522.3]
[6030.5]
[6640.8]
[2522.3]
[2522.3]
[2522.3]
+
+
+
+
[2520.7]
p1501
+
+
[6030.1]
[6722.1]
0
1
0
1
[6490.7]
<1>
<2>
<1>
<1><1> <2><2>
[6630.8]
[6630.8]
[6031.8]
1
[2526.2]
<3>
M_suppl 1
(0)
p1511 [C]
M_suppl 1 scal
(0)
p1512 [C]
M_suppl 2 scal
-2000.0 ... 2000.0 [%]
p1514 [D] (100.0)
M_suppl 2
(0)
p1513 [C]
Calculated accelerating torque
r1538
M_max upper eff [Nm]
STW n_ctrl
r1406
r1406
.12
M_set
(0)
p1503 [C]
0 = Speed control
1 = Torque control
M_set from the speed controller
r1539
M_max lower eff [Nm]
STW seq_ctrl
r0898
r0898
.8
The signal is only effective after magnetization has been
completed (r0056.4 = 1).
No pre-control if the Vdc controller is active [6220.8].
Acceleration control is inhibited for p1517 = 100 ms.
p1400.14 1 = Torque pre-control
1 = Speed controller enable
r1518
M_accel [Nm]
[0]
ZSW n_ctrl
r1407
r1407
.2
M_accel T_smooth
0.00 ... 100.00 [ms]
p1517 [D] (4.00)
r1518
M_accel [Nm]
[1]
ZSW n_ctrl
r1407
r1407
.8
r1508
M_set bef. M_suppl [Nm]
ZSW n_ctrl
r1407
r1407
.9
M_suppl total [Nm]
r1515
r1516
M_suppl + M_accel [Nm]
ZSW cl-loop ctrl
r0056
r0056
.13
ZSW n_ctrl
r1407
r1407
.7
ZSW n_ctrl
r1407
r1407
.8
r0079
M_set total [Nm]
ZSW n_ctrl
r1407
r1407
.9
Torque limiting
r1538
M_max upper eff [Nm]
r1539
M_max lower eff [Nm]
[2501.7]
<4>
<3>
M_set is also influenced by the speed limit controller.
<4>
r1526
M_max up w/o offs [Nm]
r1527
M_max low w/o offs [Nm]
r1547
M_max outp n_ctrl [Nm]
[0]
r1547
M_max outp n_ctrl [Nm]
[1]
<5>
<5>
<5>
The connection to the source for the torque setpoint is
estabished automatically via the setting in p1500.
ZSW n_ctrl
r1407
r1407
.15
M_max low w/o offs
(1)
p1554 [C]
[6630.8]
M_max up w/o offs
(1)
p1552 [C]
[6040]

Table of Contents

Other manuals for Siemens SINAMICS G120

Related product manuals