EasyManua.ls Logo

Siemens SINAMICS G120 - Fig. 2-42 2503 - Status word, sequence control

Siemens SINAMICS G120
750 pages
To Next Page IconTo Next Page
To Next Page IconTo Next Page
To Previous Page IconTo Previous Page
To Previous Page IconTo Previous Page
Loading...
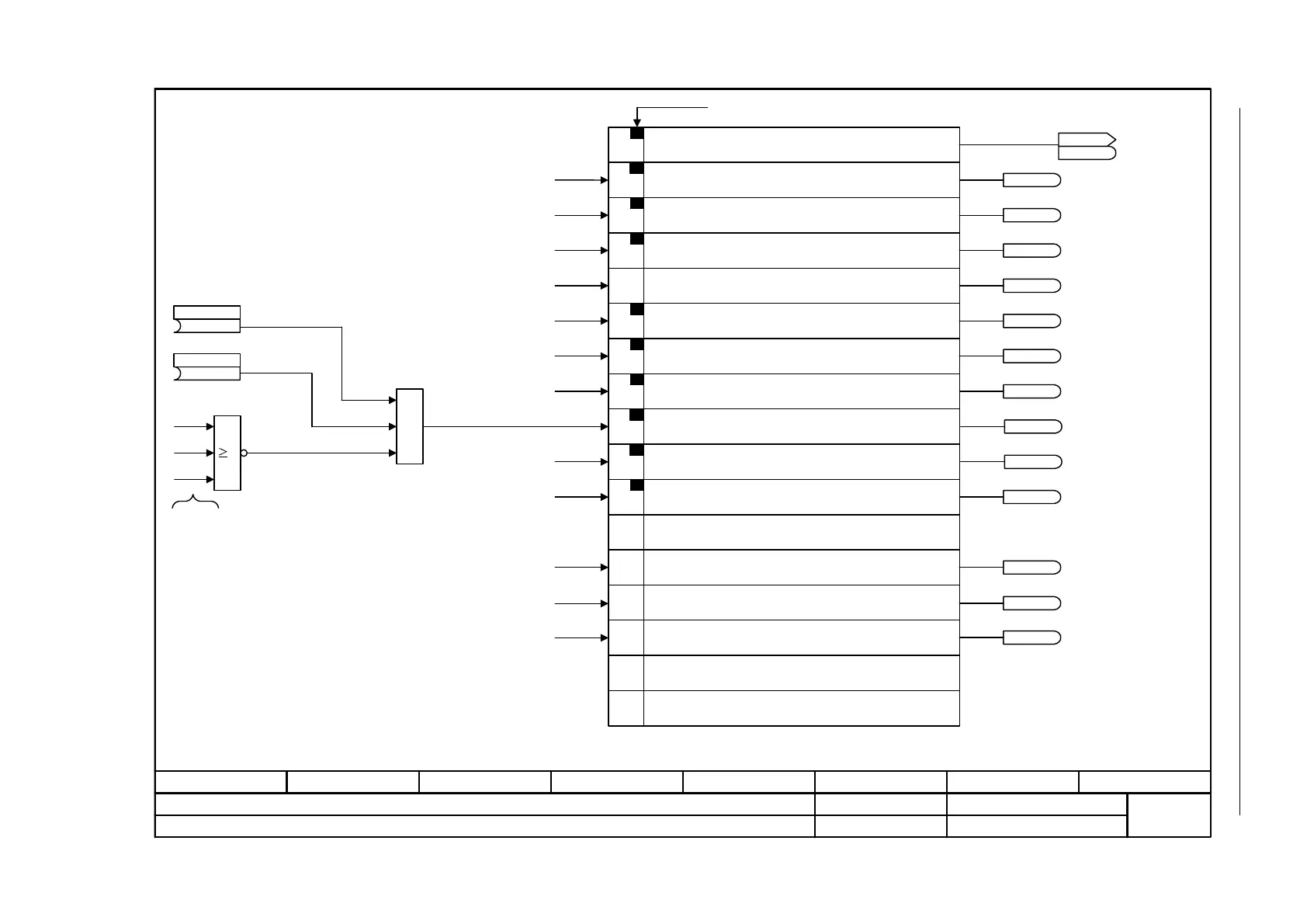
Internal control/status words
Function diagrams
2-541
© Siemens AG 2011 All Rights Reserved
SINAMICS G120 / Control Units CU240B/E-2 Parameter Manual (LH11), 01/2011
Fig. 2-42 2503 – Status word, sequence control
- 2503 -
Function diagram
87654321
FP_2503_97_53.vsd
Internal control/status words
G120 CU240B/E-2
13.12.2010 V4.4
Status word, sequence control
11
12
13
14
15
PROFIdrive-Bit
10
9
8
7
6
5
4
3
0
1
2
r0899.0
r0899.1
r0899.4
r0899.5
r0899.11
r0899.2
r0899.6
r0899.9
r0899.3
r0899.7
r0899.8
1
&
(1)
OFF2 S_src 2
p0845 [C]
(1)
OFF3 S_src 2
p0849 [C]
OFF1
OFF2
OFF3
Enable internal
missing or
fault with
this reaction
From the control unit
From the control unit
From the control unit
From the control unit
From the control unit
From the control unit
From the control unit
From the control unit
Bit 9 = 1 --> Ready to exchange process data
From the control unit
The drive is ready to accept data.
Status word sequence control (r0899)
1 = Ready for switching on
1 = Ready for operation (DC link loaded, pulses inhibited)
1 = Operation enabled (drive follows n_set)
1 = Jog active
1 = No coast down active (OFF2 inactive)
1 = No fast stop active (OFF3 inactive)
1 = Switching on inhibited active
1 = Drive ready
1 = Controller enable
1 = Control requested
Reserved
1 = Pulses enabled
Reserved
Reserved
ZSW seq_ctrl
r0899
r0899
Bit No.
<1>
1 = Command close holding brake
1 = Open holding brake
<1>
From the brake control [2701.8]
From the brake control [2701.8]
r0899.12
r0899.13

Table of Contents

Other manuals for Siemens SINAMICS G120

Related product manuals