EasyManua.ls Logo

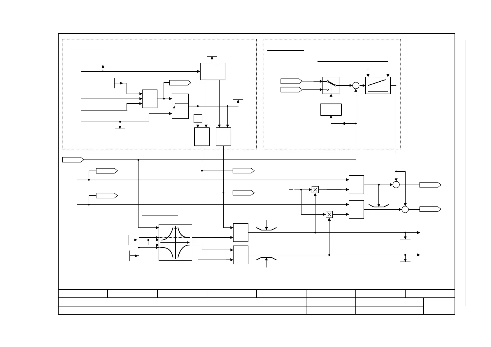
Siemens SINAMICS G120 - Fig. 2-92 6640 - Current;power;torque limits

Siemens SINAMICS G120
750 pages
To Next Page IconTo Next Page
To Next Page IconTo Next Page
To Previous Page IconTo Previous Page
To Previous Page IconTo Previous Page
Loading...
Function diagrams
Vector control
2-596
© Siemens AG 2011 All Rights Reserved
SINAMICS G120 / Control Units CU240B/E-2 Parameter Manual (LH11), 01/2011
Fig. 2-92 6640 – Current/power/torque limits
- 6640 -
Function diagram
87654321
FP_6640_97_51.vsd
Vector control
G120 CU240B/E-2
13.12.2010 V4.4
Current/power/torque limits
<1>
Iq
M
22
yx
-1
Min
Max Min
Min
Min
Max
+
-
+
+
+
[6722.1]
[6723.4]
[6724.4]
[6630.8]
[6630.8]
[6721.8]
[6730.1]
[6732.1]
[6060.1] [6040.4]
[8012.1]
[6710.1]
[3050.8]
<1>
<2>
[8016.8]
[6730.4]
[6731.4]
[6723.8]
[6722.1]
x
y
[6060.1] [6040.4]
[8012.1]
+
+
<2>
<1>
Max
[6710.1]
[3050.8]
n
Iq
Current limiting
I_max reduction
I_max Power Module
Id_set total
Power limiting
Iq stall
calculation
Intervention by the Vdc controller.
Intervention when the speed limit is exceeded + 2 % n_rated.
Speed limiting
Kp from speed controller [6040.5]
Tn from speed controller [6040.6]
Speed limiting controller
U_output max [Veff]
r0071
Mot L_leak total [mH]
r0377 [D]
Iq_max total [Aeff]
r1533
Current limit
0.00 ... 10000.00 [Aeff]
p0640 [D] (0.00)
Id_setp total [Aeff]
r1624
P_max gen
-100000.00 ... -0.01 [kW]
p1531 [D] (-0.01)
P_max mot
0.00 ... 100000.00 [kW]
p1530 [D] (0.00)
r1538
M_max upper eff [Nm]
r1539
M_max lower eff [Nm]
Isq_max [Aeff]
r1536
Isq_min [Aeff]
r1537
r1084
n_limit pos eff [1/min]
r1087
n_limit neg eff [1/min]
r1527
M_max low w/o offs [Nm]
r1526
M_max up w/o offs [Nm]
r0067
I_outp max [Aeff]
r0063
n_act [1/min]
[0]
r1548
Isq_max stall [Aeff]
[0]
r1548
Isq_max stall [Aeff]
[1]
Lower limit
Upper limit
Sign
+ or -

Table of Contents

Other manuals for Siemens SINAMICS G120

Related product manuals