EasyManua.ls Logo

Siemens SINAMICS G120 - Fig. 2-59 2800 - Basic Functions, Parameter Manager

Siemens SINAMICS G120
750 pages
To Next Page IconTo Next Page
To Next Page IconTo Next Page
To Previous Page IconTo Previous Page
To Previous Page IconTo Previous Page
Loading...
Function diagrams
Safety Integrated
2-560
© Siemens AG 2011 All Rights Reserved
SINAMICS G120 / Control Units CU240B/E-2 Parameter Manual (LH11), 01/2011
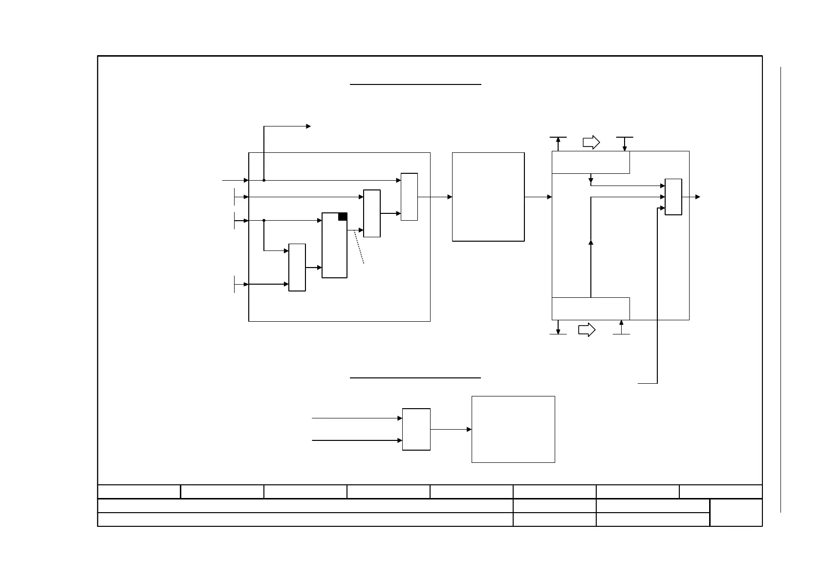
Fig. 2-59 2800 – Basic Functions, Parameter Manager
- 2800 -
Function diagram
87654321
FP_2800_97_63.vsd
Safety Integrated
G120 CU240E-2 <**>
13.12.2010 V4.4
Basic Functions, Parameter Manager
p9601 = 0
[2810.3]
x
p9801 = 0
[2810.3]
y
<1>
<1>
=
=
SET
y = x
=
<1>
<1>
<1>
<2>
<3>
<3>
=
&
& &
<2>
<3>
SI act chksm P1
r9798
Changing safety parameters
Resetting safety parameters
Safety parameterizing
enable
Checksum check
for safety
parameters
Safety parameters
p9601 ... p9899 can
be reset to the factory
settings via p0970,
p3900
Safety parameters
p9601 ... p9899
can be changed
Safety commissioning mode
[2802.1][2810.3]
--> select STO
Effective password
Enter password
Safety Integrated commissioning
p0010 = 95
Safety parameters
p9601 ... p9899
are valid
p0010 unequal 95
Exit safety
commissioning mode
Inhibit safety functions
Comparator, refer to [1021]
Analog signal memory, refer to [1021]
The target checksum must be equal to the actual checksum.
SI password inp
p9761
SI password new
p9762
SI ackn password
p9763
SI setp_chksm P1
p9799
SI act_chksm P2
r9898
SI setp_chksm P2
p9899
<**> Valid for all CU240E-2 variants

Table of Contents

Other manuals for Siemens SINAMICS G120

Related product manuals