EasyManua.ls Logo

Siemens SINAMICS G120 - Fig. 2-95 6721 - Id setpoint (PEM, p0300 = 2 xx)

Siemens SINAMICS G120
750 pages
To Next Page IconTo Next Page
To Next Page IconTo Next Page
To Previous Page IconTo Previous Page
To Previous Page IconTo Previous Page
Loading...
Vector control
Function diagrams
2-599
© Siemens AG 2011 All Rights Reserved
SINAMICS G120 / Control Units CU240B/E-2 Parameter Manual (LH11), 01/2011
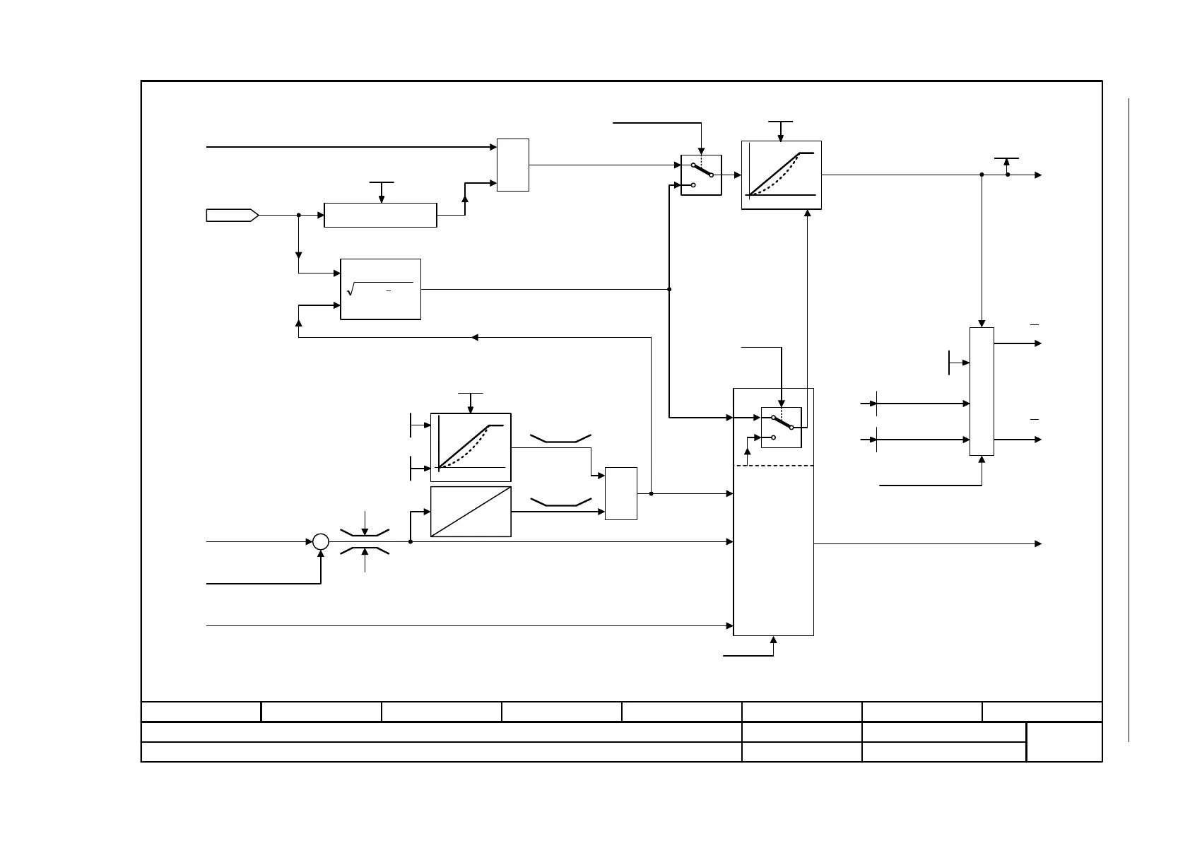
Fig. 2-95 6721 – Id setpoint (PEM, p0300 = 2xx)
- 6721 -
Function diagram
87654321
FP_6721_97_51.vsd
Vector control
G120 CU240B/E-2
13.12.2010 V4.4
Id setpoint (PEM, p0300 = 2xx)
1
0
r1751.0
[6060.6]
[6714]
MAX
MIN
22
Iq
Iabs
[6724]
M
Iq
[6640.5]
[6710.2]
[6799.7]
[6714]
Ld
Lq
kt
Rel
[6731.2]
[6040.4]
[6731.3]
[6060.4]
0.9 x r0067
r1538
r1539
r0067
n-Ctrl = 1
Iabs
pre
M
1
0
Iabs
(r1407.2)
0 = M-Ctrl
1 = n-Ctrl
I
d
Id_inject
Iq
M
From Id_field weakening
r1515 M_suppl total
r1518 M_acceleration
r1762 Mot mod dev comp 1
Load angle correction
from the model
control
M adaptation
To current controller
r1797 MotMod kT corr
from model control
Torque setting value, speed controller
Id_set
Mot phi_load opt
0.0 ... 135.0 [°]
p0327 [D] (90.0)
Mot t_excitation
0.000 ... 20.000 [s]
p0346 [D] (0.000)
M_set static
-200.0 ... 200.0 [%]
p1610 [D] (50.0)
M_suppl_accel
0.0 ... 200.0 [%]
p1611 [D] (30.0)
I_set T_smooth
4 ... 10000 [ms]
p1616 [D] (40)
Id_setp total [Aeff]
r1624
Mot kT_reluctance
-1000.00 ... 1000.00 [mH]
p0328 [D] (0.00)
Mot L_leak total
r0377
Mot L_stator_d
r0378
PEM: Permanent-magnet synchronous motor
r0077
Iq_set [Aeff]

Table of Contents

Other manuals for Siemens SINAMICS G120

Related product manuals