EasyManua.ls Logo

Siemens SINAMICS G120 - Fig. 2-73 3020 - Motorized potentiometer

Siemens SINAMICS G120
750 pages
To Next Page IconTo Next Page
To Next Page IconTo Next Page
To Previous Page IconTo Previous Page
To Previous Page IconTo Previous Page
Loading...
Setpoint channel
Function diagrams
2-575
© Siemens AG 2011 All Rights Reserved
SINAMICS G120 / Control Units CU240B/E-2 Parameter Manual (LH11), 01/2011
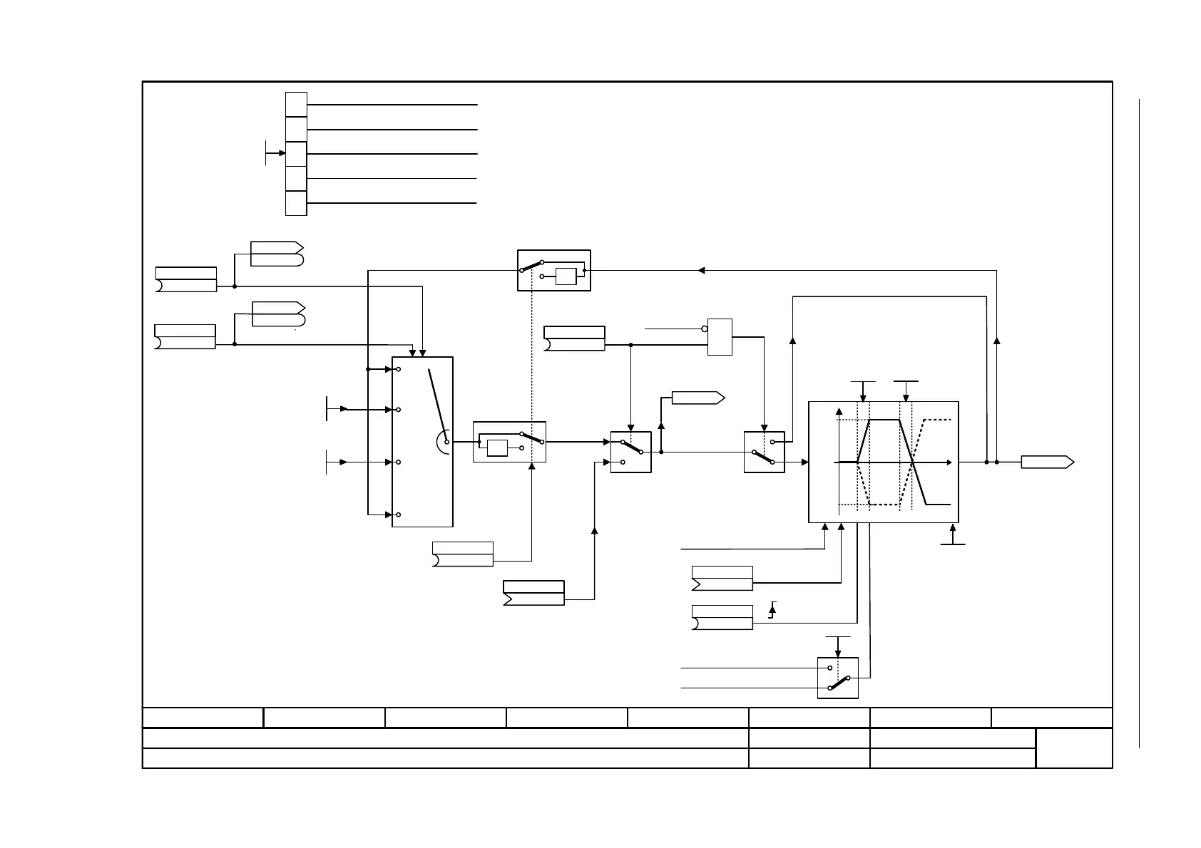
Fig. 2-73 3020 – Motorized potentiometer
- 3020 -
Function diagram
87654321
FP_3020_97_51.vsd
Setpoint channel
G120 CU240B/E-2
13.12.2010 V4.4
Motorized potentiometer
-1
0
1
<1>
<1>
1
0
0 0
0 1
1 0
1 1
<1>
<3>
<3>
-1
0
1
[2505.7]
[3050.5]
xy
y
p1082
-p1082
x
y = 0
<2>
<2> <2>
[2505.7]
&
p1030.1
0
1
Mop configuration
- ... -
p1030 [D] (0000 0110 bin)
Old value is kept
f_max (reference value for
ramp-function generator p1082)
For automatic commissioning, p1037 and p1038 are set to the
maximum motor frequency or to the rated motor frequency,
provided that f_max_mot has not been specified.
If initial rounding-off is active (p1030.2 = 1), the selected ramp-up/
down times are exceeded accordingly.
Only effective if p1030.0 = 0.
MotP n_max
-210000.000 ... 210000.000 [1/min]
p1037 [D] (0.000)
MotP n_min
-210000.000 ... 210000.000 [1/min]
p1038 [D] (0.000)
(0)
Mop raise
p1035 [C]
(0)
Mop lower
p1036 [C]
STW setpoint chan
r1198
r1198
.13
STW setpoint chan
r1198
r1198
.14
(0)
MotP inv
p1039 [C]
Mop auto setpoint
(0)
p1042 [C]
(0)
Mop manual/auto
p1041 [C]
r1045
Mop n_set bef RFG [1/min]
Mop set val
(0)
p1044 [C]
(0)
MotP acc set val
p1043 [C]
Mop start value
-210000.000 ... 210000.000 [1/min]
p1040 [D] (0.000)
Mop ramp-down time
0.000 ... 1000.000 [s]
p1048 [D] (10.000)
Mop ramp-up time
0.000 ... 1000.000 [s]
p1047 [D] (10.000)
e.g. to [3030.1]
r1050
Mop setp after
RFG [1/min]
0
1
0
1
0
1
0
1
0
1
2
3
Data save active
Automatic mode
Ramp-function generator active
Initial rounding-off active
Save in NVRAM active
The setpoint for the motorized potentiometer is not saved and after ON is entered using p1040.
The setpoint for the motorized potentiometer is saved in a ashion after OFF and after ON set to the saved value.
Without ramp generator in automatic mode (ramp-up/ramp-down time = 0).
With ramp generator in automatic mode.
Without initial rounding.
With initial rounding. The ramp-up/down time set is exceeded accordingly.
Not saved in the NVRAM (NVRAM = Non Volatile Random Access Memory).
Save in NVRAM active.
4
0
1
[2634.8]
1: OFF1 enable missing (r0046.0)
0
1
p1030.4
0:
Ramp-function generator is
always active
Ramp-up encoder inactive with pulse disable.
The ramp-up encoder is calculated independently of the pulse enable.

Table of Contents

Other manuals for Siemens SINAMICS G120

Related product manuals