EasyManua.ls Logo

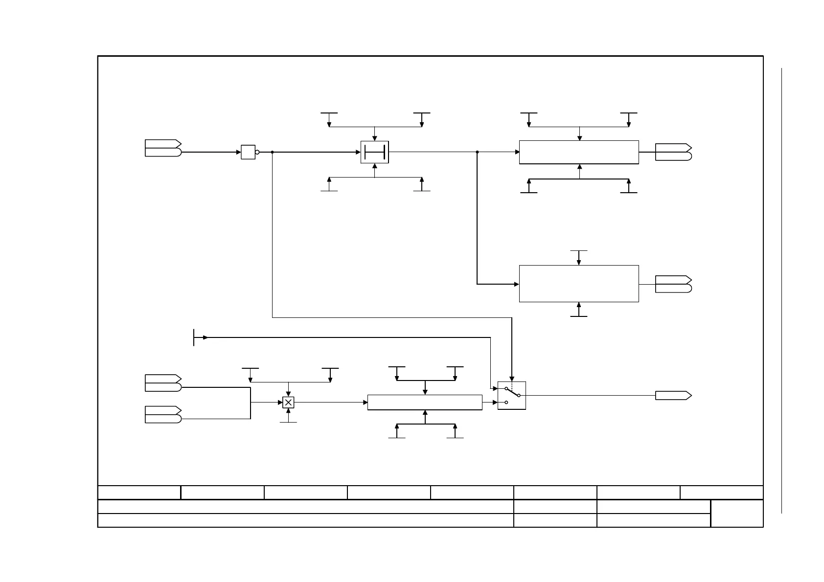
Siemens SINAMICS G120 - Fig. 2-64 2820 - SI Motion, SLS: Safely-Limited Speed

Siemens SINAMICS G120
750 pages
To Next Page IconTo Next Page
To Next Page IconTo Next Page
To Previous Page IconTo Previous Page
To Previous Page IconTo Previous Page
Loading...
Safety Integrated
Function diagrams
2-565
© Siemens AG 2011 All Rights Reserved
SINAMICS G120 / Control Units CU240B/E-2 Parameter Manual (LH11), 01/2011
Fig. 2-64 2820 – SI Motion, SLS: Safely-Limited Speed
- 2820 -
Function diagram
87654321
FP_2820_97_53.vsd
Safety Integrated
G120 CU240E-2 F/DP F
13.12.2010 V4.4
SI Motion, SLS: Safely-Limited Speed
Safe brake-ramp monitoring
[2840.8]
SI Mtn integ stat
r9722
r9722
.4
SLS active
SI Mtn ramp ref P1
600.0000 ... 24000.0000 [1/min]
p9581 (1500.0000)
SI Mtn rp t_mon P1
0.50 ... 1000.00 [s]
p9583 (10.00)
SI Mtn ramp ref P2
600.0000 ... 24000.0000 [1/min]
p9381 (1500.0000)
SI Mtn rp t_mon P2
500.00 ... 1000000.00 [ms]
p9383 (10000.00)
T0
[2840.4]
SI Mtn integ STW
r9720
r9720
.4
SLS deselection
SI Mtn SLS t P2
0.00 ... 600000000.00 [μs]
p9351 (100000.00)
SI Mtn rp t_del P2
10000.00 ... 99000000.00 [μs]
p9382 (250000.00)
1
Safe speed monitoring
SI Mtn SLS lim P1
0.01 ... 100000.00 [1/min]
p9531 (2000.00)
SI Mtn SLS lim P2
0.01 ... 100000.00 [1/min]
p9331 (2000.00)
SI Mtn integ diag
r9723
r9723
.16
Status of the
SBR function
[2840.4]
SI Mtn integ STW
r9720
r9720
.9
Select SLS bit 0
[2840.4]
SI Mtn integ STW
r9720
r9720
.10
Select SLS bit 1
SI Mtn SLS set_lim
0.000 ... 100.000 [%]
p9533 (80.000)
Conversion load side --> motor side
0
1
n_max
0.000 ... 210000.000 [1/min]
p1082 [D] (1500.000)
SI Mtn SLS t P1
0.00 ... 600000.00 [ms]
p9551 (100.00)
SI Mtn ramp t P1
10.00 ... 99000.00 [ms]
p9582 (250.00)
r9733[0..2]
SI Mtn setp_lim [1/min]
Safe acceleration monitoring
<1>
<2>
<1>
<2>
<2>
<1>
With p9306/p9506 = 3
<2>
With p9306/p9506 = 1
SI Mtn gear num P2
1 ... 2147000000
p9322 (1)
SI Mtn gear num P1
1 ... 2147000000
p9522 (1)
SI Mtn gear den P2
1 ... 2147000000
p9321 (1)
SI Mtn gear den P1
1 ... 2147000000
p9521 (1)
SI Mtn SLS lim P2
0.01 ... 100000.00 [1/min]
p9331 (2000.00)
SI Mtn SLS lim P1
0.01 ... 100000.00 [1/min]
p9531 (2000.00)

Table of Contents

Other manuals for Siemens SINAMICS G120

Related product manuals