EasyManua.ls Logo

Siemens SINAMICS G120 - Fig. 2-128 8011 - Speed signals 2

Siemens SINAMICS G120
750 pages
To Next Page IconTo Next Page
To Next Page IconTo Next Page
To Previous Page IconTo Previous Page
To Previous Page IconTo Previous Page
Loading...
Function diagrams
Signals and monitoring functions
2-636
© Siemens AG 2011 All Rights Reserved
SINAMICS G120 / Control Units CU240B/E-2 Parameter Manual (LH11), 01/2011
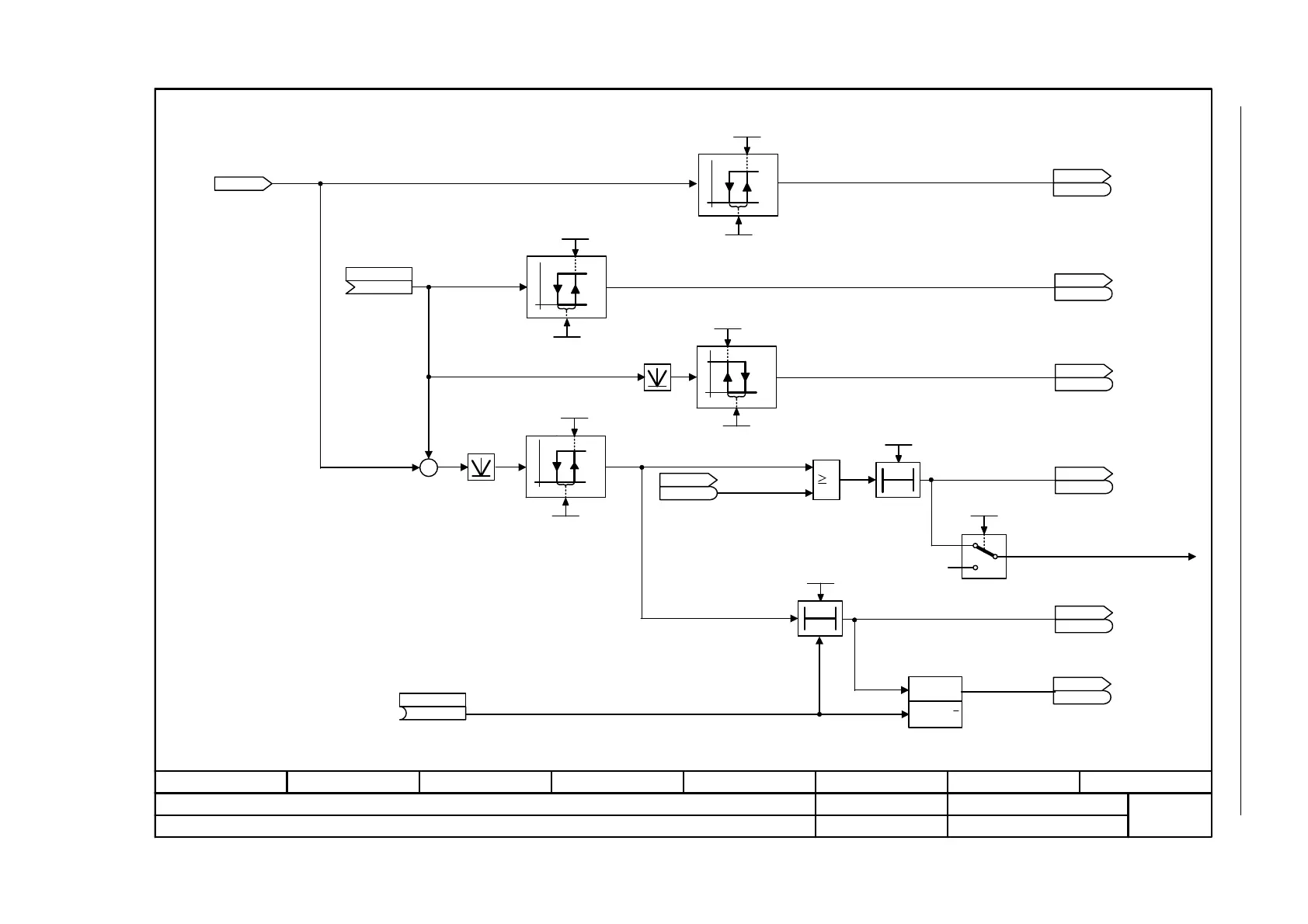
Fig. 2-128 8011 – Speed signals 2
- 8011 -
Function diagram
87654321
FP_8011_97_51.vsd
Signals and monitoring functions
G120 CU240B/E-2
13.12.2010 V4.4
Speed signals 2
[8010.2]
0
1
<1>
Calculated
Evaluation only for: Pulse
enable and operating enable
(r0899.2)
or OFF1
or OFF3
or rotating measurement.
r2169
n_act smth message [1/min]
ZSW monitor 2
r2198
r2198
.5
ZSW monitor 2
r2198
r2198
.4
ZSW monitor 1
r2197
r2197
.7
ZSW monitor 1
r2197
r2197
.3
n_thresh val 3
0.00 ... 210000.00 [1/min]
p2161 [D] (5.00)
[2534.3]
0
1
0
1
n_thresh val 4
0.00 ... 210000.00 [1/min]
p2163 [D] (90.00)
<1>
n_hysteresis 4
0.00 ... 200.00 [1/min]
p2164 [D] (2.00)
n_hysteresis 3
0.00 ... 300.00 [1/min]
p2150 [D] (2.00)
n_act >= 0
n_set > 0
|n_set| < p2161
Speed setp - act val deviation in
tolerance t_off
[2536.3]
0
1
[2534.3]
0
<1>
n_hysteresis 3
0.00 ... 300.00 [1/min]
p2150 [D] (2.00)
[3080.8]
n_set for msg
(1170[0])
p2151 [C]
0
1
0
n_hysteresis 3
0.00 ... 300.00 [1/min]
p2150 [D] (2.00)
+
0T
1
t_del_off n_i=n_so
0.0 ... 10000.0 [ms]
p2166 [D] (200.0)
1
0
1
A07903 is only signaled for
p2149.0 = 1 and r2197.7 = 0.
A07903 "Motor speed deviation"
Monit config
p2149
.0
T0
t_on n_act=n_set
0.0 ... 10000.0 [ms]
p2167 [D] (200.0)
ZSW monitor 3
r2199
r2199
.4
[2537.3]
Speed setp - act val deviation in
tolerance t_on
Priority
1 RESET
2 SET
[2537.3]
SET
(Q=1)
RESET
(Q=0)
Q
Q
(0)
RFG active
p2148 [C]
ZSW monitor 3
r2199
r2199
.5
1 = RESET
Ramp-up/ramp-down completed
<1>
<1>
<1>
<2>
<2>
[2536.3]
ZSW n_ctrl
r1407
r1407
.2
1 = Torque
control active

Table of Contents

Other manuals for Siemens SINAMICS G120

Related product manuals