EasyManua.ls Logo

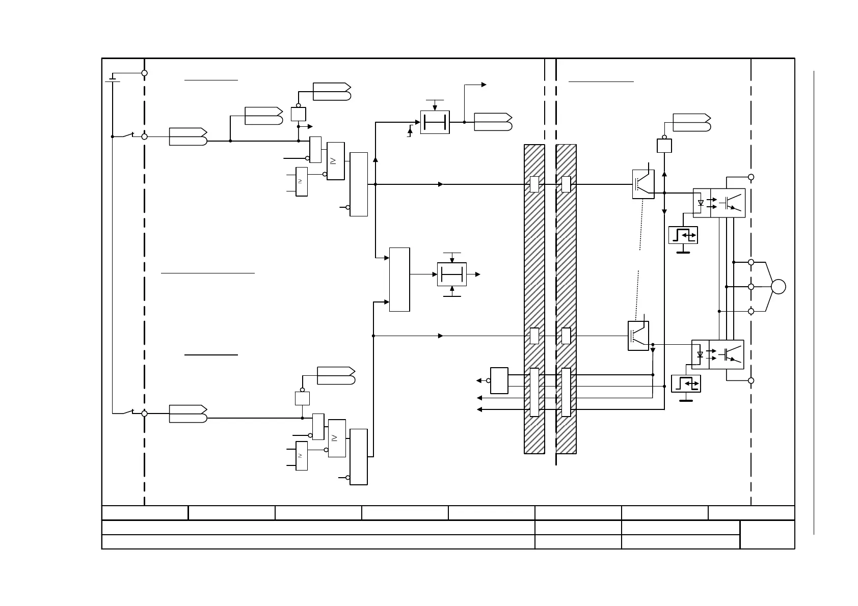
Siemens SINAMICS G120 - Fig. 2-62 2810 - Basic Functions, STO: Safe Torque Off

Siemens SINAMICS G120
750 pages
To Next Page IconTo Next Page
To Next Page IconTo Next Page
To Previous Page IconTo Previous Page
To Previous Page IconTo Previous Page
Loading...
Safety Integrated
Function diagrams
2-563
© Siemens AG 2011 All Rights Reserved
SINAMICS G120 / Control Units CU240B/E-2 Parameter Manual (LH11), 01/2011
Fig. 2-62 2810 – Basic Functions, STO: Safe Torque Off
- 2810 -
Function diagram
87654321
FP_2810_97_53.vsd
Safety Integrated
G120 CU240E-2/E-2 DP
13.12.2010 V4.4
Basic Functions, STO: Safe Torque Off
T0
F01611 (P1)
F30611 (P2)
1
1 = STOP A [2802.8]
&
1
<2>
1
1 = STOP A [2802.8]
&
1
Kl.17
PM-IF
M
~
U
V
W
+ Vdc
-Vdc
1
&
+5 V
+5 V
+24 V
<1>
[2802.1] DIAG_L
[2802.1] DIAG_U
<3>
<3>
[2802.2]
&
1
p9601.0
&
=1
T0
<1>
<2>
<3>
SI FrcdCkProcTimer
0.00 ... 9000.00 [h]
p9659 (8.00)
SI F-DI_chg tol P1
0.00 ... 2000.00 [ms]
p9650 (500.00)
Control Unit
Power Module
Redundant functions
Timer for forced
checking
procedure
A01699
"Shutdown
paths must
be tested"
Upper IGBT
bridge halve
Safe pulse
cancelation
Gating unit
Lower IGBT
bridge halve
Gating unit
Shutdown
path from P2
0 = STO_P2
Monitoring for simultaneous
occurrence
0 = Request pulse cancelation P2
Switch-on delay starts when the "request pulse cancelation P1" is withdrawn.
Redundant functions in the Processor 1 (P1) and Processor 2 (P2).
Transistors inhibited for a "0" signal.
STO: Safe Torque Off
1 = Safety commissioning mode
[2800.3]
PM-IF: Power Module Interface
1 = Safety commissioning mode
[2800.3]
1 = "STO active" for
sequence control
CU DI status
r0722
r0722
.4
1 = STO selected on P1
1 = Enable STO via
terminals (P1)
Shutdown path
fromP1
0 = STO_P1
0 = Request Pulse cancelation P1
1 = STO selected
on P2
SI F-DI_chg tol P2
0.00 ... 2000000.00 s]
p9850 (500000.00)
CU DI status
r0722
r0722
.5
Kl.16
SI status P1
r9772
r9772
.0
[2804.1]
1 = STO active on
Control Unit
SI status P1
r9772
r9772
.1
[2804.2]
Processor 1
Control Unit
Processor 2
1 = Shutdown
paths must
be tested
SI status P1+P2
r9773
r9773
.31
p9601.3
1 = Enable PROFIsafe (P1)
1
p9601.0
1 = Enable STO via
terminals (P2)
p9601.31 = Enable PROFIsafe (P2)
SI status P1
r9772
r9772
.17
[2804.1]
PM-IF
SI Status P2
r9872
r9872
.0

Table of Contents

Other manuals for Siemens SINAMICS G120

Related product manuals