EasyManua.ls Logo

Covidien WarmTouch - 6.3.4 Component Cable Connections

Covidien WarmTouch
314 pages
Print Icon
To Next Page IconTo Next Page
To Next Page IconTo Next Page
To Previous Page IconTo Previous Page
To Previous Page IconTo Previous Page
Loading...
Troubleshooting
6-8 Service Manual
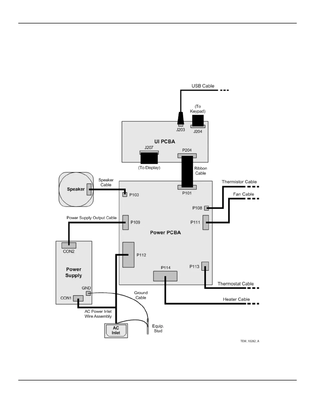
6.3.4 Component Cable Connections
Figure6-2.Cable Connections Between Major Components

Table of Contents

Related product manuals