EasyManua.ls Logo

Renesas RL78 Series - Page 254

Renesas RL78 Series
1879 pages
Print Icon
To Next Page IconTo Next Page
To Next Page IconTo Next Page
To Previous Page IconTo Previous Page
To Previous Page IconTo Previous Page
Loading...
RL78/F13, F14 CHAPTER 4 PORT FUNCTIONS
R01UH0368EJ0210 Rev.2.10 222
Dec 10, 2015
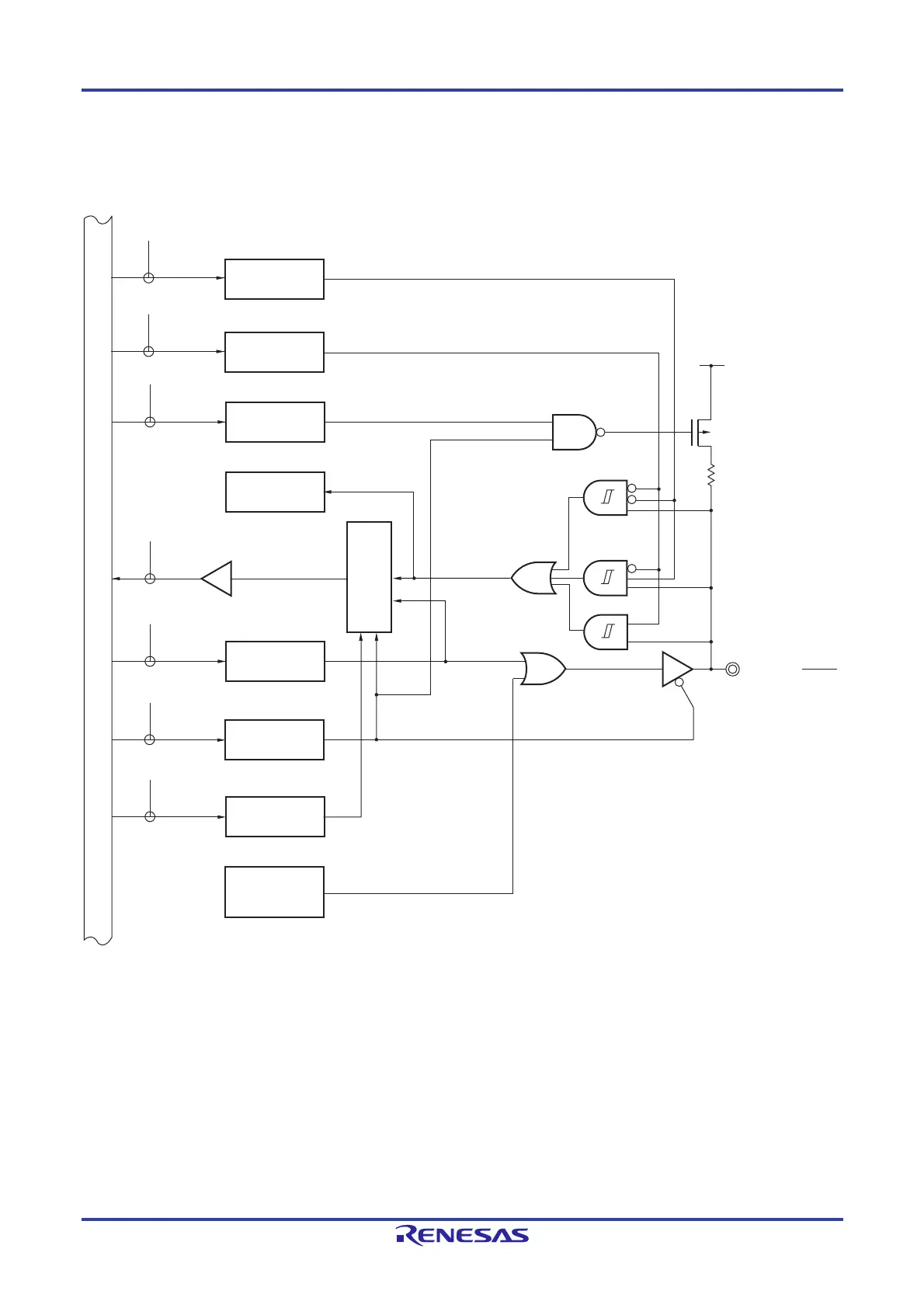
Figures 4-13 to 4-16 show block diagrams of port 3 for 100-pin products.
Figure 4-13. Block Diagram of P30
P30/TI01/TO01/
TRDIOD1/SSI00/
INTP2/SNZOUT0
WR
PU
RD
WR
PORT
PU30
P30
EVDD
P-ch
PU3
P3
WRPM
PM3
PM30
CMOS
(Schmitt3)
TTL
PIM3
PIM30
WRPIM
PITHL3
PITHL30
WRPITHL
CMOS
(Schmitt1)
WRPMS
PMS
PMS0
TO01/TRDIOD1/
SNZOUT0
Alternate function
Alternate function
Internal bus
Selector
Output latch
P3: Port register 3
PU3: Pull-up resistor option register 3
PM3: Port mode register 3
PIM3: Port input mode register 3
PMS: Port mode select register
PITHL3: Port input threshold control register 3
RD: Read signal
WRxx: Write signal

Table of Contents

Other manuals for Renesas RL78 Series

Related product manuals