EasyManua.ls Logo

Renesas RL78 Series - Page 263

Renesas RL78 Series
1879 pages
Print Icon
To Next Page IconTo Next Page
To Next Page IconTo Next Page
To Previous Page IconTo Previous Page
To Previous Page IconTo Previous Page
Loading...
RL78/F13, F14 CHAPTER 4 PORT FUNCTIONS
R01UH0368EJ0210 Rev.2.10 231
Dec 10, 2015
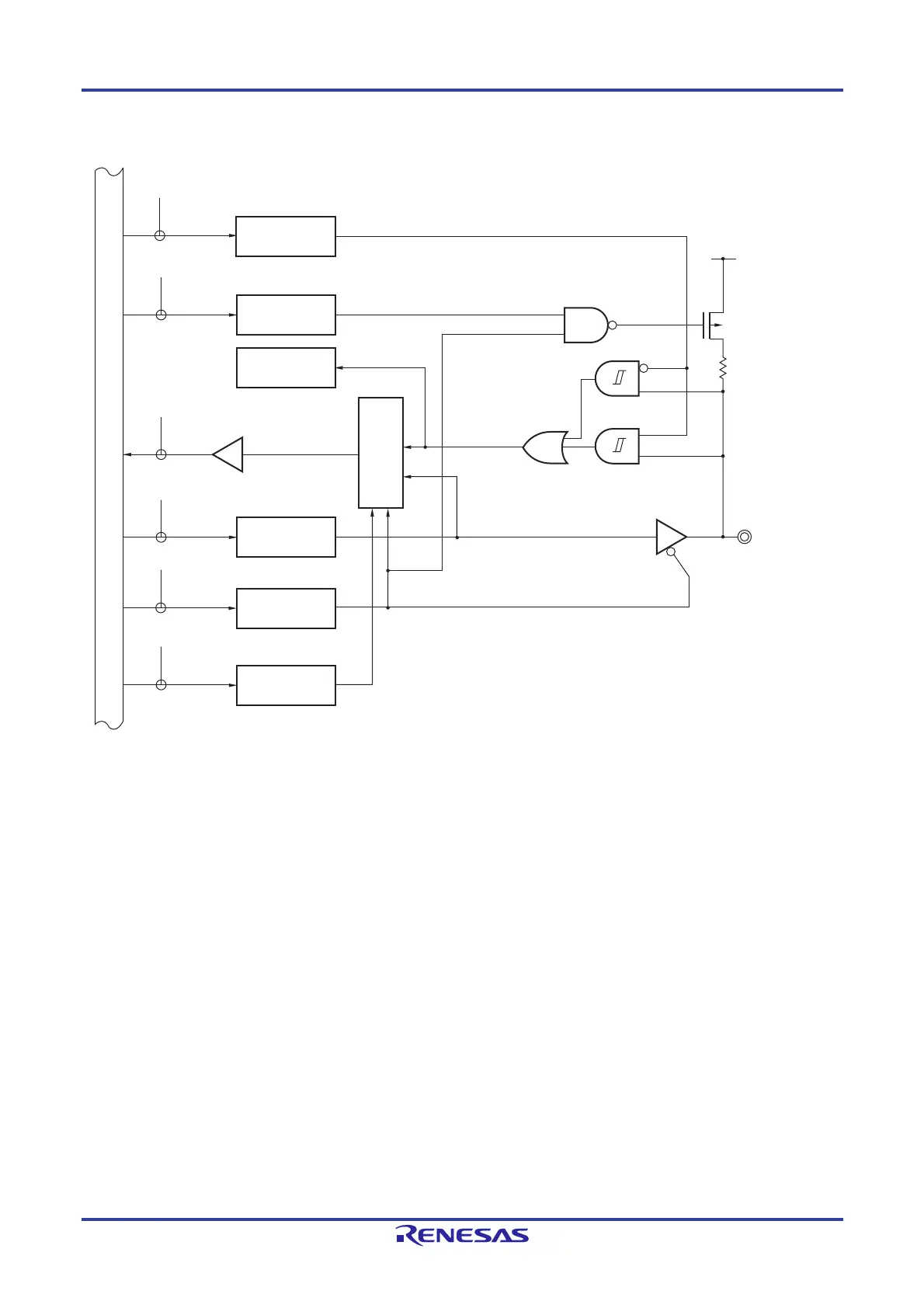
Figure 4-20. Block Diagram of P43
P43/(LRXD0)
WR
PU
RD
WR
PORT
PU43
P43
EV
DD
P-ch
PU4
P4
WR
PM
PM4
PM43
CMOS
(Schmitt3)
PITHL4
PITHL43
WR
PITHL
CMOS
(Schmitt1)
WR
PMS
PMS
PMS0
Alternate function
Internal bus
Selector
Output latch
P4: Port register 4
PU4: Pull-up resistor option register 4
PM4: Port mode register 4
PMS: Port mode select register
PITHL4: Port input threshold control register 4
RD: Read signal
WRxx: Write signal

Table of Contents

Other manuals for Renesas RL78 Series

Related product manuals