EasyManua.ls Logo

Renesas RL78 Series - Page 325

Renesas RL78 Series
1879 pages
Print Icon
To Next Page IconTo Next Page
To Next Page IconTo Next Page
To Previous Page IconTo Previous Page
To Previous Page IconTo Previous Page
Loading...
RL78/F13, F14 CHAPTER 4 PORT FUNCTIONS
R01UH0368EJ0210 Rev.2.10 293
Dec 10, 2015
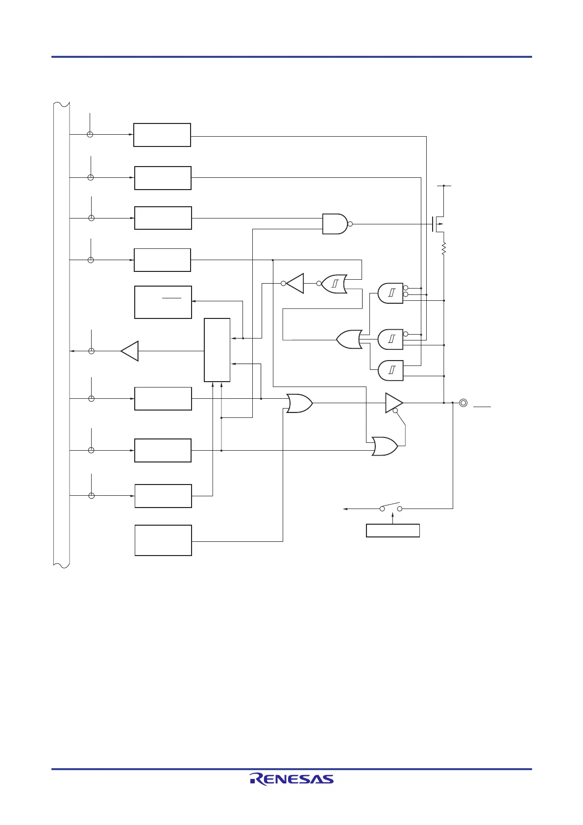
Figure 4-64. Block Diagram of P125
P125/TI03/INTP1
/
TO03/TRDIOB0/
SSI01/SNZOUT1/
ANI24
WR
PU
RD
WR
PORT
PU125
INTP1/SSI01/
TI03/TRDIOB0
P125
EV
DD
P-ch
PU12
P12
WR
PM
PM12
PM125
PIM12
PIM125
WR
PIM
WR
PMC
PMC12
PMC125
WR
PMS
PMS
PMS0
TRDIOB0,
SNZOUT1/TO03
CMOS
(Schmitt3)
TTL
CMOS
(Schmitt1)
PITHL12
PITHL125
WR
PITHL
Internal bus
Output latch
Alternate function
Alternate function
Selector
A/D converter
ADS
ADS4 to ADS0
P12: Port register 12
PU12: Pull-up resistor option register 12
PM12: Port mode register 12
PIM12: Port input mode register 12
PMC12: Port mode control register 12
PMS: Port mode select register
PITHL12: Port input threshold control register 12
ADS: Analog input channel specification register
RD: Read signal
WRxx: Write signal

Table of Contents

Other manuals for Renesas RL78 Series

Related product manuals