EasyManua.ls Logo

Renesas RL78 Series - Page 240

Renesas RL78 Series
1879 pages
Print Icon
To Next Page IconTo Next Page
To Next Page IconTo Next Page
To Previous Page IconTo Previous Page
To Previous Page IconTo Previous Page
Loading...
RL78/F13, F14 CHAPTER 4 PORT FUNCTIONS
R01UH0368EJ0210 Rev.2.10 208
Dec 10, 2015
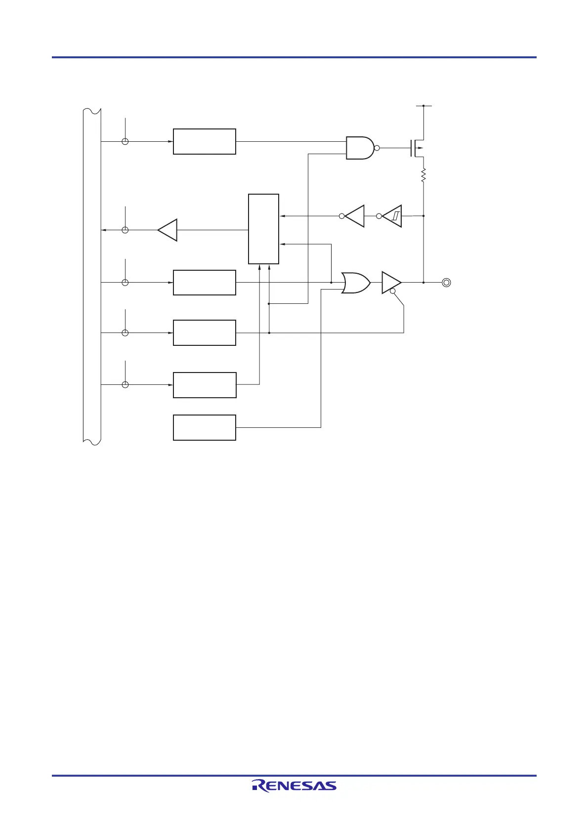
Figure 4-4. Block Diagram of P03
P03/(RTC1HZ)
WR
PU
RD
WR
PORT
WRPM
PU03
PM03
EVDD
P-ch
PU0
PM0
P0
WRPMS
PMS
PMS0
P03
Alternate function
(RTC1HZ)
Internal bus
Selector
Output latch
P0: Port register 0
PU0: Pull-up resistor option register 0
PM0: Port mode register 0
PMS: Port mode select register
RD: Read signal
WRxx: Write signal

Table of Contents

Other manuals for Renesas RL78 Series

Related product manuals