EasyManua.ls Logo

Renesas RL78 Series - Page 266

Renesas RL78 Series
1879 pages
Print Icon
To Next Page IconTo Next Page
To Next Page IconTo Next Page
To Previous Page IconTo Previous Page
To Previous Page IconTo Previous Page
Loading...
RL78/F13, F14 CHAPTER 4 PORT FUNCTIONS
R01UH0368EJ0210 Rev.2.10 234
Dec 10, 2015
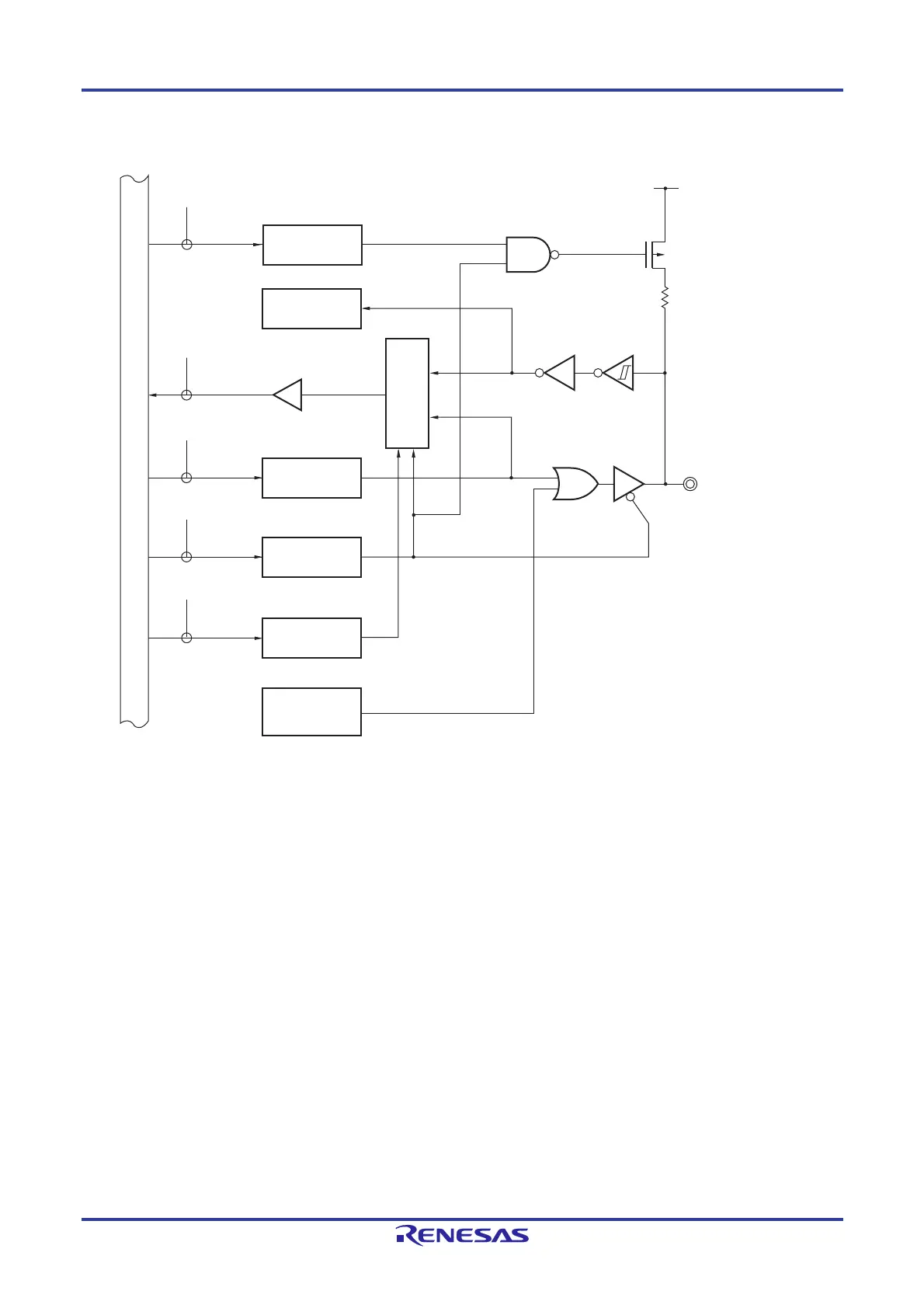
Figure 4-23. Block Diagram of P46
P46/(TI12)/(TO12)
RD
WR
PORT
WR
PM
P46
Alternate function
(TO12)
PM4
P4
WR
PU
EV
DD
P-ch
PU4
PM46
PU46
WR
PMS
PMS
PMS0
Alternate function
Internal bus
Selector
Output latch
P4: Port register 4
PU4: Pull-up resistor option register 4
PM4: Port mode register 4
PMS: Port mode select register
RD: Read signal
WRxx: Write signal

Table of Contents

Other manuals for Renesas RL78 Series

Related product manuals