EasyManua.ls Logo

Renesas RL78 Series - Page 277

Renesas RL78 Series
1879 pages
Print Icon
To Next Page IconTo Next Page
To Next Page IconTo Next Page
To Previous Page IconTo Previous Page
To Previous Page IconTo Previous Page
Loading...
RL78/F13, F14 CHAPTER 4 PORT FUNCTIONS
R01UH0368EJ0210 Rev.2.10 245
Dec 10, 2015
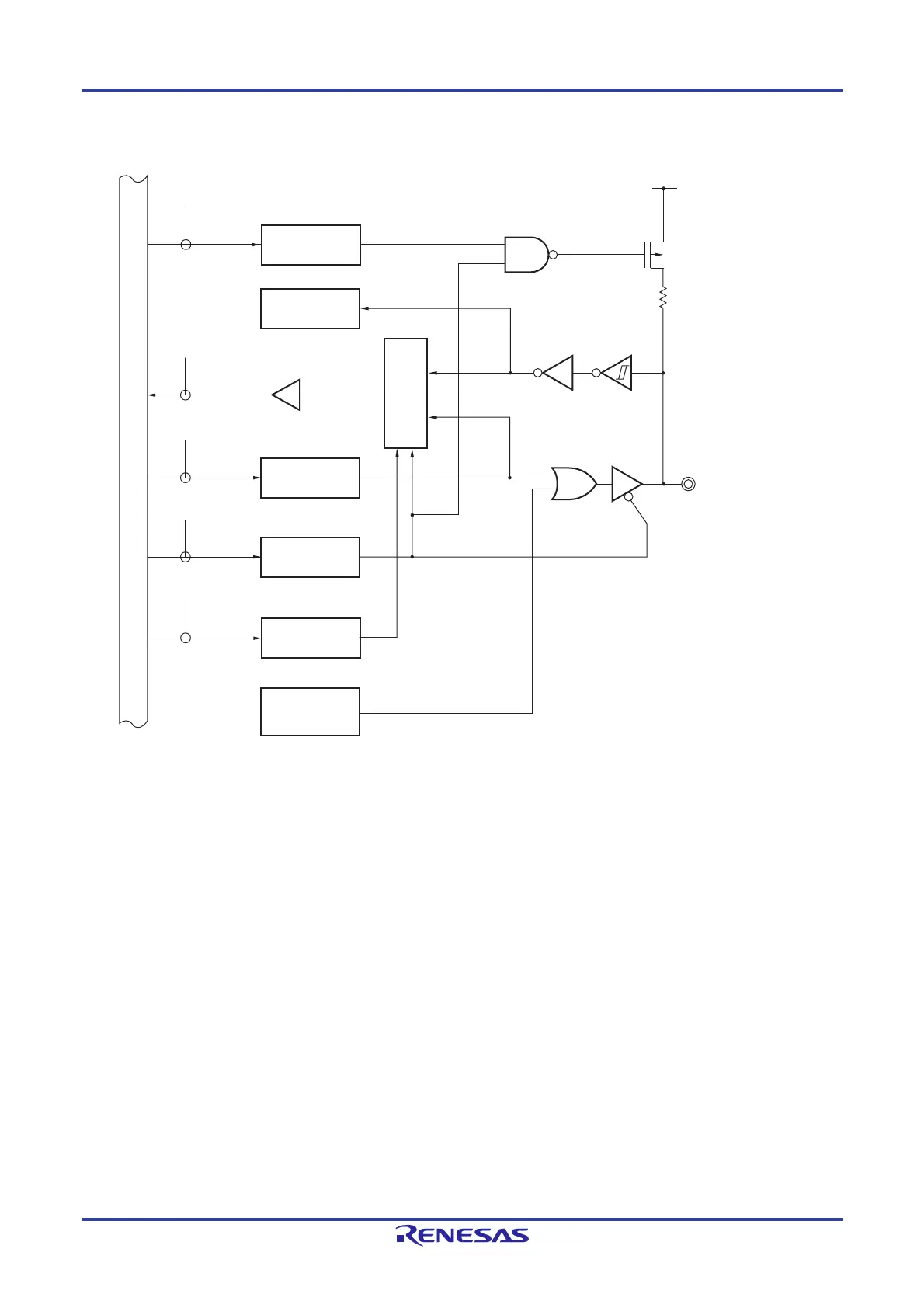
Figure 4-32. Block Diagram of P57
P57/(TI17)/(TO17)
/
(SNZOUT0)
RD
WR
PORT
WR
PM
P57
(TO17)/
(SNZOUT0)
PM5
P5
WR
PU
EV
DD
P-ch
PU5
PM57
PU57
WR
PMS
PMS
PMS0
Internal bus
Output latch
Alternate function
Alternate function
Selector
P5: Port register 5
PU5: Pull-up resistor option register 5
PM5: Port mode register 5
PMS: Port mode select register
RD: Read signal
WRxx: Write signal

Table of Contents

Other manuals for Renesas RL78 Series

Related product manuals