EasyManua.ls Logo

Renesas RL78 Series - Page 319

Renesas RL78 Series
1879 pages
Print Icon
To Next Page IconTo Next Page
To Next Page IconTo Next Page
To Previous Page IconTo Previous Page
To Previous Page IconTo Previous Page
Loading...
RL78/F13, F14 CHAPTER 4 PORT FUNCTIONS
R01UH0368EJ0210 Rev.2.10 287
Dec 10, 2015
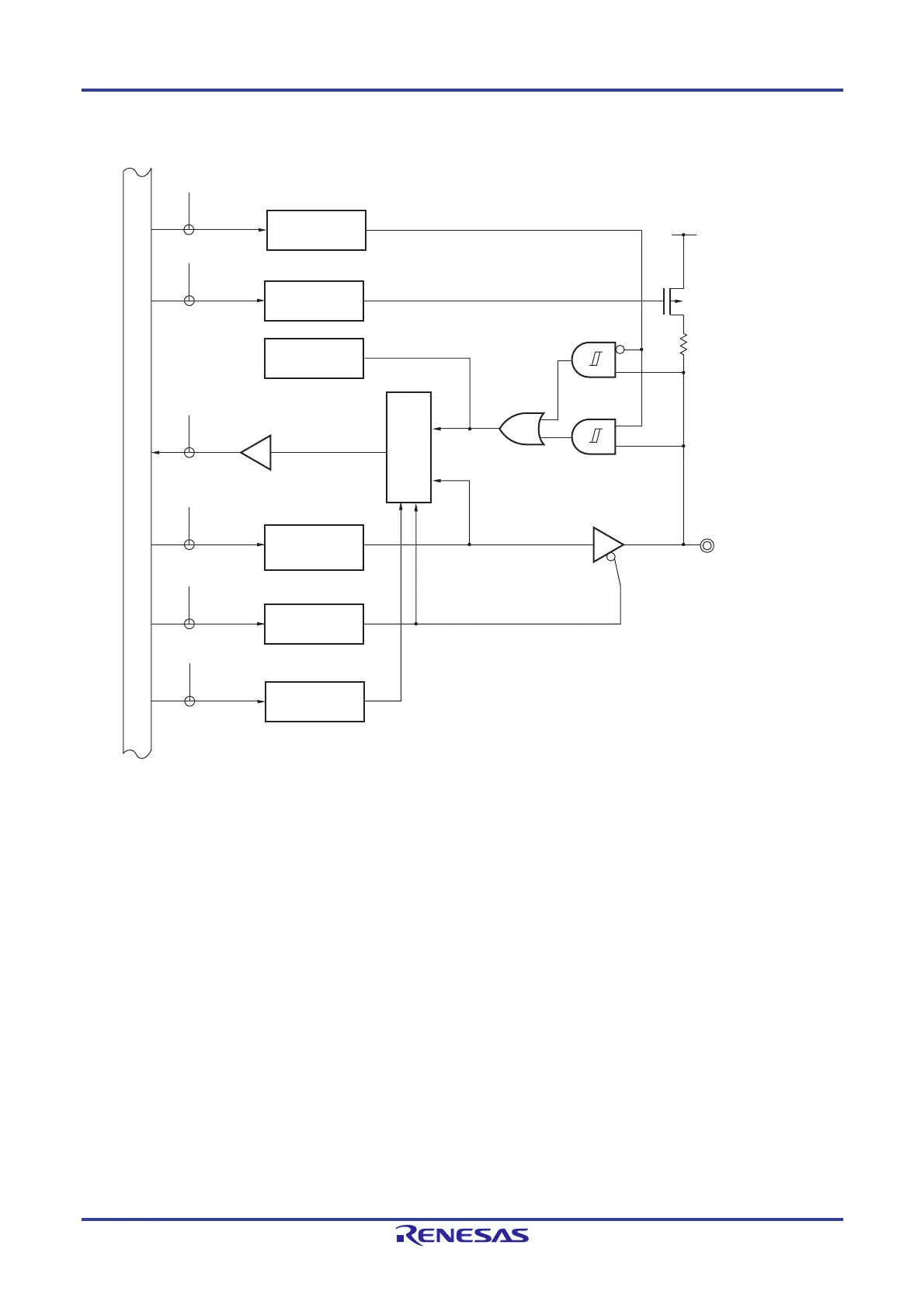
Figure 4-60. Block Diagram of P107
RD
WR
PORT
WRPM
PM10
P10
PM107
WRPU
PU10
PU107
P107
(LRXD1)
WRPMS
PMS
PMS0
P107/(LRXD1)
EVDD
P-ch
CMOS
(Schmitt3)
CMOS
(Schmitt1)
PITHL10
PITHL107
WRPITHL
Internal bus
Output latch
Alternate function
Selector
P10: Port register 10
PM10: Port mode register 10
PMS: Port mode select register
PITHL10: Port input threshold control register 10
PU10: Pull-up resistor option register 10
RD: Read signal
WRxx: Write signal

Table of Contents

Other manuals for Renesas RL78 Series

Related product manuals