EasyManua.ls Logo

Renesas RL78 Series - Page 335

Renesas RL78 Series
1879 pages
Print Icon
To Next Page IconTo Next Page
To Next Page IconTo Next Page
To Previous Page IconTo Previous Page
To Previous Page IconTo Previous Page
Loading...
RL78/F13, F14 CHAPTER 4 PORT FUNCTIONS
R01UH0368EJ0210 Rev.2.10 303
Dec 10, 2015
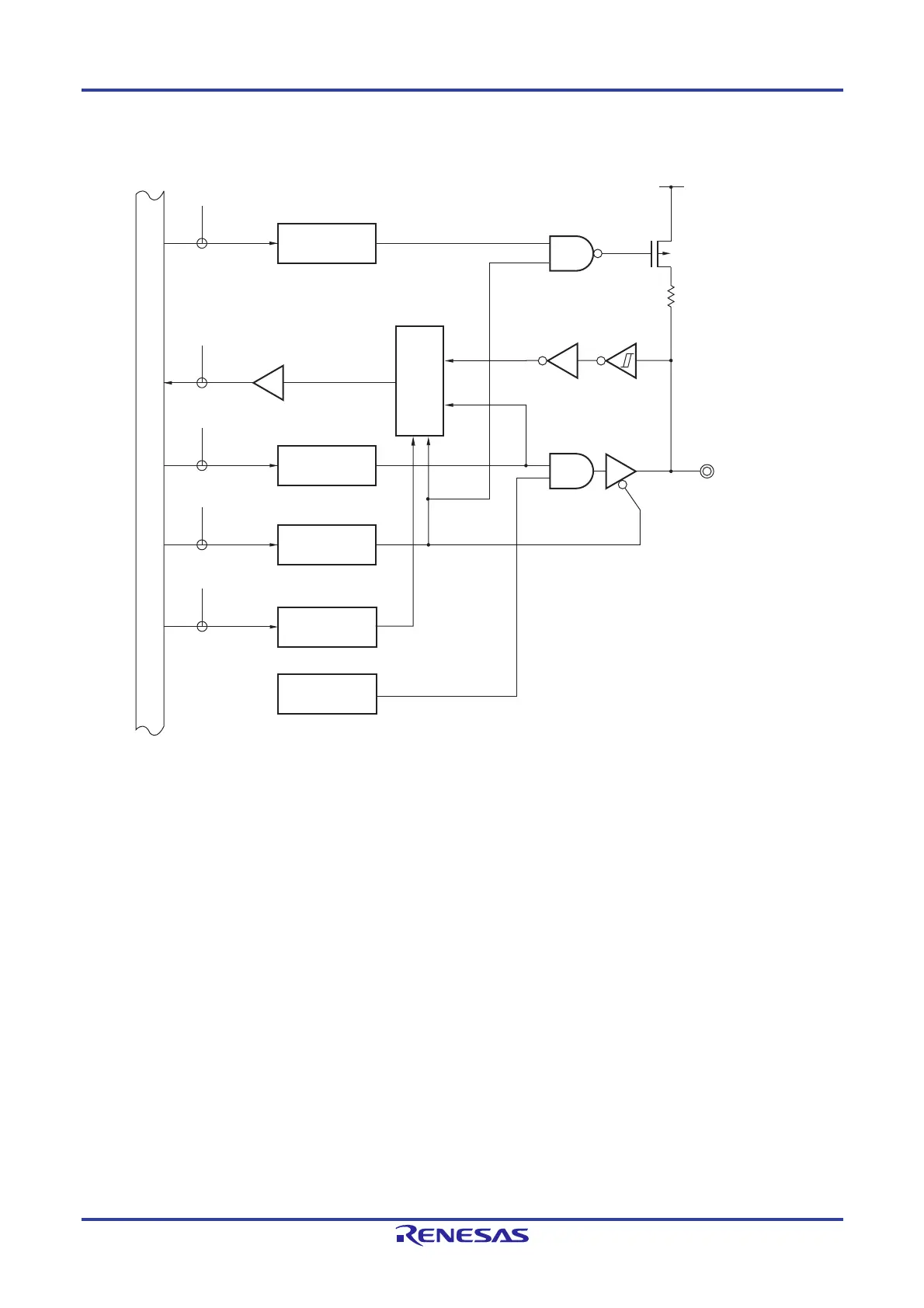
Figure 4-70. Block Diagram of P151
P151/(SO11)
WR
PU
RD
WR
PORT
WR
PM
PU151
P151
PM151
EV
DD
P-ch
PU15
PM15
P15
(SO11)
WR
PMS
PMS
PMS0
Internal bus
Output latch
Alternate function
Selector
P15: Port register 15
PU15: Pull-up resistor option register 15
PM15: Port mode register 15
PMS: Port mode select register
RD: Read signal
WRxx: Write signal

Table of Contents

Other manuals for Renesas RL78 Series

Related product manuals