EasyManua.ls Logo

Renesas RL78 Series - Page 336

Renesas RL78 Series
1879 pages
To Next Page IconTo Next Page
To Next Page IconTo Next Page
To Previous Page IconTo Previous Page
To Previous Page IconTo Previous Page
Loading...
RL78/F13, F14 CHAPTER 4 PORT FUNCTIONS
R01UH0368EJ0210 Rev.2.10 304
Dec 10, 2015
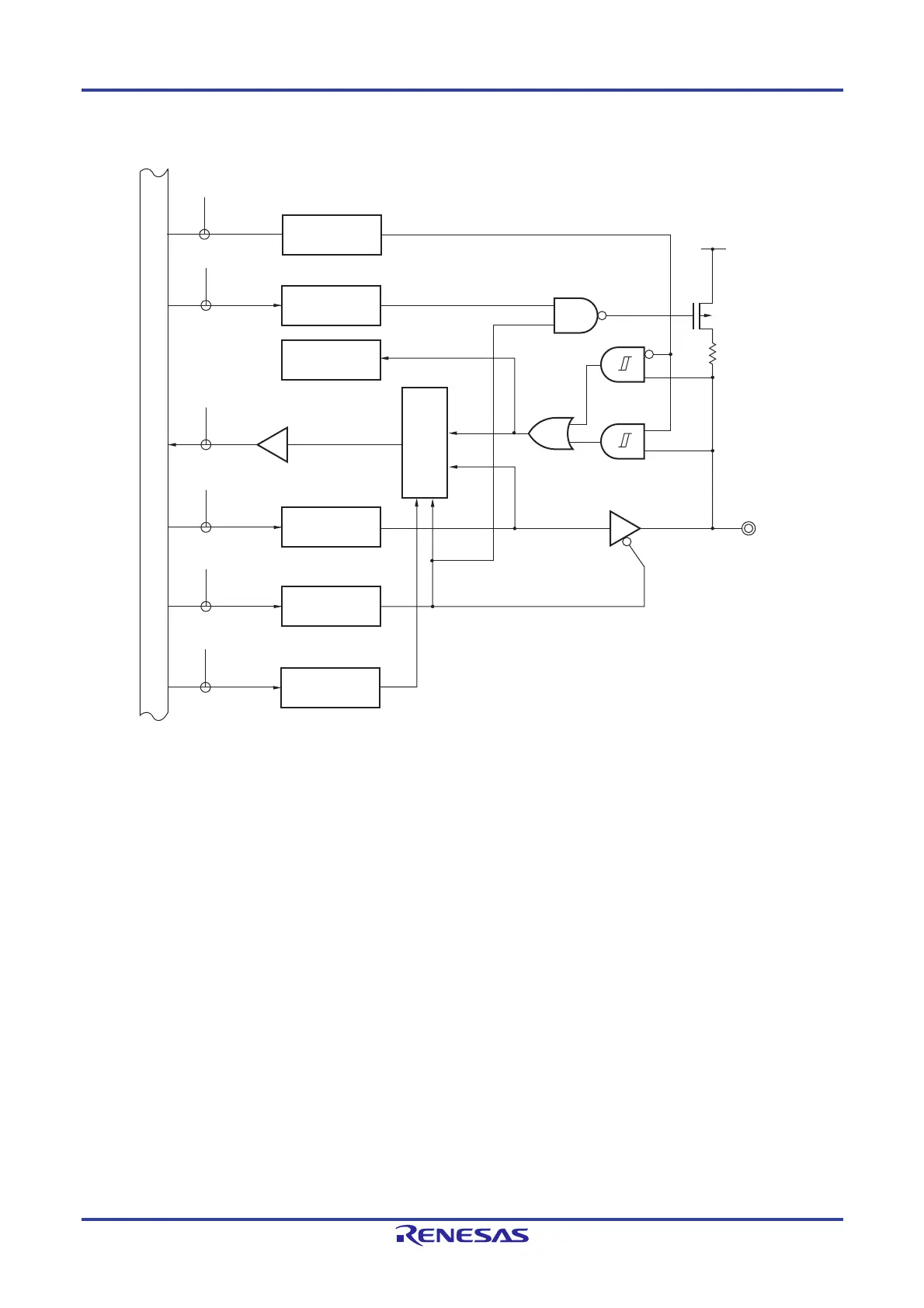
Figure 4-71. Block Diagram of P152
P152/(SI11)
WR
PU
RD
WR
PORT
WR
PM
PU152
(SI11)
P152
PM152
EV
DD
P-ch
PU15
PM15
P15
WR
PMS
PMS
PMS0
PITHL15
PITHL152
WR
PITHL
CMOS
(Schmitt3)
CMOS
(Schmitt1)
Internal bus
Output latch
Alternate function
Selector
P15: Port register 15
PU15: Pull-up resistor option register 15
PM15: Port mode register 15
PMS: Port mode select register
PITHL15: Port input threshold control register 15
RD: Read signal
WRxx: Write signal

Table of Contents

Other manuals for Renesas RL78 Series

Related product manuals