EasyManua.ls Logo

Renesas RL78 Series - Page 337

Renesas RL78 Series
1879 pages
To Next Page IconTo Next Page
To Next Page IconTo Next Page
To Previous Page IconTo Previous Page
To Previous Page IconTo Previous Page
Loading...
RL78/F13, F14 CHAPTER 4 PORT FUNCTIONS
R01UH0368EJ0210 Rev.2.10 305
Dec 10, 2015
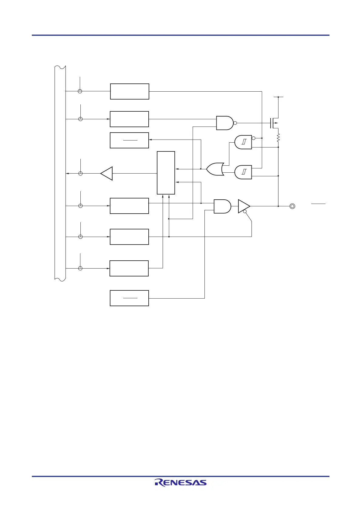
Figure 4-72. Block Diagram of P153
P153/(SCK11)
WR
PU
RD
WR
PORT
WRPM
PU153
(SCK11)
P153
PM153
EVDD
P-ch
PU15
PM15
P15
WRPMS
PMS
PMS0
PITHL15
PITHL153
WRPITHL
CMOS
(Schmitt3)
CMOS
(Schmitt1)
Internal bus
Output latch
Alternate function
(SCK11)
Alternate function
Selector
P15: Port register 15
PU15: Pull-up resistor option register 15
PM15: Port mode register 15
PMS: Port mode select register
PITHL15: Port input threshold control register 15
RD: Read signal
WRxx: Write signal

Table of Contents

Other manuals for Renesas RL78 Series

Related product manuals