EasyManua.ls Logo

Renesas RL78 Series - Page 338

Renesas RL78 Series
1879 pages
To Next Page IconTo Next Page
To Next Page IconTo Next Page
To Previous Page IconTo Previous Page
To Previous Page IconTo Previous Page
Loading...
RL78/F13, F14 CHAPTER 4 PORT FUNCTIONS
R01UH0368EJ0210 Rev.2.10 306
Dec 10, 2015
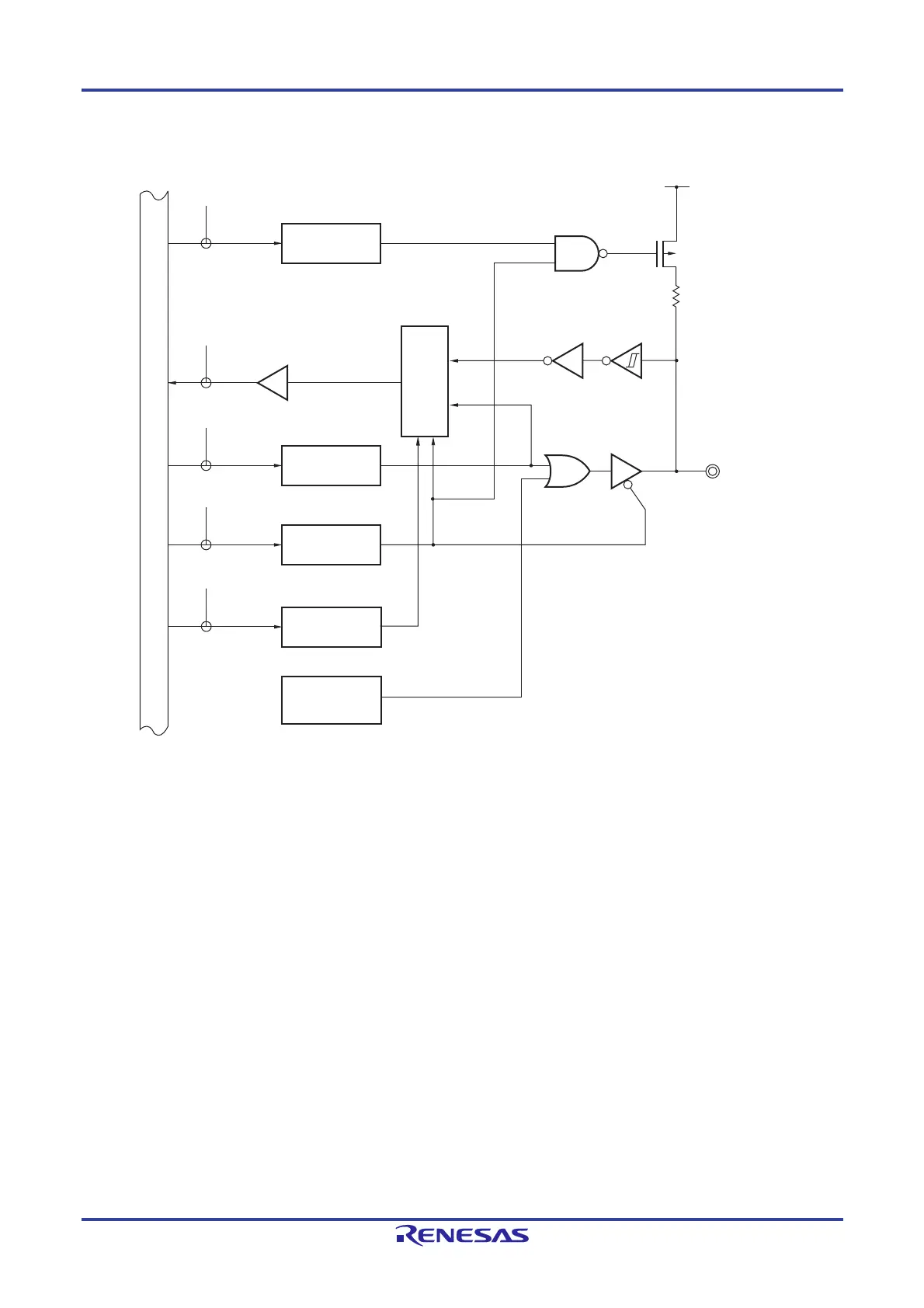
Figure 4-73. Block Diagram of P154 to P157
P154/(SNZOUT7),
P155/(SNZOUT6),
P156/(SNZOUT5),
P157/(SNZOUT4)
WR
PU
RD
WR
PORT
WR
PM
PU154 to PU157
P154 to P157
PM154 to PM157
EV
DD
P-ch
PU15
PM15
P15
(SNZOUT4 to
SNZOUT7)
WR
PMS
PMS
PMS0
Internal bus
Output latch
Alternate function
Selector
P15: Port register 15
PU15: Pull-up resistor option register 15
PM15: Port mode register 15
PMS: Port mode select register
RD: Read signal
WRxx: Write signal

Table of Contents

Other manuals for Renesas RL78 Series

Related product manuals