EasyManua.ls Logo

Renesas RL78 Series - Page 238

Renesas RL78 Series
1879 pages
To Next Page IconTo Next Page
To Next Page IconTo Next Page
To Previous Page IconTo Previous Page
To Previous Page IconTo Previous Page
Loading...
RL78/F13, F14 CHAPTER 4 PORT FUNCTIONS
R01UH0368EJ0210 Rev.2.10 206
Dec 10, 2015
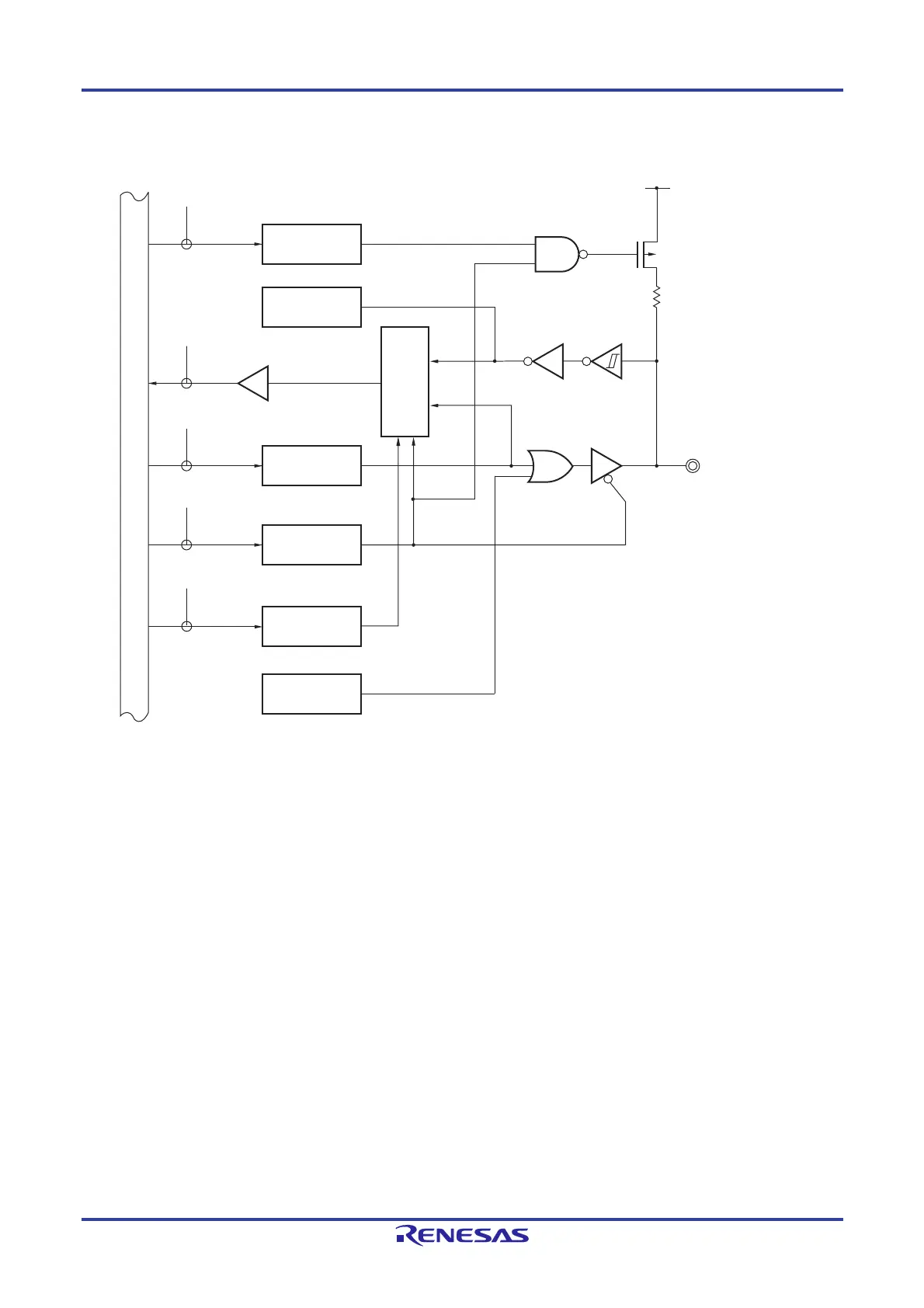
Figure 4-2. Block Diagram of P01
P01/(TI04)/(TO04)
WR
PU
RD
WR
PORT
WR
PM
PU01
(TI04)
(TO04)
PM01
EV
DD
P-ch
PU0
PM0
P0
WR
PMS
PMS
PMS0
P01
Internal bus
Output latch
Alternate function
Alternate function
Selector
P0: Port register 0
PU0: Pull-up resistor option register 0
PM0: Port mode register 0
PMS: Port mode select register
RD: Read signal
WRxx: Write signal

Table of Contents

Other manuals for Renesas RL78 Series

Related product manuals