EasyManua.ls Logo

Boeing 767 - Page 145

Boeing 767
503 pages
Print Icon
To Next Page IconTo Next Page
To Next Page IconTo Next Page
To Previous Page IconTo Previous Page
To Previous Page IconTo Previous Page
Loading...
TO
CLOSE VBV'S
TO
OPEN
VBV'S
VBV
C
LEVER
FEEDBACK
IN
THIS
DIRECTION
PUSH
TO
FULL
TRAVEL
IN
THIS
DIRECTION
PUSH
TO
FULL
TRAVEL
A
SEE
MEC
B
C
VBV
SEE
LEVER
FEEDBACK
VSV
SEE
LEVER
FEEDBACK
NUT
WASHERS
BOLT
CABLE
FEEDBACK
VSV
NUT
WASHERS
BOLT
CABLE
FEEDBACK
VBV
LEVER
FEEDBACK
VSV
TO
CLOSE VSV'S
IN
THIS
DIRECTION
PUSH
TO
FULL
TRAVEL
TO
OPEN
VSV'S
IN
THIS
DIRECTION
PUSH
TO
FULL
TRAVEL
A
B
145046 S00061422821_V1
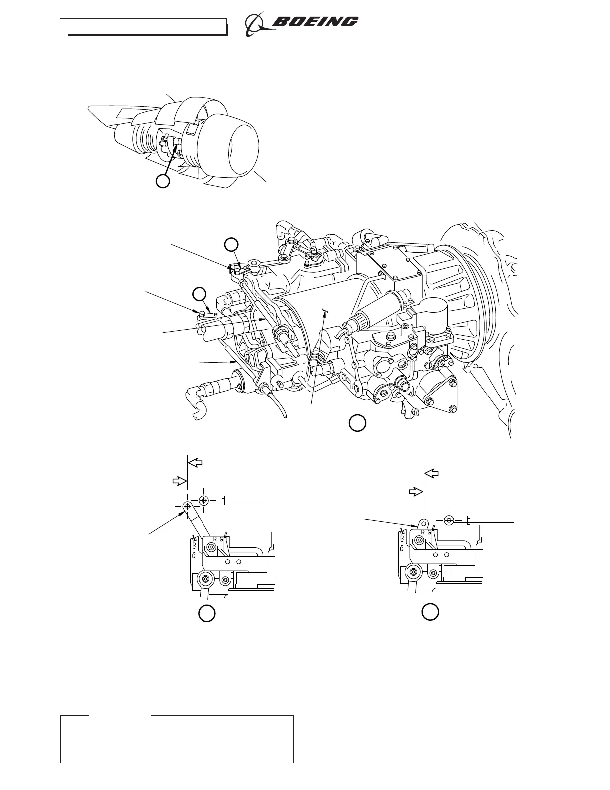
Variable Stator Vane (VSV) and Variable Bypass Valve (VBV) Access Locations
Figure 703/72-00-00-990-842-G00
767
AIRCRAFT MAINTENANCE MANUAL
CF6-80A SERIES ENGINES
72-00-00
NoC
Page 712
D633T1B7 Aug 22/2017
ECCN 9E991 BOEING PROPRIETARY - Copyright © Unpublished Work - See title page for details
EFFECTIVITY
ABX 001-007, 011, 012, 016-019, 021, 022, 025, 101,
109, 114, 115, 314-999

Table of Contents

Related product manuals