EasyManua.ls Logo

Ricoh B079 - Upper Stack Height Sensors;Tray 1 Upper Limit Switch

Ricoh B079
868 pages
Print Icon
To Next Page IconTo Next Page
To Next Page IconTo Next Page
To Previous Page IconTo Previous Page
To Previous Page IconTo Previous Page
Loading...
UPPER STACK HEIGHT SENSORS/TRAY 1 UPPER LIMIT SWITCH
B545 4 SM
1.6 UPPER STACK HEIGHT SENSORS/TRAY 1 UPPER
LIMIT SWITCH
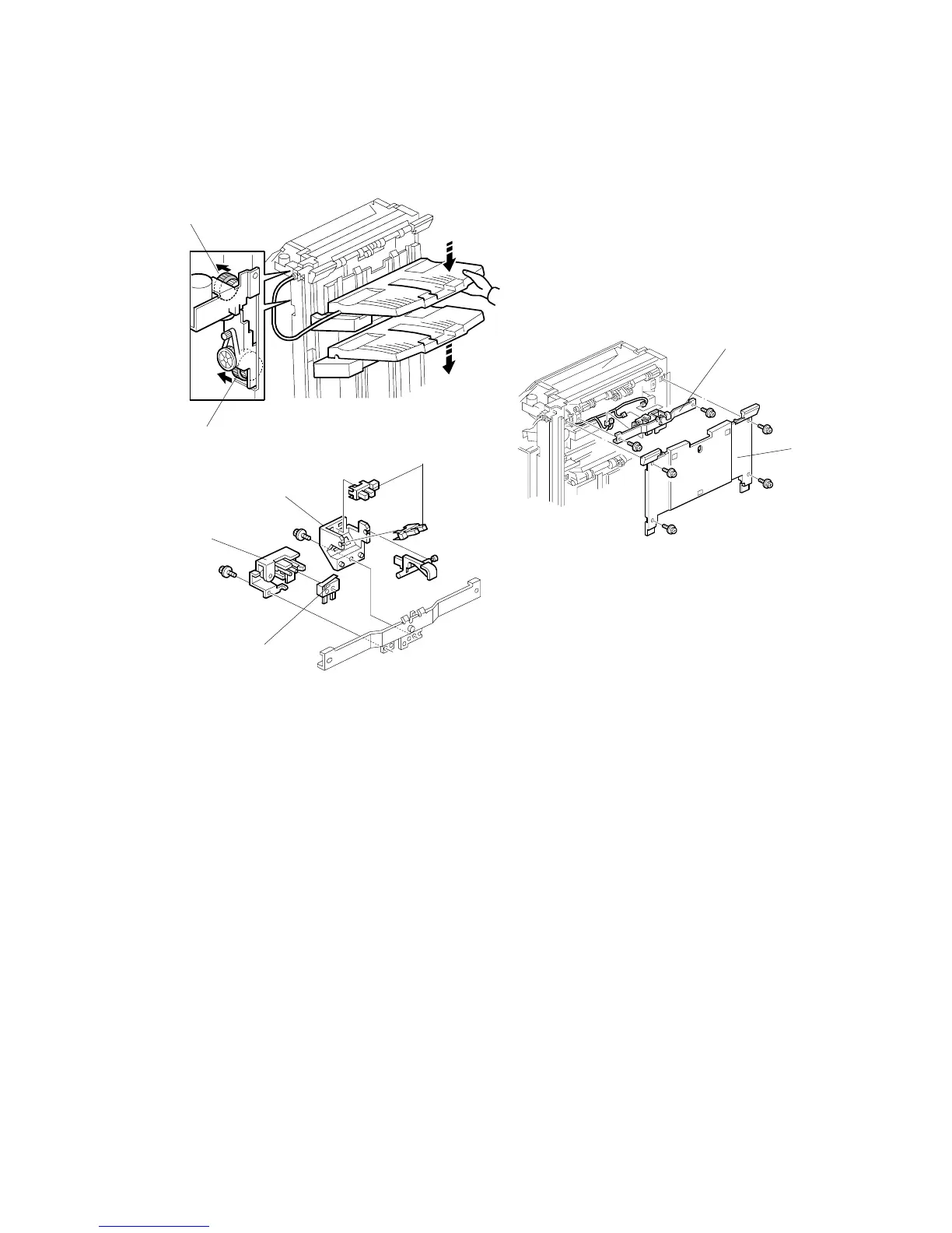
1. External covers (! 1.1.1)
2. Place one hand under tray 2 (the lower tray), press in on the gear [A] to release
the tray, and then support it with your hand as it descends.
3. Place one hand under tray 1 (the upper tray), press in on the gear [B] to
release the tray, and then support it with your hand as it descends.
4. Tray 1 back fence [C] ( x4)
5. Sensor stay [D] ( x2, ( x4)
6. Plastic bracket [E] ( x1)
7. Stack height sensors [F]
8. Metal bracket [G] ( x1)
9. Upper limit switch [H]
B352R201.WMF
B352R109.WMF
B352R110.WMF
[B]
[A]
[C]
[D]
[E]
[F]
[G]
[H]
CÓPIA NÃO CONTROLADA
CÓPIA NÃO CONTROLADA

Table of Contents

Related product manuals