EasyManua.ls Logo

Tecnam P2002 JF - Page 1138

Tecnam P2002 JF
1289 pages
Print Icon
To Next Page IconTo Next Page
To Next Page IconTo Next Page
To Previous Page IconTo Previous Page
To Previous Page IconTo Previous Page
Loading...
2
nd
Edition - Rev 0
SUPPLEMENT SG-3
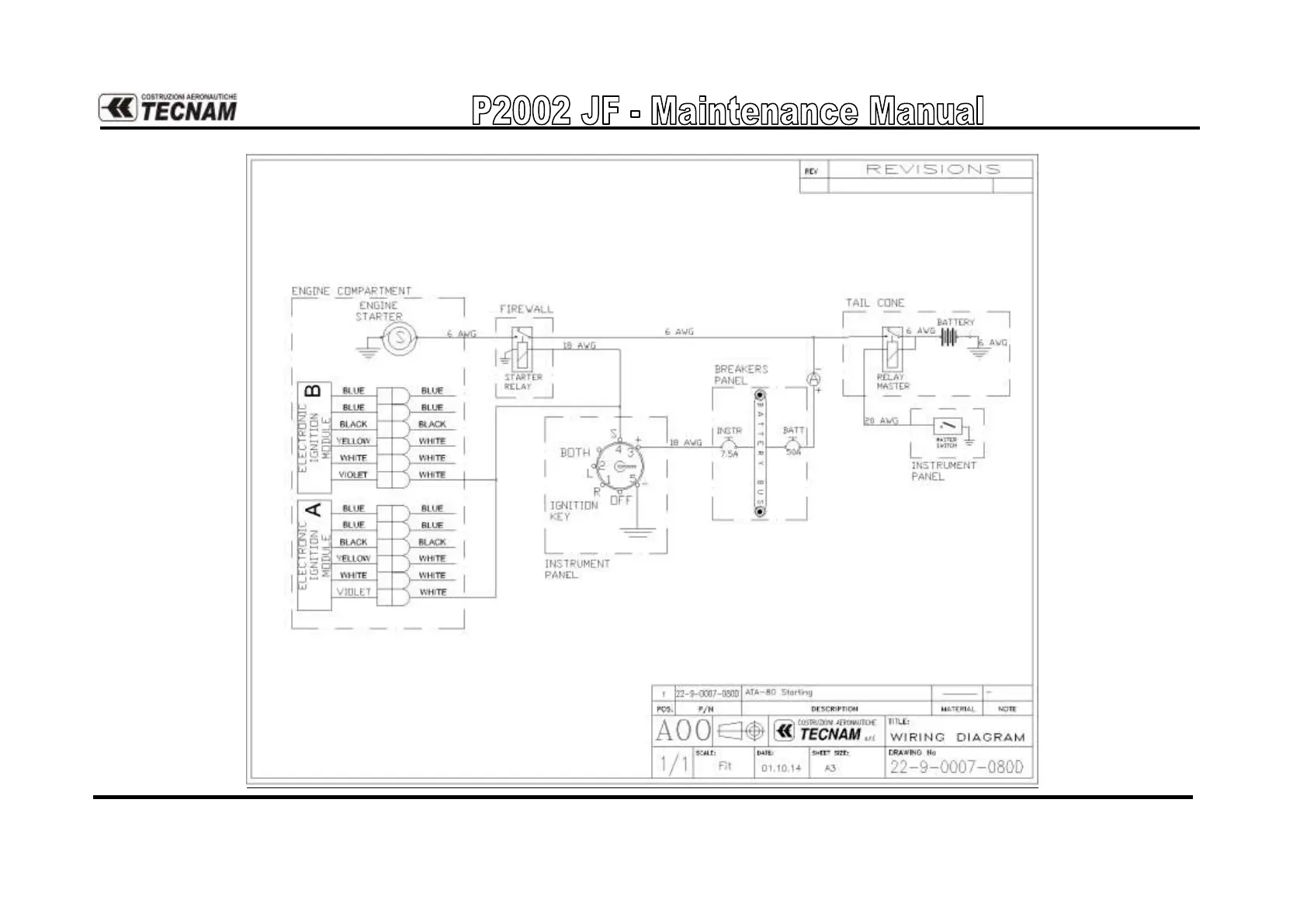
CHAPTER 92 WIRING DIAGRAMS
Page 34

Table of Contents

Other manuals for Tecnam P2002 JF

Related product manuals