EasyManua.ls Logo

Leibinger JET2neo - 12.2 Interface Connection Examples

Leibinger JET2neo
294 pages
Print Icon
To Next Page IconTo Next Page
To Next Page IconTo Next Page
To Previous Page IconTo Previous Page
To Previous Page IconTo Previous Page
Loading...
Group 12 Appendix Page 273
JET2 neo Release R1.12 en
12. Appendix
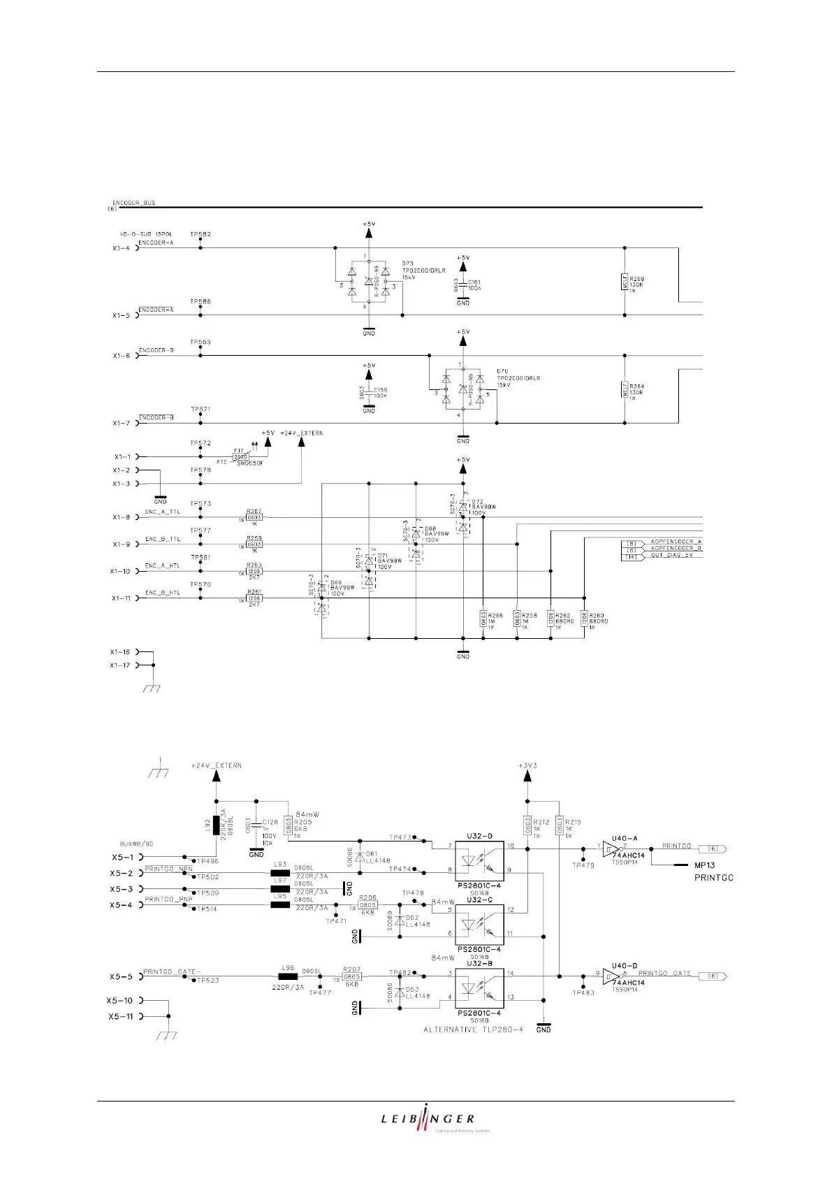
12.1 Circuit diagrams of the interfaces
Interface X1 (Encoder)
Interface X5 (PrintGo)

Table of Contents

Other manuals for Leibinger JET2neo

Related product manuals