EasyManua.ls Logo

Fujitsu PRIMERGY RX350 S8

Fujitsu PRIMERGY RX350 S8
792 pages
To Next Page IconTo Next Page
To Next Page IconTo Next Page
To Previous Page IconTo Previous Page
To Previous Page IconTo Previous Page
Loading...
758 Upgrade and Maintenance Manual TX300 S8 / RX350 S8
Cabling
16.2.22 Cabling of high performance GPGPU /
coprocessor cards
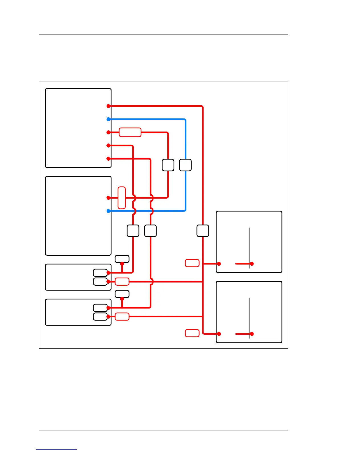
Figure 598: High Performance GPGPU / coprocessor card cabling
HDD Backplane 1
4x
3.5-inch
4x
2.5-inch
X9
X7
X9
X6
HDD Backplane 2
4x
3.5-inch
4x
2.5-inch
X9
X7
X9
X6
6-pin
8-pin
6-pin
8-pin
System Board D2949
PSU CONTROL
PWR
GPGPU
Card 1
PWR HDD / ODD
GPGPU
Card 2
Power Backplane
X25
X21
X20
X22
26
P4
P3
X23
P1
P2
PWR 1
PWRPB
25 25
2
4
6-pin
6-pin

Table of Contents

Related product manuals