EasyManua.ls Logo

Siemens SINAMICS G120 - Fig. 3-16 2261 - CU240 E-2: Analog outputs 0... 1 (AO 0... AO 1)

Siemens SINAMICS G120
924 pages
To Next Page IconTo Next Page
To Next Page IconTo Next Page
To Previous Page IconTo Previous Page
To Previous Page IconTo Previous Page
Loading...
SINAMICS G120 Control Units CU240B-2/CU240E-2
List Manual (LH11), 01/2016, A5E33839529
579
3 Function diagrams
3.3 Input/output terminals
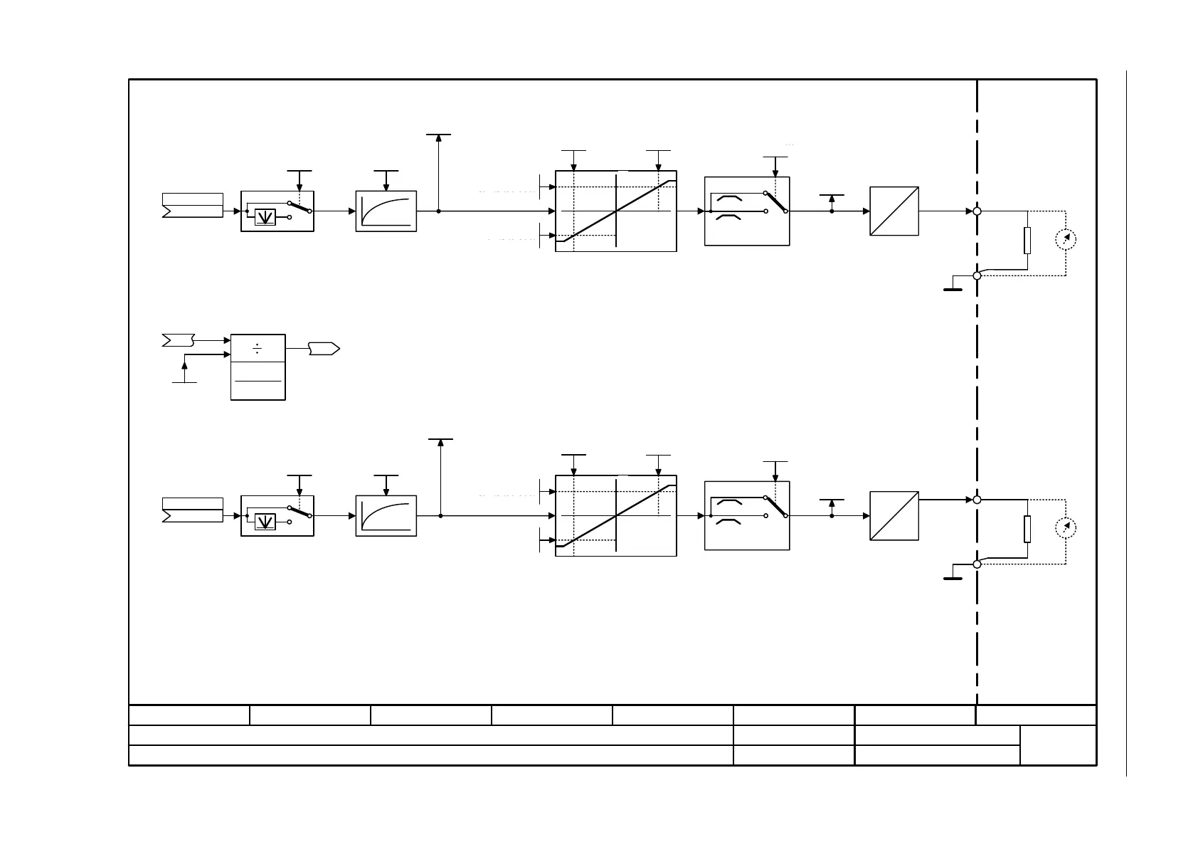
Fig. 3-16 2261 – CU240E-2: Analog outputs 0 ... 1 (AO 0 ... AO 1)
- 2261 -
Function diagram
87654321
fp_2261_97_02.vsd
Input/Output Terminals
G120 CU240E-2
09.12.2015 V4.7.6
CU240E-2: Analog outputs 0 … 1 (AO 0 … AO 1)
For p0776 = 0, 2 the units are mA.
For p0776 = 1 the units are V.
The input signals are referred to the reference quantities p2000 ... r2004 (100 % = p200x).
D
A
xy
y
<1>
x
1
y
2
x
2
y
1
y
x
[%]
0
1
2
0, 1
4 mA
0
CU AO absVal act
0 ... 1
p0775 (0)
CU AO S_src
(21[0])
p0771
CU AO T_smooth
0.0 ... 1000.0 [ms]
p0773 (0.0)
CU AO char x1
-1000.00 ... 1000.00 [%]
p0777 (0.00)
CU AO char x2
-1000.00 ... 1000.00 [%]
p0779 (100.00)
CU AO type
0 ... 2
p0776 (0)
CU AO U/I_outp
r0774
Sampling time of the AO: 4 ms Kl. = Terminal
CU AO outp act ref [%]
r0772
[1] (0) [1] (0)
[1]
[1] (100)
[1] (0)
[1]
[1]
[1] (0)
<1>
<1>
CU AO char y1
-20.000 ... 20.000 [V]
p0778[0..1] (0.000)
[1] (0.000)
CU AO char y2
-20.000 ... 20.000 [V]
p0780[0..1] (20.000)
[1] (20.000)
(27[0])
Possible settings p0776[0] and p0776[1]:
= 0: 0 ... +20 mA
= 1: 0 ... +10 V
= 2: 4 ... +20 mA
D
A
xy
y
<1>
x
1
y
2
x
2
y
1
y
x
[%]
0
1
2
0, 1
4 mA
0
Smoothing
Scaling
Voltage output
Current
output
CU AO absVal act
0 ... 1
p0775 (0)
CU AO S_src
(21[0])
p0771
CU AO T_smooth
0.0 ... 1000.0 [ms]
p0773 (0.0)
CU AO char x1
-1000.00 ... 1000.00 [%]
p0777 (0.00)
CU AO char x2
-1000.00 ... 1000.00 [%]
p0779 (100.00)
CU AO type
0 ... 2
p0776 (0)
CU AO U/I_outp
r0774
CU AO outp act ref [%]
r0772
[0]
[0] (0)
[0] (0)
[0]
[0] (0) [0] (100)
[0] (0)
[0]
CU AO char y1
-20.000 ... 20.000 [V]
p0778[0..1] (0.000)
[0] (0.000)
CU AO char y2
-20.000 ... 20.000 [V]
p0780[0..1] (20.000)
[0] (20.000)
<1>
<1>
<3>
GND
AO 0+
Kl. 12
Kl. 13
0 … 20 mA
0 … 10 V
Smoothing
Voltage output
Current
output
GND
AO 1+
Kl. 26
Kl. 27
0 … 20 mA
0 … 10 V
<3>
<2>
<1>
<2>
y
x
2
x
1
[%]
Reference quantities
x
1
• 100 %
x
2

Table of Contents

Other manuals for Siemens SINAMICS G120

Related product manuals