EasyManua.ls Logo

Siemens SINAMICS G120 - Fig. 3-130 6836 - Id setpoint (PMSM, p0300 = 2 xx, p0096 = 2)

Siemens SINAMICS G120
924 pages
To Next Page IconTo Next Page
To Next Page IconTo Next Page
To Previous Page IconTo Previous Page
To Previous Page IconTo Previous Page
Loading...
SINAMICS G120 Control Units CU240B-2/CU240E-2
List Manual (LH11), 01/2016, A5E33839529
705
3 Function diagrams
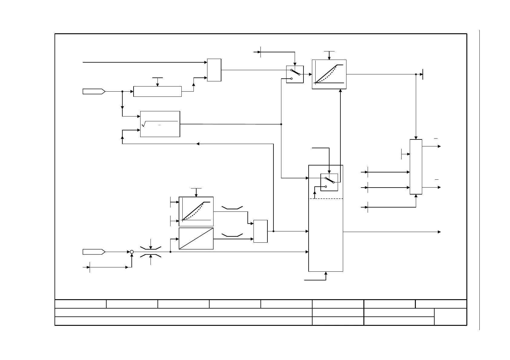
3.15 Vector control, Dynamic Drive Control (p0096 = 2)
Fig. 3-130 6836 – Id setpoint (PMSM, p0300 = 2xx, p0096 = 2)
- 6836 -
Function diagram
87654321
fp_6836_97_56.vsd
Vector control, Dynamic Drive Control
G120 CU240B/E-2
09.12.2015 V4.7.6
Id setpoint (PMSM, p0300 = 2xx, p0096 = 2)
1
0
MAX
MIN
[6839.8]
M
Iq
[6828.5]
[6832.2]
[6799.7]
Ld
Lq
kt Rel
[6824.4]
[6842.3]
[6826.4]
r1538
r1539
n-Ctrl = 1
Iabs
pre
M
1
0
Iabs
(r1407.2)
0 = M-Ctrl
1 = n-Ctrl
I
d
Id_inject
Iq
M
From Id_field weakening
Load angle correction
M adaptation
Torque setting value, speed controller
Id_set
Mot phi_load opt
0.0 ... 135.0 [°]
p0327 [D] (90.0)
Mot t_excitation
0.000 ... 20.000 [s]
p0346 [D] (0.000)
M_set static
-200.0 ... 200.0 [%]
p1610 [D] (50.0)
M_suppl_accel
0.0 ... 200.0 [%]
p1611 [D] (30.0)
I_set T_smooth
4 ... 10000 [ms]
p1616 [D] (40)
Id_setp total [Arms]
r1624
Mot kT_reluctance
-1000.00 ... 1000.00 [mH]
p0328 [D] (0.00)
Mot L_leak total
r0377
Mot L_stator d
r0378
r0077
Iq_set [Arms]
[6832.8]
MotMod kT corr
r1797
[6842.3]
r1518
M_accel [Nm]
MotMod status
r1751
.0
[6828.1], [6834.1]
M_suppl total
r1515
[6826.6]
r0067
0.9 x
r0067
22
Iabs Iq_set
PMSM: Permanent-magnet synchronous motor

Table of Contents

Other manuals for Siemens SINAMICS G120

Related product manuals