EasyManua.ls Logo

Siemens SINAMICS G120 - Fig. 3-128 6832 - Current setpoint filter (p0096 = 2)

Siemens SINAMICS G120
924 pages
To Next Page IconTo Next Page
To Next Page IconTo Next Page
To Previous Page IconTo Previous Page
To Previous Page IconTo Previous Page
Loading...
SINAMICS G120 Control Units CU240B-2/CU240E-2
List Manual (LH11), 01/2016, A5E33839529
703
3 Function diagrams
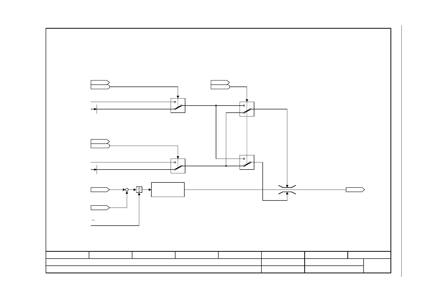
3.15 Vector control, Dynamic Drive Control (p0096 = 2)
Fig. 3-128 6832 – Current setpoint filter (p0096 = 2)
- 6832 -
Function diagram
87654321
fp_6832_97_52.vsd
Vector control, Dynamic Drive Control
G120 CU240B/E-2
09.12.2015 V4.7.6
Current setpoint filter (p0096 = 2)
Iq_max
Iq_min
[6826.8]
[6828.8]
[6827.8]
[6827.8]
[2526.7]
[6827.8]
[6828.8]
0
1
0
1
[2526.7]
[6827.8]
ZSW cl-loop ctrl
r0056
r0056
.14
Isq_max [Arms]
r1536
ZSW cl-loop ctrl
r0056
r0056
Isq_min [Arms]
r1537
r0077
Iq_set [Arms]
Interpolator and
smoothing for
voltage limits
0
1
1
0
[2526.7]
ZSW cl-loop ctrl
r0056
r0056
.15
.7
1 = Vdc_max controller active
1 = Vdc_min controller active
1 = Frequency, negative
[6836.8]
[6841.1]
[6834.1]
[6836.1]
[6842.3]
[7010.6]
Iq
M
r0079
M_set [Nm]
r3841
Frict outp [Nm]
+
+

Table of Contents

Other manuals for Siemens SINAMICS G120

Related product manuals