EasyManua.ls Logo

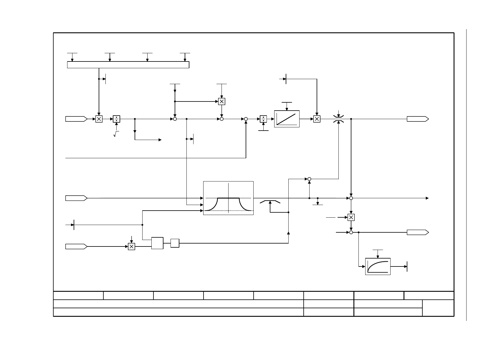
Siemens SINAMICS G120 - Fig. 3-111 6724 - Field weakening controller (PMSM, p0300 = 2 xx)

Siemens SINAMICS G120
924 pages
To Next Page IconTo Next Page
To Next Page IconTo Next Page
To Previous Page IconTo Previous Page
To Previous Page IconTo Previous Page
Loading...
3 Function diagrams
3.13 Vector control
SINAMICS G120 Control Units CU240B-2/CU240E-2
684 List Manual (LH11), 01/2016, A5E33839529
Fig. 3-111 6724 – Field weakening controller (PMSM, p0300 = 2xx)
- 6724 -
Function diagram
87654321
fp_6724_97_53.vsd
Vector control
G120 CU240B/E-2
09.12.2015 V4.7.6
Field weakening controller (PMSM, p0300 = 2xx)
2
[6640.3]
[6731.1]
[6714.8]
0
0.9
Min -1
-n
F
n
F
[6721.1]
100 %
U_set 1
Id_field weaken. Ctrl
PMSM: Permanent-magnet synchronous motor
r0070
Vdc act val [V]
Mot U_rated
0 ... 20000 [Vrms]
p0304 [D] (0)
Field_ctrl Tn
10 ... 10000 [ms]
p1596 [D] (300)
Mot I_mag_rtd act [Arms]
r0331 [D]
I_FieldWeak prectr [Arms]
r1589
r1598
Flux setp total [%]
Flux setp smooth [%]
r1583
Drv filt type mot
0 ... 4 [kW]
p0230 (0)
Pulse freq setp
2.000 ... 16.000 [kHz]
p1800 [D] (4.000)
Calculation, max. modulation depth
Flux setp T_smth
4 ... 5000 [ms]
p1582 [D] (15)
Mot I_mag_rtd act [Arms]
r0331 [D]
r0067
I_outp max [Arms]
r0063
n_act [rpm]
r1593[0..1]
Field/Fl_ctrl outp [Arms]
Modulator mode
0 ... 19
p1802 [D] (10)
Modulat depth max
20.0 ... 120.0 [%]
p1803 [D] (115.0)
[0]
<1><1>
+
+
+
+
+
+
Id
Ȍ
nom
U_max 1
Modulat_depth max [%]
r0073
[6714.8]
U_reserve dyn
0.0 ... 150.0 [Vrms]
p1574 [D] (2.0)
<1>
+
U_output max [Vrms]
r0071
[6640.1]
+
+
Field_ctr add_setp
-80.00 ... 50.00 [%]
p1595 [D] (0.00)
Value range and/or factory setting depend on p0500.<1>

Table of Contents

Other manuals for Siemens SINAMICS G120

Related product manuals