EasyManua.ls Logo

Siemens SINAMICS G120 - Fig. 3-172 8021 - Thermal monitoring, power unit

Siemens SINAMICS G120
924 pages
To Next Page IconTo Next Page
To Next Page IconTo Next Page
To Previous Page IconTo Previous Page
To Previous Page IconTo Previous Page
Loading...
SINAMICS G120 Control Units CU240B-2/CU240E-2
List Manual (LH11), 01/2016, A5E33839529
751
3 Function diagrams
3.19 Signals and monitoring functions
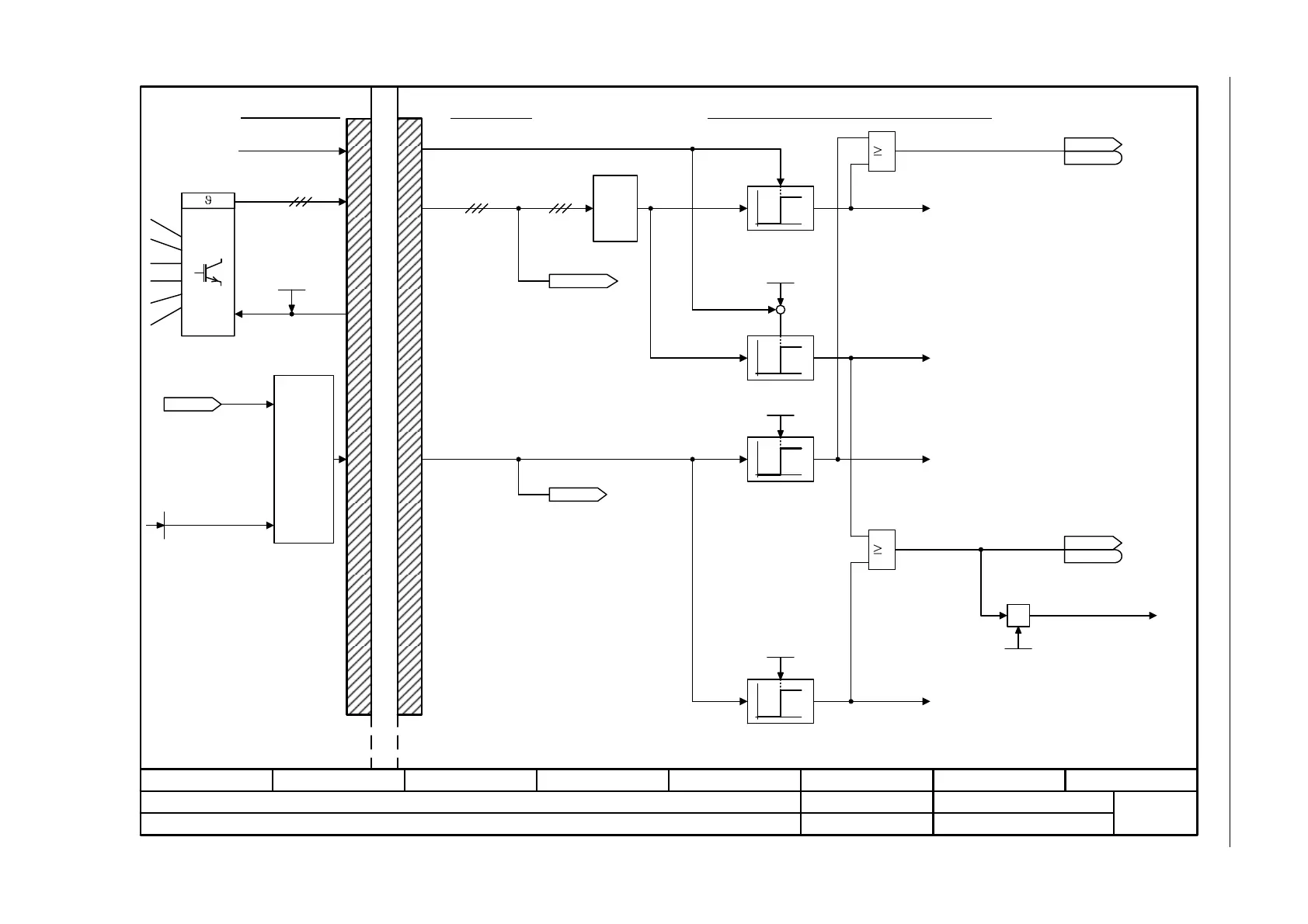
Fig. 3-172 8021 – Thermal monitoring, power unit
- 8021 -
Function diagram
87654321
fp_8021_97_51.vsd
Signals and monitoring functions
G120 CU240B/E-2
09.12.2015 V4.7.6
Thermal monitoring, power module
Max
0
1
0
1
5 °C
0
1
0
1
100 %
1
1
Power module
T_max heatsink
Temperature measurement
i²t model
power
module
Maximum power module temperature
Thermal monitoring for the power module
1 = Fault power unit
thermal overload
Faults "Power unit overtemperature"
F30004 "Overtemperature heat sink AC inverter"
F30024 "Overtemperature thermal model"
F30025 "Chip overtemperature"
F30035 "Air intake overtemperature"
Alarms "Power unit overtemperature"
A05000 "Overtemperature heat sink AC inverter"
A05001 "Overtemperature depletion layer chip"
A05002 "Air intake overtemperature"
A05006 "Overtemperature thermal model"
F30005 "Power unit: Overload I2t"
1 = Alarm power unit
thermal overload
Overload response
A07805 "Power unit overload I2t"
Pulse freq setp
2.000 ... 16.000 [kHz]
p1800 [D] (4.000)
PU I2t alrm thresh
10.0 ... 100.0 [%]
p0294 (95.0)
PU overld response
0 ... 13
p0290 (2)
r0036
PU overload I2t [%]
r0068
I_act abs val [Arms]
PU PI_rated [Arms]
r0207[0..4]
r0037 [0..19]
PU temperatures [°C]
Control Unit
[0]
[6714.8]
+
ZSW fault/alarm 2
r2135
r2135
.13 [2548.2]
[2548.2]
ZSW fault/alarm 2
r2135
r2135
.15
Power Module Interface

Table of Contents

Other manuals for Siemens SINAMICS G120

Related product manuals