EasyManua.ls Logo

Siemens SINAMICS G120 - Fig. 3-99 6310 - Resonance damping and slip compensation (U;f)

Siemens SINAMICS G120
924 pages
To Next Page IconTo Next Page
To Next Page IconTo Next Page
To Previous Page IconTo Previous Page
To Previous Page IconTo Previous Page
Loading...
3 Function diagrams
3.13 Vector control
SINAMICS G120 Control Units CU240B-2/CU240E-2
672 List Manual (LH11), 01/2016, A5E33839529
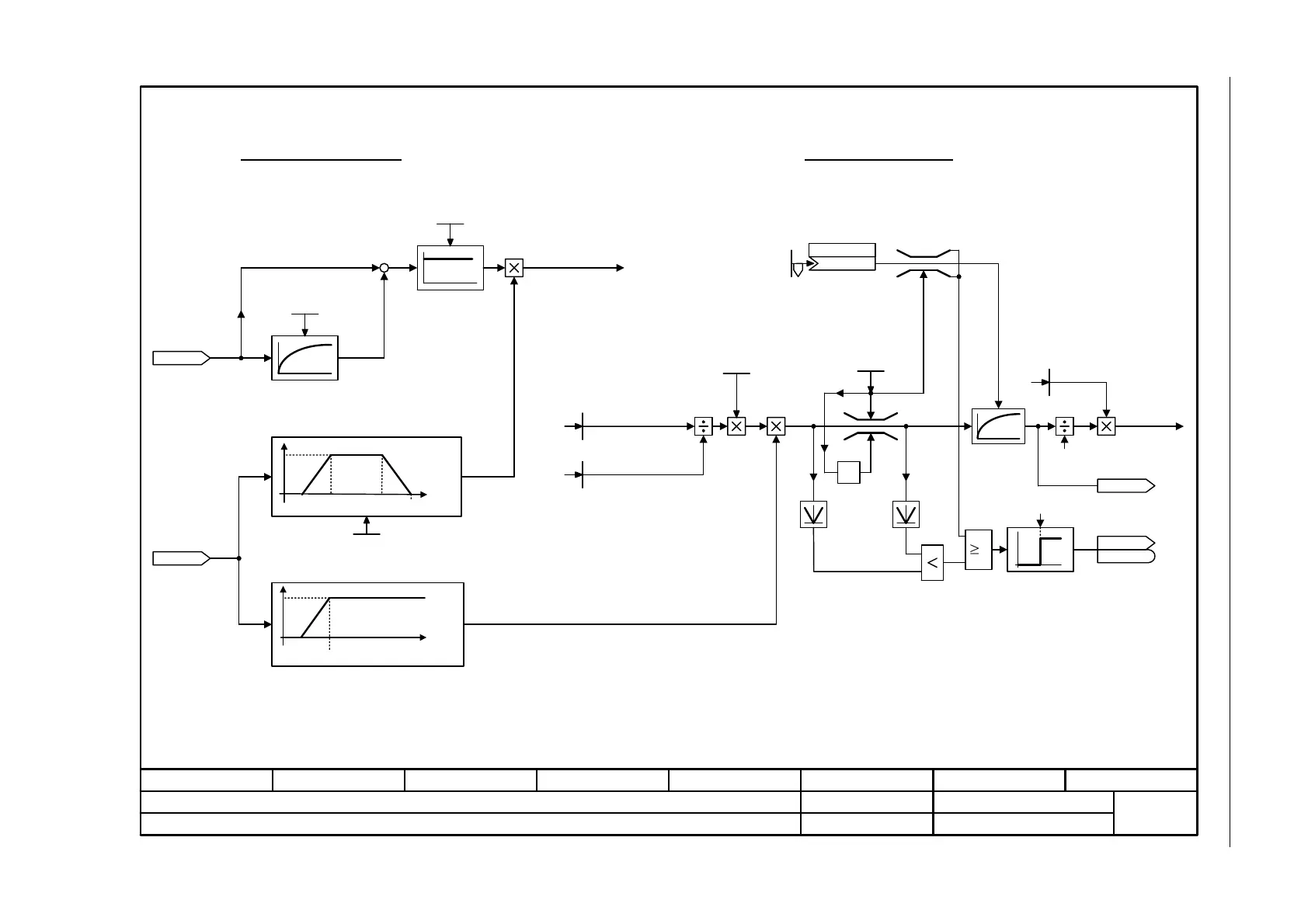
Fig. 3-99 6310 – Resonance damping and slip compensation (U/f)
- 6310 -
Function diagram
87654321
fp_6310_97_53.vsd
Vector control
G120 CU240B/E-2
09.12.2015 V4.7.6
Resonance damping and slip compensation (U/f)
[6730.4]
[6731.4]
[6714.8]
-1
0
1
[6300.7]
250 ms
6 %
10 % 95 %
1
[2526.2]
<1>
<1>
0
p1334
f/f
Mot N
1
p1334 + 4 %
f/f
Mot N
U/f resonance damping U/f slip compensation
If p1349 = 0: the limit is 0.95 x f Mot N 45 Hz.
r0078
Iq_act [Arms]
Uf Res_damp T
1.00 ... 1000.00 [ms]
p1339 [D] (20.00)
Uf Res_damp gain
0.00 ... 100.00
p1338 [D] (0.00)
f_res damp
r0066
f_outp [Hz]
Slip comp lim val
0.00 ... 600.00 [%]
p1336 [D] (250.00)
Uf res_damp f_max
0.00 ... 3000.00 [Hz]
p1349 [D] (0.00)
Brake f_start
-300.00 ... 300.00 [%]
p1351 [D] (0.00)
Brake f_start
(1351[0])
p1352 [C]
<2> Activation with r0056.4 = 1 till r0066 p1334 and p1216 has expired.
100 % equal r0330 (Rated motor slip)
Slip
compensation
[6300.6]
Mot slip_rated [Hz]
r0330 [D]
100 %
r1337
Slip comp act val [%]
f_Slip [Hz]
r0065
Slip comp scal
0.0 ... 600.0 [%]
p1335 [D] (0.0)
Mot slip_rated [Hz]
r0330 [D]
+
<2>
ZSW cl-loop ctrl
r0056
r0056
.10
1 = Slip limiting active
1

Table of Contents

Other manuals for Siemens SINAMICS G120

Related product manuals