EasyManua.ls Logo

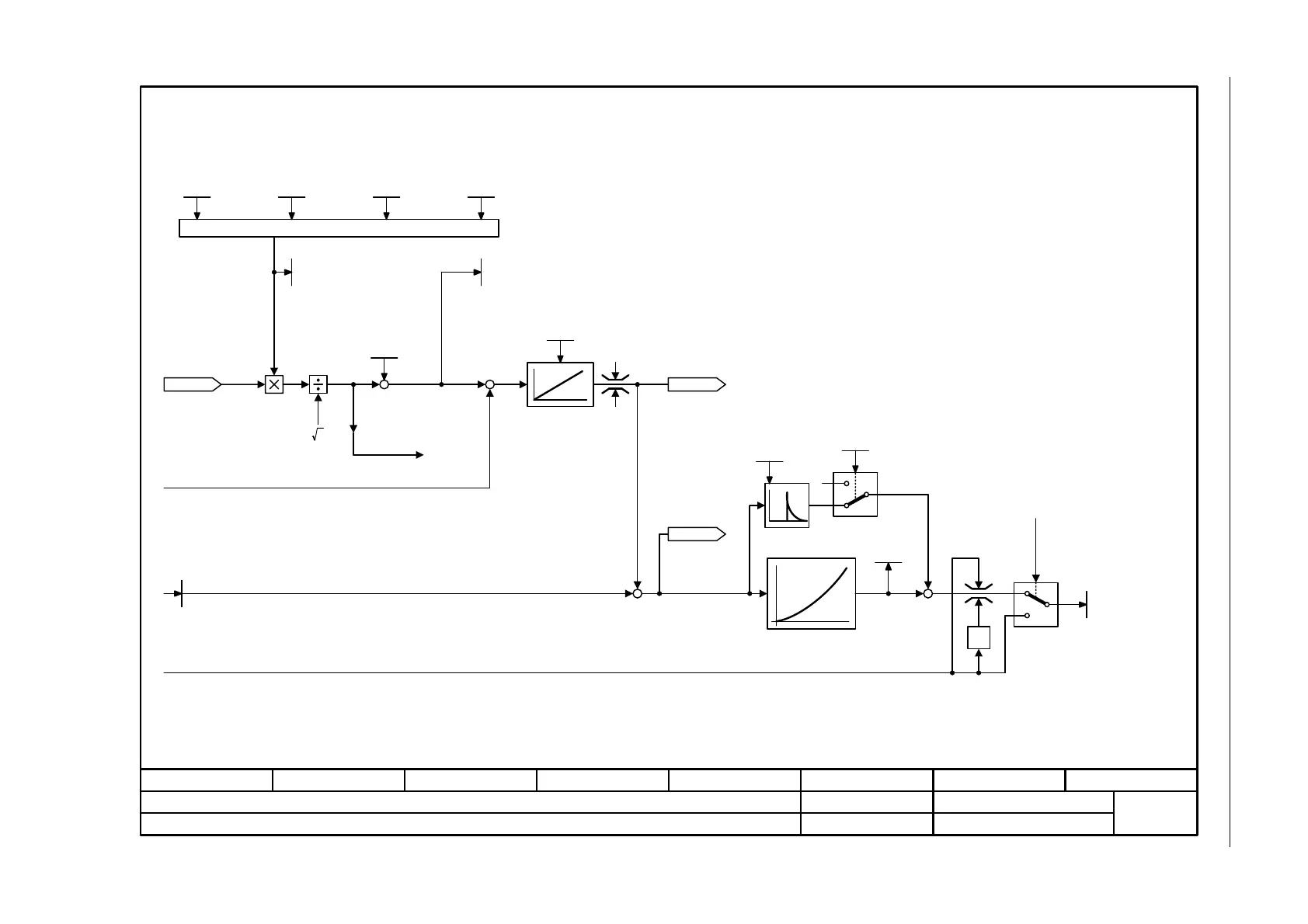
Siemens SINAMICS G120 - Fig. 3-132 6838 - Field weakening controller, flux controller, Id setpoint (ASM, p0300 = 1, p0096 = 2)

Siemens SINAMICS G120
924 pages
To Next Page IconTo Next Page
To Next Page IconTo Next Page
To Previous Page IconTo Previous Page
To Previous Page IconTo Previous Page
Loading...
SINAMICS G120 Control Units CU240B-2/CU240E-2
List Manual (LH11), 01/2016, A5E33839529
707
3 Function diagrams
3.15 Vector control, Dynamic Drive Control (p0096 = 2)
Fig. 3-132 6838 – Field weakening controller, flux controller, Id setpoint (ASM, p0300 = 1, p0096 = 2)
- 6838 -
Function diagram
87654321
fp_6838_97_56.vsd
Vector control, Dynamic Drive Control
G120 CU240B/E-2
09.12.2015 V4.7.6
Field weakening controller, flux controller, Id setpoint (ASM, p0300 = 1, p0096 = 2)
2
-1
1
0
0
U_max 1
[6834.8]
[6841.1]
[6834.8]
[6834.1]
0
-200 %
[6837.8]
Calculation, max. modulation depth
U_set 1
Id current limit
Saturation characteristic
p0362 ... p0369
Modulat_depth max [%]
r0073
r0070
Vdc act val [V]
U_output max [Vrms]
r0071
Field_ctrl Tn
10 ... 10000 [ms]
p1596 [D] (300)
r1597
Field_ctrl outp [%]
r1598
Flux setp total [%]
Flux ctrl config
p1401
Id_set stationary [Arms]
r1623
Drv filt type mot
0 ... 4 [kW]
p0230 (0)
Pulse freq setp
2.000 ... 16.000 [kHz]
p1800 [D] (4.000)
Flux ctrl config
p1401
.2
1
0
[6837.8]
Quick magnetizing active
Value range and/or factory setting depend on p0500.
Modulator mode
0 ... 10
p1802 [D] (0)
Modulat depth max
20.0 ... 150.0 [%]
p1803 [D] (106.0)
U_reserve dyn
0.0 ... 150.0 [Vrms]
p1574 [D] (10.0)
<1> <1>
+
<1>
+
+
+
+
+
.1
[6828.1], [6834.1]
[6828.1], [6837.1]
<1>
Id_setp total [Arms]
r1624
Flux setp smooth [%]
r1583
[6837.8]
1 = Flux build-up control active
1 = Flux setpoint, differentiation active

Table of Contents

Other manuals for Siemens SINAMICS G120

Related product manuals