EasyManua.ls Logo

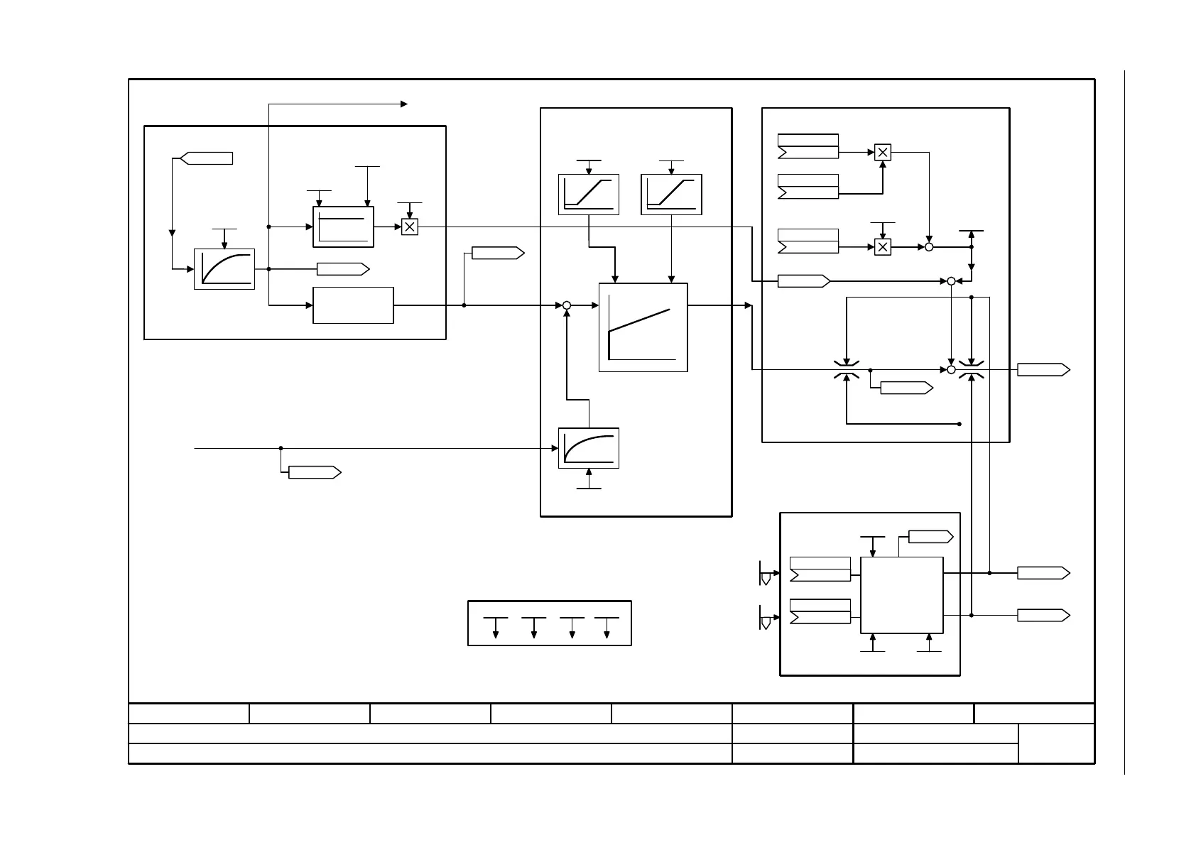
Siemens SINAMICS G120 - Fig. 3-120 6820 - Speed control and generation of the torque limits, overview (p0096 = 2)

Siemens SINAMICS G120
924 pages
To Next Page IconTo Next Page
To Next Page IconTo Next Page
To Previous Page IconTo Previous Page
To Previous Page IconTo Previous Page
Loading...
SINAMICS G120 Control Units CU240B-2/CU240E-2
List Manual (LH11), 01/2016, A5E33839529
695
3 Function diagrams
3.15 Vector control, Dynamic Drive Control (p0096 = 2)
Fig. 3-120 6820 – Speed control and generation of the torque limits, overview (p0096 = 2)
- 6820 -
Function diagram
87654321
fp_6820_97_56.vsd
Vector control, Dynamic Drive Control
G120 CU240B/E-2
09.12.2015 V4.7.6
Speed control and generation of the torque limits, overview (p0096 = 2)
p1400 p1401 r0056 r1408
n_modell
[6821.1]
[3001.8]
[6821.1]
Symmetrizing
[6490] Closed-loop speed control configuration
[6491] Closed-loop flux control configuration
[2526] Status word closed-loop control (r0056)
[2530] Status word closed-loop current control (r1408)
r0062
n_set after filter [rpm]
n_C n_act T_s SL
p1452
r1438
n_ctrl n_set [rpm]
Mot M_mom of inert
p0341
Mot MomInert Ratio
p0342
n_ctrl SL Kp
p1470
n_ctrl SL Tn
p1472
r1518
M_accel [Nm]
r1508
M_set bef. M_suppl [Nm]
r0079
M_set [Nm]
r1538
M_max upper eff [Nm]
r1539
M_max lower eff [Nm]
M_max upper
p1520 [D] (0.00)
M_max lower
p1521 [D] (0.00)
a_prectrl scal
p1496
n_set_filt 1 T
p1416
[6822]
[6824]
[6826]
r1170
n_ctrl setp sum [rpm]
r0063[0..2]
n_act [rpm]
Kp Tn
n_pre-control
[0]
Kp adaptation Tn adaptation
Speed setpoint, Pre-control balancing, acceleration model (p0096 = 2)
Speed controller with Kp_n/Tn_n
adaptation (p0096 = 2)
Torque setpoint (p0096 = 2)
[6828] Current/power/torque limits (p0096 = 2)
For Kp
adaptation
M_suppl 1
(0)
p1511 [C]
M_suppl 1 scal
(0)
p1512 [C]
M_suppl 2
(0)
p1513 [C]
M_suppl 2 scal
p1514
M_suppl total
r1515
r0067
I_Ausg max
Generating the
torque limits
M_max upper
(1520[0])
p1522 [C]
M_max lower
(1521[0])
p1523 [C]
Current limit
p0640
P_max mot
p1530
P_max gen
p1531

Table of Contents

Other manuals for Siemens SINAMICS G120

Related product manuals