EasyManua.ls Logo

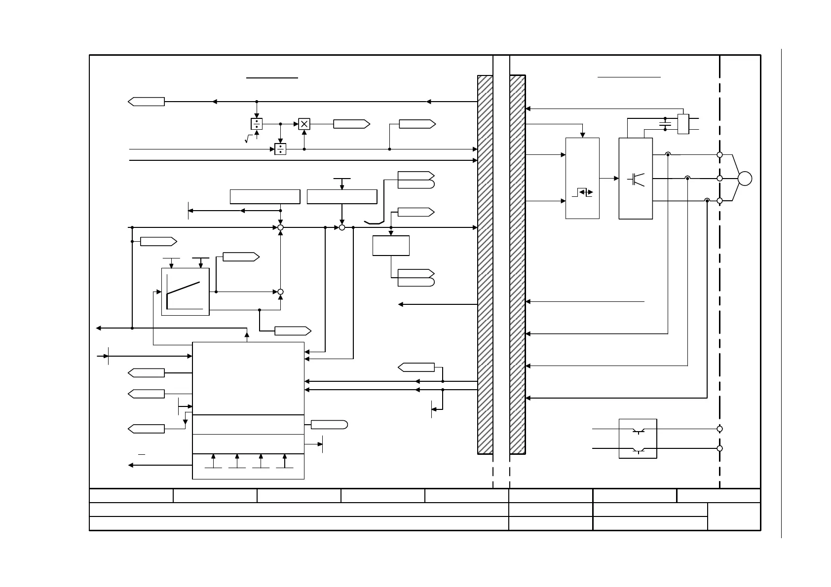
Siemens SINAMICS G120 - Fig. 3-134 6841 - Interface to the Power Module (ASM, p0300 = 1, p0096 = 2)

Siemens SINAMICS G120
924 pages
To Next Page IconTo Next Page
To Next Page IconTo Next Page
To Previous Page IconTo Previous Page
To Previous Page IconTo Previous Page
Loading...
SINAMICS G120 Control Units CU240B-2/CU240E-2
List Manual (LH11), 01/2016, A5E33839529
709
3 Function diagrams
3.15 Vector control, Dynamic Drive Control (p0096 = 2)
Fig. 3-134 6841 – Interface to the Power Module (ASM, p0300 = 1, p0096 = 2)
- 6841 -
Function diagram
87654321
fp_6841_97_56.vsd
Vector control, Dynamic Drive Control
G120 CU240B/E-2
09.12.2015 V4.7.6
Interface to the Power Module (ASM, p0300 = 1, p0096 = 2)
PWM
M
~
U
V
W
+ BRP
-BRN
P24
M
p1755 p1756 p1758
Kp Tn
p1764
p1759
[6828.1]
Iq
M
[6837.6]
r1408.12 [8012.3]
[6834.8]
[6799.1]
[8022.1]
[6799.5]
[6799.1]
[2526.2]
Pre-control speed
n_act
Adaptation controller
Motor model
Stall monitoring
Model control
Vibration damping
Sign
+ or -
I_max PM
Brake control
Pulse enable HW
DC link voltage (Vdc)
Power Module
Control Unit
U_set
U_angle
r0070
Vdc act val [V]
r0072
U_output [Vrms]
r0074
Mod_depth [%]
Gain res_damp
p1740
ZSW cl-loop ctrl
r0056
r0056
.11
r0066
f_outp [Hz]
ZSW cl-loop ctrl
r0056
r0056
.07
R_stator act
r0395
r0084
Flux act val [%]
MotMod status
r1751
[6822.8]
[6799.1]
Current model
Outp_ph_seq rev
p1820
p1767
r0063[0..2]
n_act [rpm]
p1745
r1771
MotMod n_adapt Tn
[rpm]
r1770
MotMod n_adapt Kp
[rpm]
+
+
+
+
+
+
+
[6838.1]
[6799.1]
[8022.1]
r0087
Cos phi act
[6799.1]
[6828.5]
[6832.1]
f_Slip [Hz]
r0065
[6834.1]
r0069
I_phase act val [A]
[0..6]
U_phase act val [V]
r0089[0..2]
r0094
Transformat_angle [°]
[6834.8]
2
Power Module Interface
+
-
I_max PM

Table of Contents

Other manuals for Siemens SINAMICS G120

Related product manuals