EasyManua.ls Logo

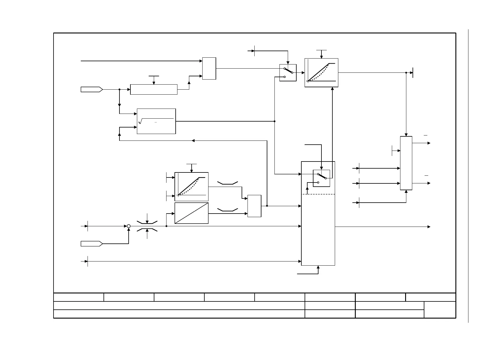
Siemens SINAMICS G120 - Fig. 3-108 6721 - Id setpoint (PMSM, p0300 = 2 xx)

Siemens SINAMICS G120
924 pages
To Next Page IconTo Next Page
To Next Page IconTo Next Page
To Previous Page IconTo Previous Page
To Previous Page IconTo Previous Page
Loading...
SINAMICS G120 Control Units CU240B-2/CU240E-2
List Manual (LH11), 01/2016, A5E33839529
681
3 Function diagrams
3.13 Vector control
Fig. 3-108 6721 – Id setpoint (PMSM, p0300 = 2xx)
- 6721 -
Function diagram
87654321
fp_6721_97_53.vsd
Vector control
G120 CU240B/E-2
09.12.2015 V4.7.6
Id setpoint (PMSM, p0300 = 2xx)
1
0
[6060.6]
MAX
MIN
[6724.8]
M
Iq
[6640.5]
[6710.2]
[6799.7]
Ld
Lq
kt Rel
[6731.2]
[6040.4]
[6731.3]
[6060.4]
r1538
r1539
n-Ctrl = 1
Iabs
pre
M
1
0
Iabs
(r1407.2)
0 = M-Ctrl
1 = n-Ctrl
I
d
Id_inject
Iq
M
From Id_field weakening
Load angle correction
M adaptation
Torque setting value, speed controller
Id_set
Mot phi_load opt
0.0 ... 135.0 [°]
p0327 [D] (90.0)
Mot t_excitation
0.000 ... 20.000 [s]
p0346 [D] (0.000)
M_set static
-200.0 ... 200.0 [%]
p1610 [D] (50.0)
M_suppl_accel
0.0 ... 200.0 [%]
p1611 [D] (30.0)
I_set T_smooth
4 ... 10000 [ms]
p1616 [D] (40)
Mot kT_reluctance
-1000.00 ... 1000.00 [mH]
p0328 [D] (0.00)
Mot L_leak total
r0377
Mot L_stator d
r0378
PMSM: Permanent-magnet synchronous motor
r0077
Iq_set [Arms]
[6710.8]
MotMod kT corr
r1797
[6731.3]
MotMod dev comp 1
r1762
M_suppl total
r1515
r1518
M_accel [Nm]
MotMod status
r1751
.0
r0067
0.9 x
r0067
[6640.1], [6714.1]
Id_setp total [Arms]
r1624
22
Iabs Iq_set

Table of Contents

Other manuals for Siemens SINAMICS G120

Related product manuals